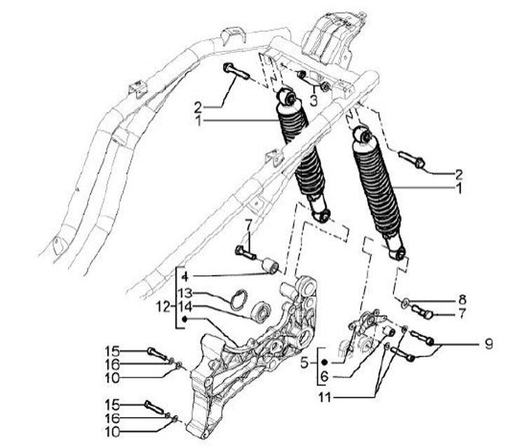
Bakfjädring
Piaggio Beverly 350 Sport Touring 4V (2012, ZAPM69400)
Sortera