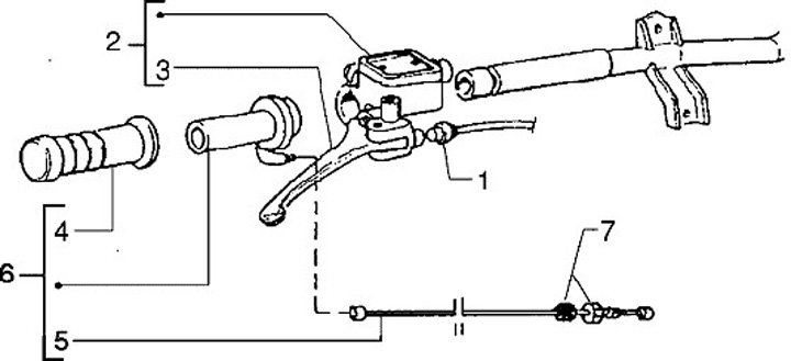
Gasreglage
Piaggio Zip 50 (1995, SSP2T3)
Sortera