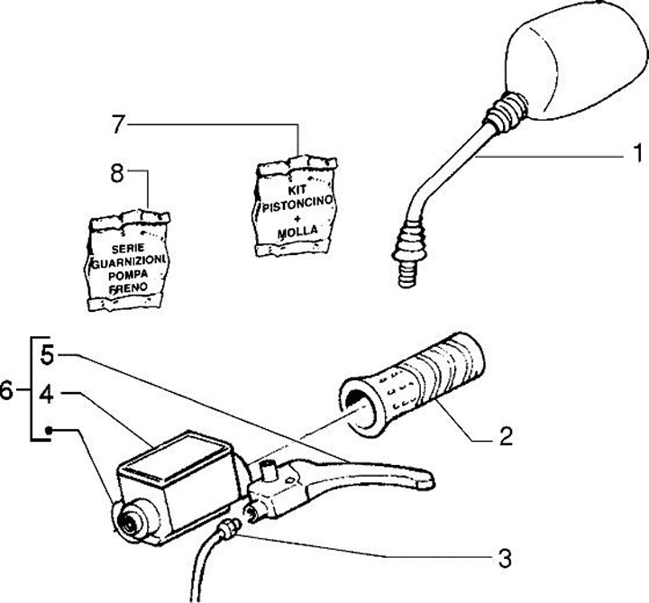
Huvudbromscylinder Vänster - Backspegel (Modell Dd)
Piaggio NRG 50 MC3 DD (2002, ZAPC3200002)
Sortera