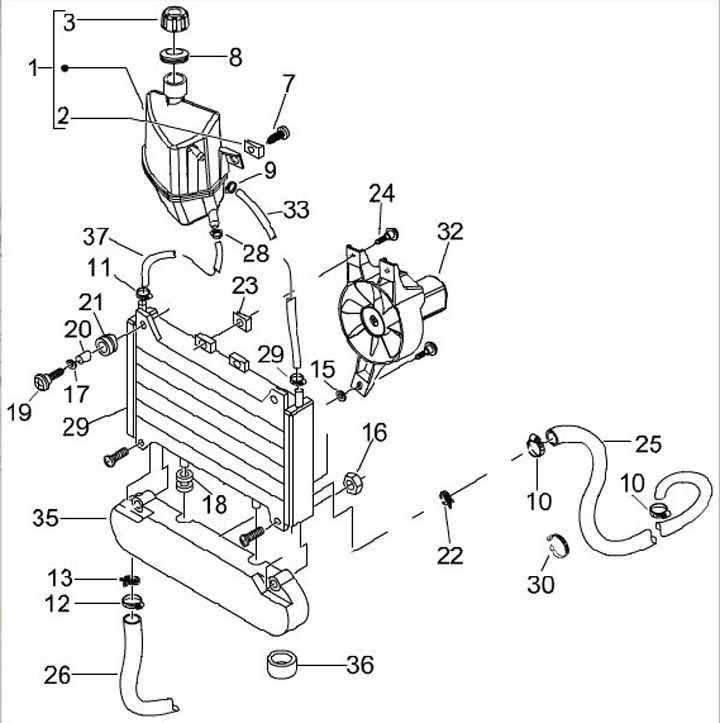
Kylare - Fläkt
Piaggio Beverly 250ie (2006, ZAPM28800)
Sortera