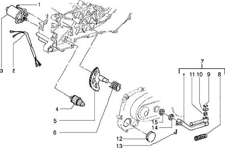
Anlassermotor - Startmotor
Piaggio Zip 50 RST(1996, ZAPC06000)
Sortera