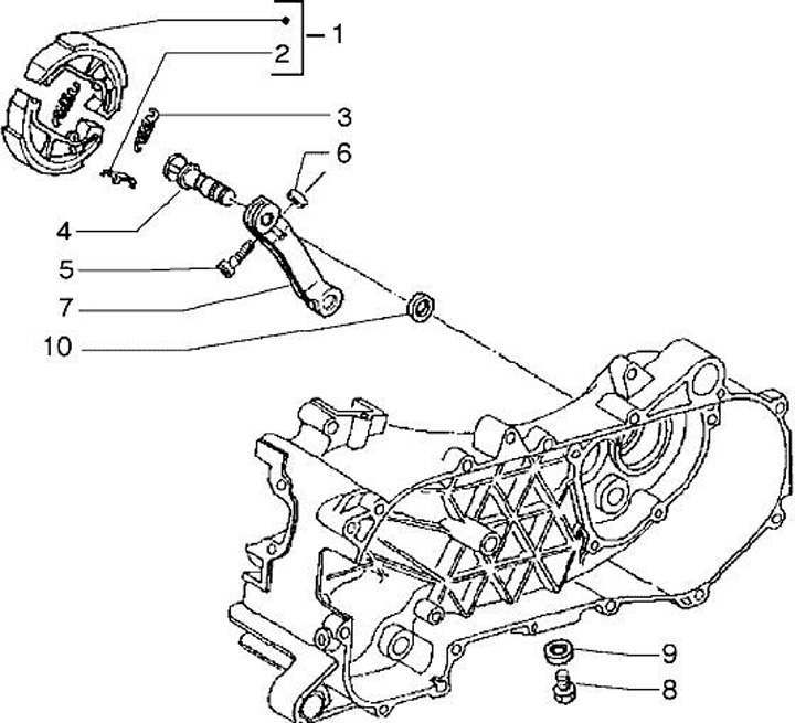
Bakbromsbelägg Bak
Piaggio Diesis 50 (2001, ZAPC34100)
Sortera