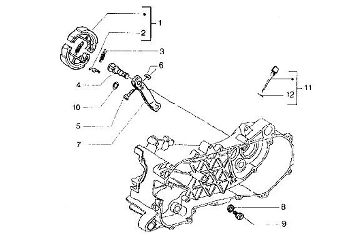
Bakbromsbelägg Bak
Piaggio Hexagon 180 GTX Super (2000 ZAPM20000)
Sortera