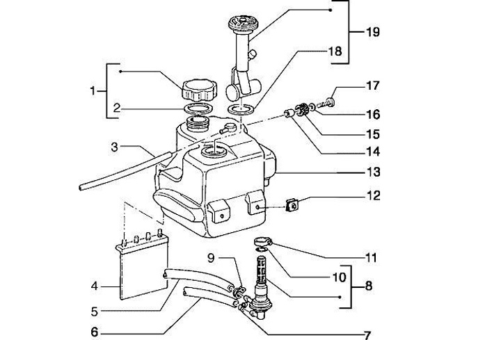
Bränsletank
Piaggio TPH 50 (1993, TEC1T)
Sortera