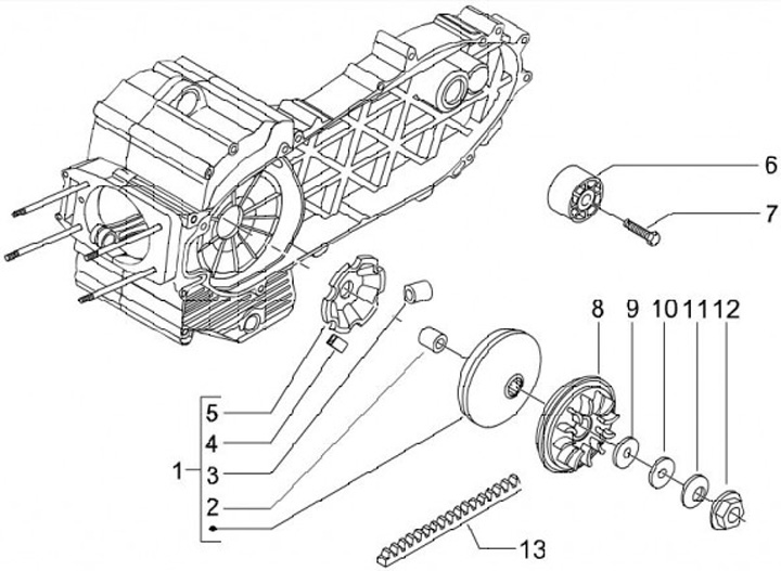
Drivande Remskiva
Piaggio Beverly 400 (2006, ZAPM34300)
Sortera