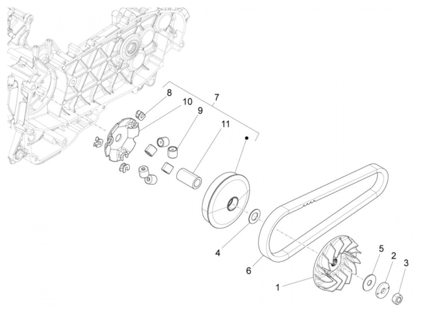
Drivande Remskiva
Vespa Primavera 125 IGET (2019-2020, ZAPMA1101)
Sortera