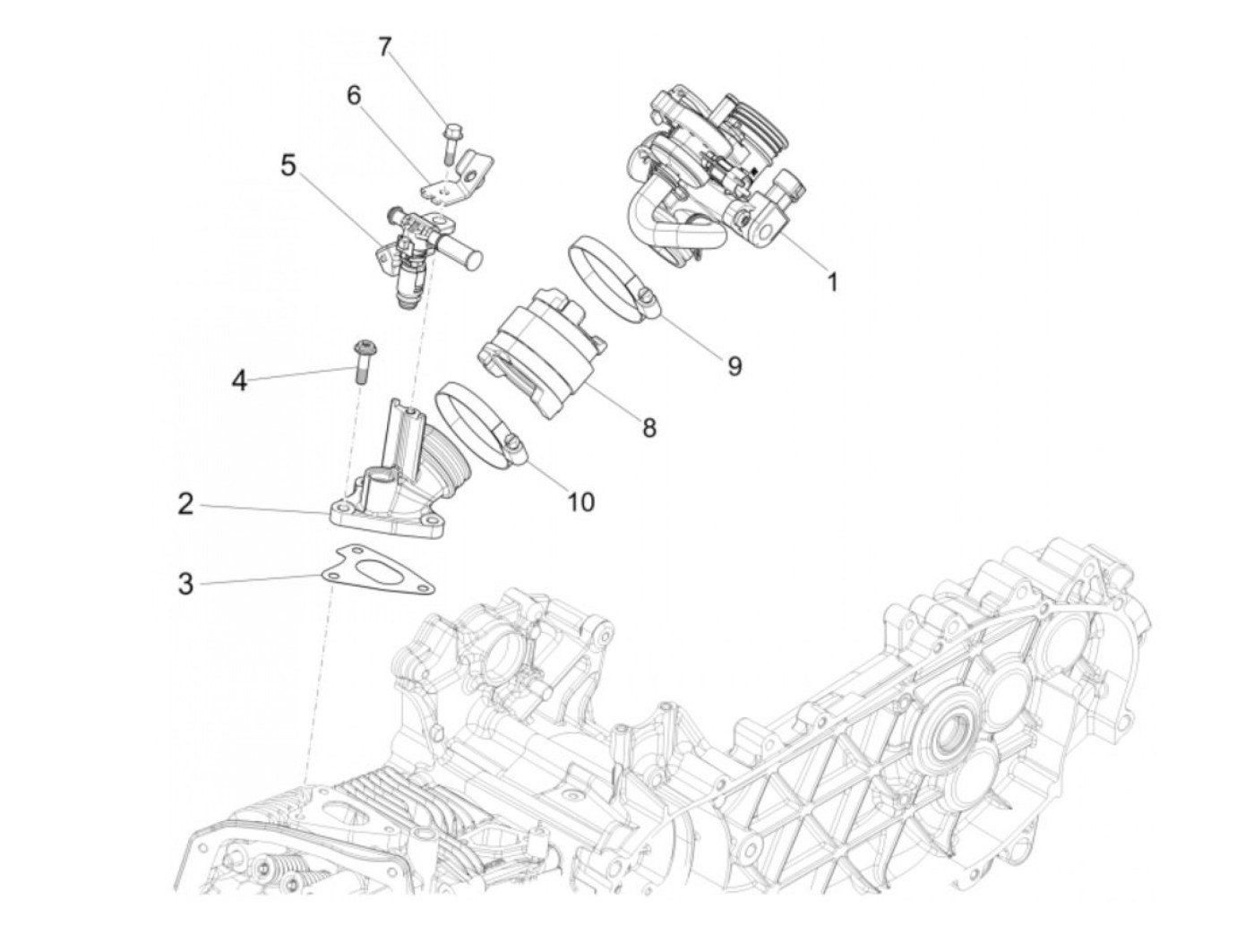
Drosselklappshus
Vespa Sprint 125 IGET Sport ABS (2019-2020, ZAPMA1301)
Sortera