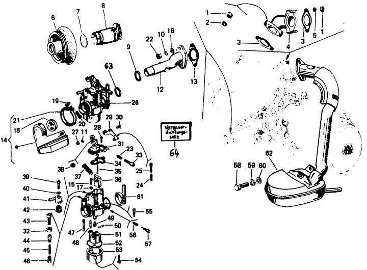
Förgasare + Avgasrör
Vespa PK 50 S Lusso (V5X2T)
Sortera