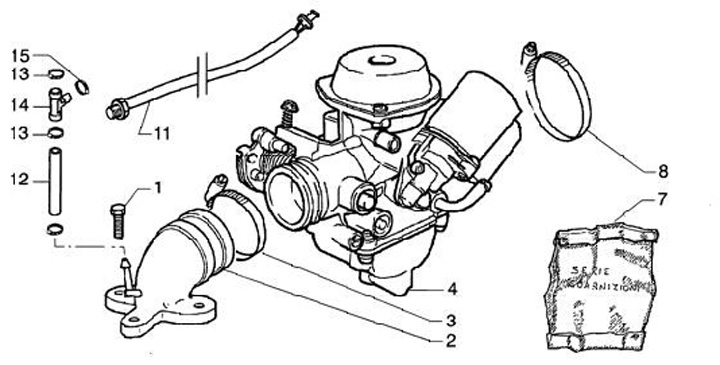
Förgasare - Insugsrör
Piaggio Beverly 125 GT (2002, ZAPM28100)
Sortera