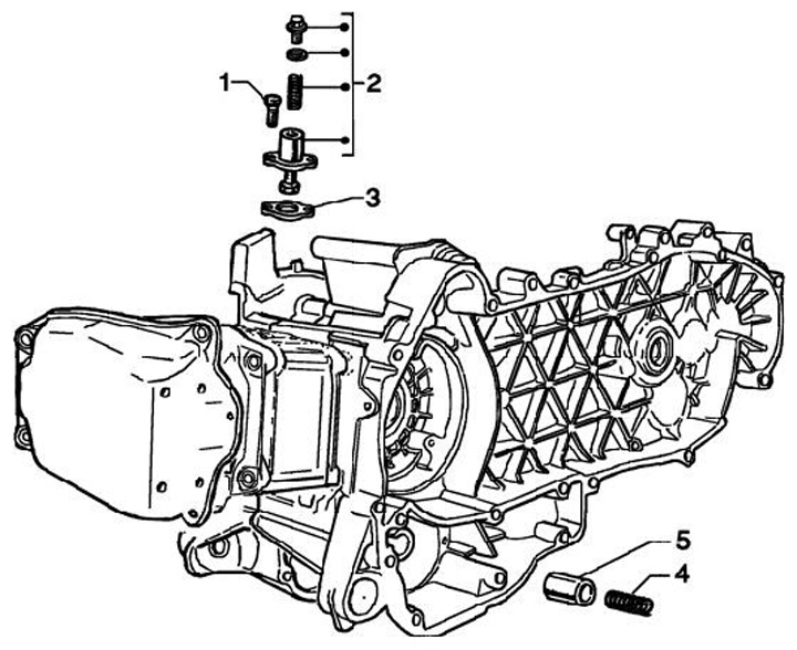
Kjedjesträckare
Gilera Runner 125 (2002-2004, ZAPM24100)
Sortera