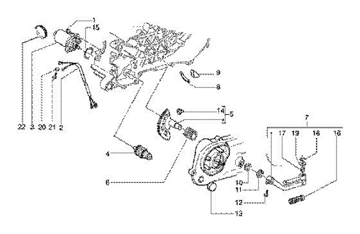
Anlassermotor - Startmotor
Gilera Runner 180 (1997-2003, ZAPM08000)
Sortera