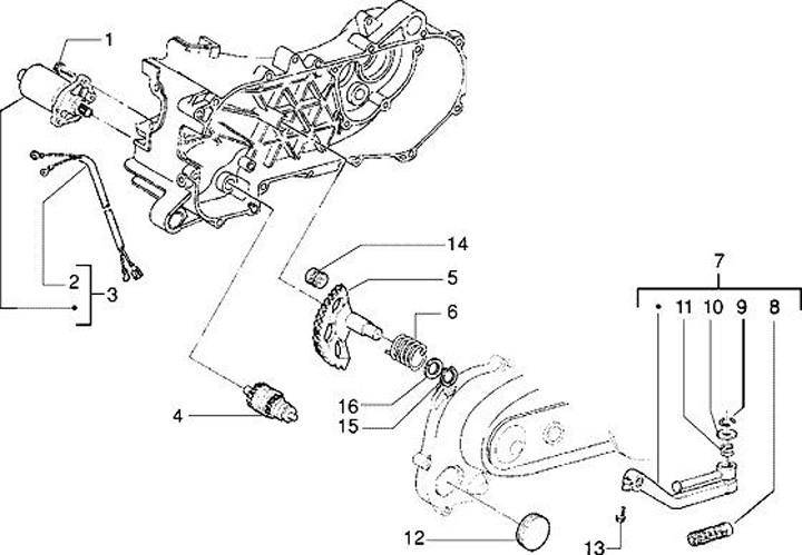
Anlassermotor - Startmotor
Piaggio TPH 125 (1995, ZAPM02000)
Sortera