mycket bra
4.7 / 5
Portofritt från 99€ (DE) Hög kundnöjdhet
Kontakt |Sekretess |AGB & Kundinformation |Impressum
Piaggio TPH 125 (1995, ZAPM02000) | Exploderade vyer Piaggio TPH 125 (1995, ZAPM02000) | Exploderade vyer
Blog DE DE  |  €
Mitt garage
Har du glömt ditt lösenord?
Skapa ett nytt kundkonto
0
  • Alla
    • Motor
      Allt från Motor
      • Avgaser
      • Cylinder
      • Drive
      • Förgasare
      • Inloppsgrenrör & membran
      • Insprutningssystem
      • Koppling
      • Kylning
      • Luftfilter
      • Motor & hölje
      • Motorer
      • Reparationssats
      • Skruvar & smådelar
      • Start
      • Tändning
      • Tätningar
      • Växellåda
      • Vevaxel
    • Elektriskt system
      Allt från Elektriskt system
      • Batterier
      • Belysning
      • Instrument
      • Kablar
      • Ljuskälla
      • Plug
      • Regulator, likriktare
      • Skruvar & smådelar
      • Startmotor
      • Strömbrytare
      • Tändning & generator
      • Tändstift
    • Ram och påbyggnadsdelar
      Allt från Ram och påbyggnadsdelar
      • Bokstäver
      • Bränslesystem
      • Gafflar
      • Huvud- och sidostativ
      • Lager för styrhuvud
      • Panelerande delar
      • Sitsbänkar
      • Skruvar & smådelar
      • Stötdämpare
    • Styrstänger & beslag
      Allt från Styrstänger & beslag
      • Broms och koppling
      • Handtag
      • Handtag för gasväxling
      • Instrument
      • Skruvar & smådelar
      • Spegel
      • Strömbrytare
      • Styren & kåpor
    • Bowdenkablar
      Allt från Bowdenkablar
      • Bromsledningar
      • Kabeldrag & set
      • Kontrollelement
      • Spännnipplar & justerskruvar
      • Speedometerkablar
      • Tachodrivningar
    • Hjul
      Allt från Hjul
      • Bromsar
      • Däck
      • Fälgar
      • Hjul
      • Slangar
      • Ventiler & smådelar
    • Service
      Allt från Service
      • Filter
      • Oljor
      • Uppsättningar
      • V-rem
      • Verktyg
    • Olja & kemi
      Allt från Olja & kemi
      • Driftsmaterial
      • Fetter & smörjmedel
      • Lacker och kulörer
      • Lim
      • Material till verkstaden
      • Oljor
      • Tätningsmedel
      • Vårdprodukter & rengöringsmedel
    • Tillbehör
      Allt från Tillbehör
      • Bagagehållare
      • Drosselsatser & Varvtalsbegränsare
      • Litteratur
      • Merchandise
      • Mobiltelefonhållare och Tillbehör
      • Specialtillbehör
      • Stöldskydd
      • Sturbbågar
      • Topplåda
      • Väskor
      • Verkstadsinredning
      • Vindrutor
    • Hjälmar & kläder
      Allt från Hjälmar & kläder
      • Glasögon & Visir
      • Handaskar
      • Hjälmar
      • Jackor & Byxor
      • T-shirt & skjortor
      • Tillbehör
    • Kuponger
    Dagens tips
    Demonteringsverktyg hjulaxel framhjul -BGM PRO- Vespa 125 V1-V15, V30-33, VM1-2, VN1, VN2, VNA, VNB , 150 VL, VB, VBA, VBB, VLA1, VGL1, VGLA1, VGLB1, Super, GL, T4, Sprint, GT, GTR, Rally, TS, Motovespa (1959-1964) 125N, 125S, 150S
    %
    BGM PRO
    Demonteringsverktyg hjulaxel framhjul -BGM PRO- Vespa 125 V1-V15, V30-33, VM1-2, VN1, VN2, VNA, VNB , 150 VL, VB, VBA, VBB, VLA1, VGL1, VGLA1, VGLB1, Super, GL, T4, Sprint, GT, GTR, Rally, TS, Motovespa (1959-1964) 125N, 125S, 150S
    251,98 kr* 286,39 kr*
  • Klassisk Vespa
    • Motor
      Allt från Motor
      • Avgaser
      • Cylinder
      • Drive
      • Förgasare
      • Inloppsgrenrör & membran
      • Koppling
      • Kylning
      • Luftfilter
      • Motor & hölje
      • Motorer
      • Revisionsuppsättning
      • Skruvar & smådelar
      • Start
      • Tändning
      • Tätningar
      • Växellåda
      • Vevaxel
    • Elektrisk Anläggning
      Allt från Elektrisk Anläggning
      • Belysning
      • Instrument
      • Kablar
      • Ljuskälla
      • Misshandlare
      • Plug
      • Regulator, likriktare
      • Skruvar & smådelar
      • Startmotor
      • Strömbrytare
      • Tändning & agenerator
      • Tändstift
    • Chassi
      Allt från Chassi
      • Bänkar
      • Bokstäver
      • Bränslesystem
      • Gafflar
      • Huvud- och sidostativ
      • Lager för styrhuvud
      • Panelerande delar
      • Skruvar & smådelar
      • Stötdämpare
    • Styren
      Allt från Styren
      • Broms och koppling
      • Handtag
      • Handtag för gasväxling
      • Instrument
      • Skruvar & smådelar
      • Spegel
      • Strömbrytare
      • Styren & kåpor
    • Bowdenvajrar
      Allt från Bowdenvajrar
      • Bromsledningar
      • Kabeldrag & set
      • Kontrollelement
      • Spännnipplar & justerskruvar
      • Speedometerkablar
      • Tachodrivning
    • Hjul
      Allt från Hjul
      • Bromsar
      • Däck
      • Fälgar
      • Hjul
      • Slangar
      • Ventiler & smådelar
    • Service
      Allt från Service
      • Filter
      • Oljor
      • Uppsättningar
      • Verktyg
    • Olja & Kemikalier
      Allt från Olja & Kemikalier
      • Driftsmaterial
      • Fetter & smörjmedel
      • Lacker och kulörer
      • Lim och klister
      • Material till verkstaden
      • Oljor
      • Tätningsmedel
      • Vårdprodukter & rengöringsmedel
    • Tillbehör
      Allt från Tillbehör
      • Bagagehållare
      • Hållare för mobiltelefoner & tillbehör
      • Handelsvaror
      • Litteratur
      • Särskilda tillbehör
      • Skyddsbåge
      • TopCase
      • Väskor
      • Verkstadsutrustning
      • Vindskydd
    • Hjälmar & Kläder
      Allt från Hjälmar & Kläder
      • Glasögon & visir
      • Handskar
      • Hjälmar
      • Jackor & byxor
      • T-shirts & skjortor
      • Tillbehör
    Dagens tips
    Avgasrör -LTH-Box Road Racing- Vespa PX80, PX125, PX150 - för trimning av cylindrar 166cc, 172cc, 177cc, 187cc, 190cc - Svart
    LTH
    Avgasrör -LTH-Box Road Racing- Vespa PX80, PX125, PX150 - för trimning av cylindrar 166cc, 172cc, 177cc, 187cc, 190cc - Svart
    2058,78 kr*
  • Vespa Modern
    • Motor
      Allt från Motor
      • Avgaser
      • Cylinder
      • Drive
      • Förgasare
      • Inloppsgrenrör & membran
      • Insprutningssystem
      • Koppling
      • Kylning
      • Luftfilter
      • Motor & hölje
      • Motorer
      • Revisionsuppsättning
      • Skruvar & smådelar
      • Start
      • Tändning
      • Tätningar
      • Växellåda
      • Vevaxel
    • Elektriskt system
      Allt från Elektriskt system
      • Batterier
      • Belysning
      • Instrument
      • Kablar
      • Ljuskälla
      • Plug
      • Regulator, likriktare
      • Skruvar & smådelar
      • Startmotor
      • Strömbrytare
      • Tändning & generator
      • Tändstift
    • Chassi
      Allt från Chassi
      • Bänkar
      • Bokstäver
      • Bränslesystem
      • Gafflar
      • Huvud- och sidostativ
      • Lager för styrhuvud
      • Panelerande delar
      • Skruvar & smådelar
      • Stötdämpare
    • Styrstänger & beslag
      Allt från Styrstänger & beslag
      • Broms och koppling
      • Handtag
      • Handtag för gasväxling
      • Instrument
      • Skruvar & smådelar
      • Spegel
      • Strömbrytare
      • Styren & kåpor
    • Bowdenkablar
      Allt från Bowdenkablar
      • Bromsledningar
      • Kabeldrag & set
      • Kontrollelement
      • Spännnipplar & justerskruvar
      • Speedometerkablar
      • Tachodrivning
    • Hjul
      Allt från Hjul
      • Bromsar
      • Däck
      • Fälgar
      • Hjul
      • Slangar
      • Ventiler & smådelar
    • Service
      Allt från Service
      • Filter
      • Oljor
      • Rengöringsmedel
      • Uppsättningar
      • V-rem
      • Verktyg
    • Olja & kemi
      Allt från Olja & kemi
      • Driftsmaterial
      • Fetter & smörjmedel
      • Lacker och kulörer
      • Lim
      • Material till verkstaden
      • Oljor
      • Tätningsmedel
      • Vårdprodukter & rengöringsmedel
    • Tillbehör
      Allt från Tillbehör
      • Bagagehållare
      • Hållare för mobiltelefoner & tillbehör
      • Handelsvaror
      • Litteratur
      • Särskilda tillbehör
      • Skyddsbåge
      • Stöldskydd
      • TopCase
      • Väskor
      • Verkstadsutrustning
      • Vindskydd
    • Hjälmar & kläder
      Allt från Hjälmar & kläder
      • Glasögon & visir
      • Handskar
      • Hjälmar
      • Jackor & byxor
      • T-shirts & skjortor
      • Tillbehör
    Dagens tips
    Oljetråg med siktglas -MOTO NOSTRA- blank svart - Vespa GTS 310 (2024-) - Vespa GTS MP3 HPE 310 (2024-)
    Topp
    Moto Nostra
    Oljetråg med siktglas -MOTO NOSTRA- blank svart - Vespa GTS 310 (2024-) - Vespa GTS MP3 HPE 310 (2024-)
    2173,80 kr*
  • Moped klassisk
    • Motor
      Allt från Motor
      • Avgaser
      • Cylinder
      • Drive
      • Förgasare
      • Inloppsgrenrör & membran
      • Koppling
      • Kylning
      • Luftfilter
      • Motor & hölje
      • Revisionsuppsättning
      • Skruvar & smådelar
      • Start
      • Tändning
      • Tätningar
      • Växellåda
      • Vevaxel
    • Elektriskt system
      Allt från Elektriskt system
      • Batterier
      • Belysning
      • Instrument
      • Kablar
      • Ljuskälla
      • Plug
      • Regulator, likriktare
      • Skruvar & smådelar
      • Strömbrytare
      • Tändning & generator
      • Tändstift
    • Ram och påbyggnadsdelar
      Allt från Ram och påbyggnadsdelar
      • Bänkar
      • Bokstäver
      • Bränslesystem
      • Gafflar
      • Huvud- och sidostativ
      • Lager för styrhuvud
      • Panelerande delar
      • Skruvar & smådelar
      • Stötdämpare
    • Styrstänger & beslag
      Allt från Styrstänger & beslag
      • Broms och koppling
      • Handtag
      • Handtag för gasväxling
      • Instrument
      • Skruvar & smådelar
      • Spegel
      • Strömbrytare
      • Styren & kåpor
    • Bowdenkablar
      Allt från Bowdenkablar
      • Kabeldrag & set
      • Kontrollelement
      • Spännnipplar & justerskruvar
      • Speedometerkablar
      • Tachodrivning
    • Hjul
      Allt från Hjul
      • Bromsar
      • Däck
      • Fälgar
      • Hjul
      • Slangar
      • Ventiler & smådelar
    • Service
      Allt från Service
      • Filter
      • Oljor
      • Verktyg
    • Olja & kemi
      Allt från Olja & kemi
      • Driftsmaterial
      • Fetter & smörjmedel
      • Lacker och kulörer
      • Lim och klister
      • Material till verkstaden
      • Oljor
      • Tätningsmedel
      • Vårdprodukter & rengöringsmedel
    • Tillbehör
      Allt från Tillbehör
      • Bagagehållare
      • Handelsvaror
      • Litteratur
      • Särskilda tillbehör
      • Stöldskydd
      • Väskor
      • Verkstadsutrustning
    • Hjälmar & kläder
      Allt från Hjälmar & kläder
      • Handskar
      • Hjälmar
      • T-shirts & skjortor
      • Tillbehör
    Dagens tips
    Bussningssats -MC gaffelbussning- Ciao-gaffelns svängarmar, för justering och stabilisering av framhjulet
    MC Proparts
    Bussningssats -MC gaffelbussning- Ciao-gaffelns svängarmar, för justering och stabilisering av framhjulet
    205,88 kr*
  • Lambretta
    • Motor
      Allt från Motor
      • Avgaser
      • Cylinder
      • Drive
      • Förgasare
      • Inloppsgrenrör & membran
      • Kickstarter
      • Koppling
      • Kylning
      • Luftfilter
      • Motor & hölje
      • Revisionsuppsättningar
      • Skruvar & Smådelar
      • Tändning
      • Tätningar
      • Växellåda
      • Vevaxel
    • Elektriskt system
      Allt från Elektriskt system
      • Batterier
      • Belysning
      • Instrument
      • Kabelhärvor
      • Ljuskälla
      • Plug
      • Regulator & likriktare
      • Skruvar & smådelar
      • Strömbrytare
      • Tändning & generator
      • Tändstift
    • Ram och påbyggnadsdelar
      Allt från Ram och påbyggnadsdelar
      • Bänkar
      • Bokstäver
      • Bränslesystem
      • Gafflar
      • Huvudstativ
      • Lager för styrhuvud
      • Panelerande delar
      • Skruvar & smådelar
      • Stötdämpare
    • Styrstänger & beslag
      Allt från Styrstänger & beslag
      • Broms och koppling
      • Handtag
      • Handtag för gasväxling
      • Instrument
      • Skruvar & smådelar
      • Spegel
      • Strömbrytare
      • Styren & kåpor
    • Bowdenkablar
      Allt från Bowdenkablar
      • Bromsledningar
      • Kabeldrag & set
      • Kontrollelement
      • Spännnipplar & justerskruvar
      • Speedometerkablar
      • Tachodrivning
    • Hjul
      Allt från Hjul
      • Bromsar
      • Däck
      • Fälgar
      • Hjul
      • Slangar
      • Ventiler & smådelar
    • Service
      Allt från Service
      • Oljor
      • Rengöringsmedel
      • Uppsättningar
      • Verktyg
    • Olja & kemi
      Allt från Olja & kemi
      • Driftsmaterial
      • Fetter & smörjmedel
      • Lacker och kulörer
      • Lim och klister
      • Material till verkstaden
      • Oljor
      • Tätningsmedel
      • Vårdprodukter & rengöringsmedel
    • Tillbehör
      Allt från Tillbehör
      • Bagagehållare
      • Hållare för mobiltelefoner & tillbehör
      • Handelsvaror
      • Litteratur
      • Särskilda tillbehör
      • Skyddsbåge
      • Stöldskydd
      • Väskor
      • Verkstadsutrustning
      • Vindskydd
    • Hjälmar &; kläder
      Allt från Hjälmar &; kläder
      • Handskar
      • Hjälmar
      • Jackor & byxor
      • T-shirts & skjortor
      • Tillbehör
    Dagens tips
    Avgasrör -BGM PRO MZ30 Franspeed by Andy Francis Scooters- Lambretta Series 3 - utan ljuddämpare - svart - LI 125, LI 150, LiS 125, LiS 150, TV 175, SX, TV, GT, GP 125, 150, 200
    BGM PRO
    Avgasrör -BGM PRO MZ30 Franspeed by Andy Francis Scooters- Lambretta Series 3 - utan ljuddämpare - svart - LI 125, LI 150, LiS 125, LiS 150, TV 175, SX, TV, GT, GP 125, 150, 200
    5049,19 kr*
  • Skoter 50-850cc
    • Motor
      Allt från Motor
      • Ansugsrör & Membran
      • Avgasrör
      • Bränsleinsprutningssystem
      • Cylinder
      • Drive
      • Förgasare
      • Koppling
      • Kylning
      • Luftfilter
      • Motorer
      • Motorhus
      • Reparationssats
      • Skruvar & Smådelar
      • Startmotor Kickstarter
      • Tändning
      • Tätningsmedel
      • Växellåda
      • Veaxell
    • Elektriskt system
      Allt från Elektriskt system
      • Batterier
      • Belysning
      • Brytare
      • Instrument
      • Kabel
      • Kontaktdon
      • Ljuskälla
      • Regulator, Likriktare
      • Skruvar & Smådelar
      • Startmotor
      • Tändning & Generator
      • Tändstift
    • Ram och påbyggnadsdelar
      Allt från Ram och påbyggnadsdelar
      • Bänkar
      • Bokstäver
      • Bränslesystem
      • Gafflar
      • Huvud- och sidostativ
      • Lager för styrhuvud
      • Panelerande delar
      • Skruvar & smådelar
      • Stötdämpare
    • Styrstänger & beslag
      Allt från Styrstänger & beslag
      • Broms och koppling
      • Handtag
      • Handtag för gasväxling
      • Instrument
      • Skruvar & smådelar
      • Spegel
      • Strömbrytare
      • Styren & kåpor
    • Bowdenkablar
      Allt från Bowdenkablar
      • Bromsledningar
      • Kabeldrag & set
      • Kontrollelement
      • Spännnipplar & justerskruvar
      • Speedometerkablar
      • Tachodrivning
    • Hjul
      Allt från Hjul
      • Bromsar
      • Däck
      • Fälgar
      • Hjul
      • Slangar
      • Ventiler & smådelar
    • Service
      Allt från Service
      • Filter
      • Kilrem
      • Oljor
      • Rengöringsmedel
      • Uppsättningar
      • Verktyg
    • Olja & kemi
      Allt från Olja & kemi
      • Drivmedel
      • Fetter & smörjmedel
      • Lacker och kulörer
      • Lim och klister
      • Material till verkstaden
      • Oljor
      • Tätningsmedel
      • Vårdprodukter & rengöringsmedel
    • Tillbehör
      Allt från Tillbehör
      • Bagagehållare
      • Drosselsatser & Varvtalsbegränsare
      • Handelsvaror
      • Litteratur
      • Mobiltelefonhållare och Tillbehör
      • Särskilda tillbehör
      • Stöldskydd
      • Sturbbågar
      • TopCase
      • Väskor
      • Verkstadsutrustning
      • Vindskydd
    • Hjälmar & kläder
      Allt från Hjälmar & kläder
      • Glasögon & Visir
      • Handaskar
      • Hjälmar
      • Jackor & Byxor
      • T-shirts & skjortor
      • Tillbehör
    Dagens tips
    Bromshandtagssats -PRO BRAKE- justerbar - Royal Alloy GP 125-300, TG 125-300 - guldglänsande
    Pro Brake
    Bromshandtagssats -PRO BRAKE- justerbar - Royal Alloy GP 125-300, TG 125-300 - guldglänsande
    1138,66 kr*
  1. Piaggio 125/150/180 2T AC/LC
  2. TPH 125 (1995, ZAPM02000)
Motor
Elektriskt system
Ram och påbyggnadsdelar
Styrstänger & beslag
Bowdenkablar
Hjul
Service
Olja & kemi
Tillbehör
Hjälmar & kläder
Piaggio TPH 125 (1995, ZAPM02000)
  • Exploderade vyer
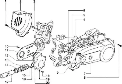
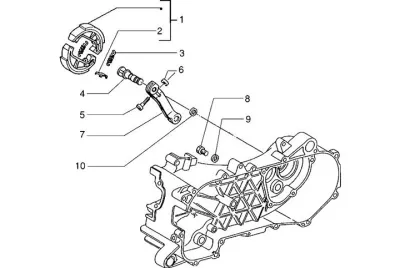
    • Anlassermotor - Startmotor
    • Avgasrör
    • Bakaxel
    • Bakbromsbelägg Bak
    • Bakfjädring
    • Baklykta - Blinkers
    • Bränslesystem
    • Bränsletank
    • Bromsok Fram - Bromsslang
    • Drivande Remskiva
    • Drivna Remskivor
    • Extrareservoar
    • Fjärrströmbrytare - Batteri
    • Förgasare
    • Förgasarkomponenter
    • Framflygel - Bakflygel
    • Framhjul
    • Frontsköld - Fotutrymmesskydd - Spoiler
    • Gaskabel
    • Gasreglage
    • Generator
    • Hjälmfack
    • Hölje
    • Instrumentgrupp - Styrkåpa
    • Kabelträd - Regulator - Tändspole
    • Låssats - Tändningslås - Strömbrytare - Tut
    • Luftfilter
    • Motor - Motordäcksats
    • Oljepump
    • Oljetank
    • Ram - Huvudställ
    • Sidoklädningar - Dekorationer
    • Sitsbank
    • Strålkastare - Blinkers
    • Styr Lager Sats
    • Styren - Koplingshandtag - Backspegel
    • Svingarm
    • Tachometeraxel - Bakre Broms Wire
    • Telegaffel
    • Växellåda
    • Vejhuskapsel
    • Vejvaxel
    • Zylinder - Kolv
    • Zylinderhuvud
Exploderade vyer
Piaggio TPH 125 (1995, ZAPM02000)
Anlassermotor - Startmotor
Anlassermotor - Startmotor
Avgasrör
Avgasrör
Bakaxel
Bakaxel
Bakbromsbelägg Bak
Bakbromsbelägg Bak
Bakfjädring
Bakfjädring
Baklykta - Blinkers
Baklykta - Blinkers
Bränslesystem
Bränslesystem
Bränsletank
Bränsletank
Bromsok Fram - Bromsslang
Bromsok Fram - Bromsslang
Drivande Remskiva
Drivande Remskiva
Drivna Remskivor
Drivna Remskivor
Extrareservoar
Extrareservoar
Fjärrströmbrytare - Batteri
Fjärrströmbrytare - Batteri
Förgasare
Förgasare
Förgasarkomponenter
Förgasarkomponenter
Framflygel - Bakflygel
Framflygel - Bakflygel
Framhjul
Framhjul
Frontsköld - Fotutrymmesskydd - Spoiler
Frontsköld - Fotutrymmesskydd - Spoiler
Gaskabel
Gaskabel
Gasreglage
Gasreglage
Generator
Generator
Hjälmfack
Hjälmfack
Hölje
Hölje
Instrumentgrupp - Styrkåpa
Instrumentgrupp - Styrkåpa
Kabelträd - Regulator - Tändspole
Kabelträd - Regulator - Tändspole
Låssats - Tändningslås - Strömbrytare - Tut
Låssats - Tändningslås - Strömbrytare - Tut
Luftfilter
Luftfilter
Motor - Motordäcksats
Motor - Motordäcksats
Oljepump
Oljepump
Oljetank
Oljetank
Ram - Huvudställ
Ram - Huvudställ
Sidoklädningar - Dekorationer
Sidoklädningar - Dekorationer
Sitsbank
Sitsbank
Strålkastare - Blinkers
Strålkastare - Blinkers
Styr Lager Sats
Styr Lager Sats
Styren - Koplingshandtag - Backspegel
Styren - Koplingshandtag - Backspegel
Svingarm
Svingarm
Tachometeraxel - Bakre Broms Wire
Tachometeraxel - Bakre Broms Wire
Telegaffel
Telegaffel
Växellåda
Växellåda
Vejhuskapsel
Vejhuskapsel
Vejvaxel
Vejvaxel
Zylinder - Kolv
Zylinder - Kolv
Zylinderhuvud
Zylinderhuvud
Prenumerera på Scooter Center Nyhetsbrev
Ange din e-postadress
Registrera dig för vårt nyhetsbrev nu och få 5 € rabatt på din nästa beställning på 50 € eller mer!
Håll dig alltid uppdaterad - med nyheter, kampanjer och exklusiva erbjudanden för skotrar och tuning.
Du kan när som helst avsluta din prenumeration. Dina uppgifter kommer inte att vidarebefordras till tredje part.
Scooter Center
Scooter Center
Om oss
Kontakta oss
Hur du kontaktar oss
Öppettider
För återförsäljare
Karriärsida
Vårt ansvar/ESG
 
Fraktservice
Fraktkostnader
Betalningsmetoder/priser
Returer/Returneringar
Köp voucher
Direktbeställning
Exploderade vyer
Våra fordon
VANLIGA FRÅGOR
Betalning och frakt
Sie können im Shop mit paypal zahlen Sie können im Shop per Vorkasse zahlen Sie können im Shop mit Kreditkarte zahlen Sie können im Shop mit Google Pay zahlen Sie können im Shop mit Apple Pay zahlen Sie können im Shop per Nachnahme zahlen Sie können im Shop mit Trustly zahlen Sie können im Shop mit iDEAL zahlen Sie können im Shop mit bancontact zahlen Sie können im Shop mit Bancomat Pay zahlen Sie können im Shop mit Amex zahlen Sie können im Shop mit BLIK zahlen
Fri leverans från ett ordervärde på 99 euro för alla slutkunder inom Tyskland.
Wir versenden mit DHL Wir versenden mit ups Wir versenden mit DPD Wir versenden mit Fedex Click & Collect
Ausgezeichnet durch das eKomi Siegel
Artikel utan TÜV och ABE om inte annat anges. Leveranstiderna gäller för leveranser inom Tyskland.
Alla rättigheter förbehållna © 2025 Scooter Center GmbH
Juridiska frågor
Miljömässiga förhållanden Förordning om små elektriska delar Rätt till avbeställning AGB & kundinformation Cookie-inställningar Juridiskt meddelande Integritetspolicy
* inkl. moms. exkl. frakt