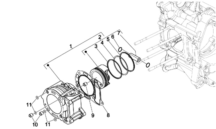
Cylinder
Vespa GTS 300ie Super (2015, ZAPM45202)
Sortera