mycket bra
4.7 / 5
Utskick idag med order i 4 h 11 min
Portofritt från 99€ (DE) Hög kundnöjdhet
Kontakt |Sekretess |AGB & Kundinformation |Impressum
Utskick idag med order i 4 h 11 min
Piaggio TPH 125 XR (2001, ZAPM02000) | Exploderade vyer Piaggio TPH 125 XR (2001, ZAPM02000) | Exploderade vyer
Blog DE DE  |  €
Mitt garage
Har du glömt ditt lösenord?
Skapa ett nytt kundkonto
0
  • Alla
    • Motor
      Allt från Motor
      • Avgaser
      • Cylinder
      • Drive
      • Förgasare
      • Inloppsgrenrör & membran
      • Insprutningssystem
      • Koppling
      • Kylning
      • Luftfilter
      • Motor & hölje
      • Motorer
      • Reparationssats
      • Skruvar & smådelar
      • Start
      • Tändning
      • Tätningar
      • Växellåda
      • Vevaxel
    • Elektriskt system
      Allt från Elektriskt system
      • Batterier
      • Belysning
      • Instrument
      • Kablar
      • Ljuskälla
      • Plug
      • Regulator, likriktare
      • Skruvar & smådelar
      • Startmotor
      • Strömbrytare
      • Tändning & generator
      • Tändstift
    • Ram och påbyggnadsdelar
      Allt från Ram och påbyggnadsdelar
      • Bokstäver
      • Bränslesystem
      • Gafflar
      • Huvud- och sidostativ
      • Lager för styrhuvud
      • Panelerande delar
      • Sitsbänkar
      • Skruvar & smådelar
      • Stötdämpare
    • Styrstänger & beslag
      Allt från Styrstänger & beslag
      • Broms och koppling
      • Handtag
      • Handtag för gasväxling
      • Instrument
      • Skruvar & smådelar
      • Spegel
      • Strömbrytare
      • Styren & kåpor
    • Bowdenkablar
      Allt från Bowdenkablar
      • Bromsledningar
      • Kabeldrag & set
      • Kontrollelement
      • Spännnipplar & justerskruvar
      • Speedometerkablar
      • Tachodrivningar
    • Hjul
      Allt från Hjul
      • Bromsar
      • Däck
      • Fälgar
      • Hjul
      • Slangar
      • Ventiler & smådelar
    • Service
      Allt från Service
      • Filter
      • Oljor
      • Uppsättningar
      • V-rem
      • Verktyg
    • Olja & kemi
      Allt från Olja & kemi
      • Driftsmaterial
      • Fetter & smörjmedel
      • Lacker och kulörer
      • Lim
      • Material till verkstaden
      • Oljor
      • Tätningsmedel
      • Vårdprodukter & rengöringsmedel
    • Tillbehör
      Allt från Tillbehör
      • Bagagehållare
      • Drosselsatser & Varvtalsbegränsare
      • Litteratur
      • Merchandise
      • Mobiltelefonhållare och Tillbehör
      • Specialtillbehör
      • Stöldskydd
      • Sturbbågar
      • Topplåda
      • Väskor
      • Verkstadsinredning
      • Vindrutor
    • Hjälmar & kläder
      Allt från Hjälmar & kläder
      • Glasögon & Visir
      • Handaskar
      • Hjälmar
      • Jackor & Byxor
      • T-shirt & skjortor
      • Tillbehör
    • Kuponger
    Dagens tips
    Bromsrengöringsmedel -NORMFEST MC1- 500ml
    Normfest
    Bromsrengöringsmedel -NORMFEST MC1- 500ml
    4,90 €*
  • Klassisk Vespa
    • Motor
      Allt från Motor
      • Avgaser
      • Cylinder
      • Drive
      • Förgasare
      • Inloppsgrenrör & membran
      • Koppling
      • Kylning
      • Luftfilter
      • Motor & hölje
      • Motorer
      • Revisionsuppsättning
      • Skruvar & smådelar
      • Start
      • Tändning
      • Tätningar
      • Växellåda
      • Vevaxel
    • Elektrisk Anläggning
      Allt från Elektrisk Anläggning
      • Belysning
      • Instrument
      • Kablar
      • Ljuskälla
      • Misshandlare
      • Plug
      • Regulator, likriktare
      • Skruvar & smådelar
      • Startmotor
      • Strömbrytare
      • Tändning & agenerator
      • Tändstift
    • Chassi
      Allt från Chassi
      • Bänkar
      • Bokstäver
      • Bränslesystem
      • Gafflar
      • Huvud- och sidostativ
      • Lager för styrhuvud
      • Panelerande delar
      • Skruvar & smådelar
      • Stötdämpare
    • Styren
      Allt från Styren
      • Broms och koppling
      • Handtag
      • Handtag för gasväxling
      • Instrument
      • Skruvar & smådelar
      • Spegel
      • Strömbrytare
      • Styren & kåpor
    • Bowdenvajrar
      Allt från Bowdenvajrar
      • Bromsledningar
      • Kabeldrag & set
      • Kontrollelement
      • Spännnipplar & justerskruvar
      • Speedometerkablar
      • Tachodrivning
    • Hjul
      Allt från Hjul
      • Bromsar
      • Däck
      • Fälgar
      • Hjul
      • Slangar
      • Ventiler & smådelar
    • Service
      Allt från Service
      • Filter
      • Oljor
      • Uppsättningar
      • Verktyg
    • Olja & Kemikalier
      Allt från Olja & Kemikalier
      • Driftsmaterial
      • Fetter & smörjmedel
      • Lacker och kulörer
      • Lim och klister
      • Material till verkstaden
      • Oljor
      • Tätningsmedel
      • Vårdprodukter & rengöringsmedel
    • Tillbehör
      Allt från Tillbehör
      • Bagagehållare
      • Hållare för mobiltelefoner & tillbehör
      • Handelsvaror
      • Litteratur
      • Särskilda tillbehör
      • Skyddsbåge
      • TopCase
      • Väskor
      • Verkstadsutrustning
      • Vindskydd
    • Hjälmar & Kläder
      Allt från Hjälmar & Kläder
      • Glasögon & visir
      • Handskar
      • Hjälmar
      • Jackor & byxor
      • T-shirts & skjortor
      • Tillbehör
    Dagens tips
    Komplett hjul - BGM Pro Superstrong - BGM Sport, slanglös, Vespa Largeframe PX, Sprint, Rally, GT, GTR, TS, T4, LML Star/Stella- 3.50 - 10 tum TL 59S (förstärkt) - fälg 2.10-10 svart matt
    Topp
    BGM PRO
    Komplett hjul - BGM Pro Superstrong - BGM Sport, slanglös, Vespa Largeframe PX, Sprint, Rally, GT, GTR, TS, T4, LML Star/Stella- 3.50 - 10 tum TL 59S (förstärkt) - fälg 2.10-10 svart matt
    159,00 €*
  • Vespa Modern
    • Motor
      Allt från Motor
      • Avgaser
      • Cylinder
      • Drive
      • Förgasare
      • Inloppsgrenrör & membran
      • Insprutningssystem
      • Koppling
      • Kylning
      • Luftfilter
      • Motor & hölje
      • Motorer
      • Revisionsuppsättning
      • Skruvar & smådelar
      • Start
      • Tändning
      • Tätningar
      • Växellåda
      • Vevaxel
    • Elektriskt system
      Allt från Elektriskt system
      • Batterier
      • Belysning
      • Instrument
      • Kablar
      • Ljuskälla
      • Plug
      • Regulator, likriktare
      • Skruvar & smådelar
      • Startmotor
      • Strömbrytare
      • Tändning & generator
      • Tändstift
    • Chassi
      Allt från Chassi
      • Bänkar
      • Bokstäver
      • Bränslesystem
      • Gafflar
      • Huvud- och sidostativ
      • Lager för styrhuvud
      • Panelerande delar
      • Skruvar & smådelar
      • Stötdämpare
    • Styrstänger & beslag
      Allt från Styrstänger & beslag
      • Broms och koppling
      • Handtag
      • Handtag för gasväxling
      • Instrument
      • Skruvar & smådelar
      • Spegel
      • Strömbrytare
      • Styren & kåpor
    • Bowdenkablar
      Allt från Bowdenkablar
      • Bromsledningar
      • Kabeldrag & set
      • Kontrollelement
      • Spännnipplar & justerskruvar
      • Speedometerkablar
      • Tachodrivning
    • Hjul
      Allt från Hjul
      • Bromsar
      • Däck
      • Fälgar
      • Hjul
      • Slangar
      • Ventiler & smådelar
    • Service
      Allt från Service
      • Filter
      • Oljor
      • Rengöringsmedel
      • Uppsättningar
      • V-rem
      • Verktyg
    • Olja & kemi
      Allt från Olja & kemi
      • Driftsmaterial
      • Fetter & smörjmedel
      • Lacker och kulörer
      • Lim
      • Material till verkstaden
      • Oljor
      • Tätningsmedel
      • Vårdprodukter & rengöringsmedel
    • Tillbehör
      Allt från Tillbehör
      • Bagagehållare
      • Hållare för mobiltelefoner & tillbehör
      • Handelsvaror
      • Litteratur
      • Särskilda tillbehör
      • Skyddsbåge
      • Stöldskydd
      • TopCase
      • Väskor
      • Verkstadsutrustning
      • Vindskydd
    • Hjälmar & kläder
      Allt från Hjälmar & kläder
      • Glasögon & visir
      • Handskar
      • Hjälmar
      • Jackor & byxor
      • T-shirts & skjortor
      • Tillbehör
    Dagens tips
    Skydd -VESPTEC- Vespa GTS 125-310 Keyless, GTV 125-310 Keyless - för fotstödsadapter MN1061
    VESPTEC
    Skydd -VESPTEC- Vespa GTS 125-310 Keyless, GTV 125-310 Keyless - för fotstödsadapter MN1061
    34,90 €*
  • Moped klassisk
    • Motor
      Allt från Motor
      • Avgaser
      • Cylinder
      • Drive
      • Förgasare
      • Inloppsgrenrör & membran
      • Koppling
      • Kylning
      • Luftfilter
      • Motor & hölje
      • Revisionsuppsättning
      • Skruvar & smådelar
      • Start
      • Tändning
      • Tätningar
      • Växellåda
      • Vevaxel
    • Elektriskt system
      Allt från Elektriskt system
      • Batterier
      • Belysning
      • Instrument
      • Kablar
      • Ljuskälla
      • Plug
      • Regulator, likriktare
      • Skruvar & smådelar
      • Strömbrytare
      • Tändning & generator
      • Tändstift
    • Ram och påbyggnadsdelar
      Allt från Ram och påbyggnadsdelar
      • Bänkar
      • Bokstäver
      • Bränslesystem
      • Gafflar
      • Huvud- och sidostativ
      • Lager för styrhuvud
      • Panelerande delar
      • Skruvar & smådelar
      • Stötdämpare
    • Styrstänger & beslag
      Allt från Styrstänger & beslag
      • Broms och koppling
      • Handtag
      • Handtag för gasväxling
      • Instrument
      • Skruvar & smådelar
      • Spegel
      • Strömbrytare
      • Styren & kåpor
    • Bowdenkablar
      Allt från Bowdenkablar
      • Kabeldrag & set
      • Kontrollelement
      • Spännnipplar & justerskruvar
      • Speedometerkablar
      • Tachodrivning
    • Hjul
      Allt från Hjul
      • Bromsar
      • Däck
      • Fälgar
      • Hjul
      • Slangar
      • Ventiler & smådelar
    • Service
      Allt från Service
      • Filter
      • Oljor
      • Verktyg
    • Olja & kemi
      Allt från Olja & kemi
      • Driftsmaterial
      • Fetter & smörjmedel
      • Lacker och kulörer
      • Lim och klister
      • Material till verkstaden
      • Oljor
      • Tätningsmedel
      • Vårdprodukter & rengöringsmedel
    • Tillbehör
      Allt från Tillbehör
      • Bagagehållare
      • Handelsvaror
      • Litteratur
      • Särskilda tillbehör
      • Stöldskydd
      • Väskor
      • Verkstadsutrustning
    • Hjälmar & kläder
      Allt från Hjälmar & kläder
      • Handskar
      • Hjälmar
      • T-shirts & skjortor
      • Tillbehör
    Dagens tips
    Cylindersats Schmitt Sportfreund Vertex Edition 50cc för Simson S51 KR512 SR50
    Schmitt
    Cylindersats Schmitt Sportfreund Vertex Edition 50cc för Simson S51 KR512 SR50
    265,00 €*
  • Lambretta
    • Motor
      Allt från Motor
      • Avgaser
      • Cylinder
      • Drive
      • Förgasare
      • Inloppsgrenrör & membran
      • Kickstarter
      • Koppling
      • Kylning
      • Luftfilter
      • Motor & hölje
      • Revisionsuppsättningar
      • Skruvar & Smådelar
      • Tändning
      • Tätningar
      • Växellåda
      • Vevaxel
    • Elektriskt system
      Allt från Elektriskt system
      • Batterier
      • Belysning
      • Instrument
      • Kabelhärvor
      • Ljuskälla
      • Plug
      • Regulator & likriktare
      • Skruvar & smådelar
      • Strömbrytare
      • Tändning & generator
      • Tändstift
    • Ram och påbyggnadsdelar
      Allt från Ram och påbyggnadsdelar
      • Bänkar
      • Bokstäver
      • Bränslesystem
      • Gafflar
      • Huvudstativ
      • Lager för styrhuvud
      • Panelerande delar
      • Skruvar & smådelar
      • Stötdämpare
    • Styrstänger & beslag
      Allt från Styrstänger & beslag
      • Broms och koppling
      • Handtag
      • Handtag för gasväxling
      • Instrument
      • Skruvar & smådelar
      • Spegel
      • Strömbrytare
      • Styren & kåpor
    • Bowdenkablar
      Allt från Bowdenkablar
      • Bromsledningar
      • Kabeldrag & set
      • Kontrollelement
      • Spännnipplar & justerskruvar
      • Speedometerkablar
      • Tachodrivning
    • Hjul
      Allt från Hjul
      • Bromsar
      • Däck
      • Fälgar
      • Hjul
      • Slangar
      • Ventiler & smådelar
    • Service
      Allt från Service
      • Oljor
      • Rengöringsmedel
      • Uppsättningar
      • Verktyg
    • Olja & kemi
      Allt från Olja & kemi
      • Driftsmaterial
      • Fetter & smörjmedel
      • Lacker och kulörer
      • Lim och klister
      • Material till verkstaden
      • Oljor
      • Tätningsmedel
      • Vårdprodukter & rengöringsmedel
    • Tillbehör
      Allt från Tillbehör
      • Bagagehållare
      • Hållare för mobiltelefoner & tillbehör
      • Handelsvaror
      • Litteratur
      • Särskilda tillbehör
      • Skyddsbåge
      • Stöldskydd
      • Väskor
      • Verkstadsutrustning
      • Vindskydd
    • Hjälmar &; kläder
      Allt från Hjälmar &; kläder
      • Handskar
      • Hjälmar
      • Jackor & byxor
      • T-shirts & skjortor
      • Tillbehör
    Dagens tips
    Gaffelfjäderkompressor -BGM PRO Tillverkad i Tyskland- Lambretta LI, LIS, SX, TV, DL, GP
    BGM PRO
    Gaffelfjäderkompressor -BGM PRO Tillverkad i Tyskland- Lambretta LI, LIS, SX, TV, DL, GP
    59,00 €*
  • Skoter 50-850cc
    • Motor
      Allt från Motor
      • Ansugsrör & Membran
      • Avgasrör
      • Bränsleinsprutningssystem
      • Cylinder
      • Drive
      • Förgasare
      • Koppling
      • Kylning
      • Luftfilter
      • Motorer
      • Motorhus
      • Reparationssats
      • Skruvar & Smådelar
      • Startmotor Kickstarter
      • Tändning
      • Tätningsmedel
      • Växellåda
      • Veaxell
    • Elektriskt system
      Allt från Elektriskt system
      • Batterier
      • Belysning
      • Brytare
      • Instrument
      • Kabel
      • Kontaktdon
      • Ljuskälla
      • Regulator, Likriktare
      • Skruvar & Smådelar
      • Startmotor
      • Tändning & Generator
      • Tändstift
    • Ram och påbyggnadsdelar
      Allt från Ram och påbyggnadsdelar
      • Bänkar
      • Bokstäver
      • Bränslesystem
      • Gafflar
      • Huvud- och sidostativ
      • Lager för styrhuvud
      • Panelerande delar
      • Skruvar & smådelar
      • Stötdämpare
    • Styrstänger & beslag
      Allt från Styrstänger & beslag
      • Broms och koppling
      • Handtag
      • Handtag för gasväxling
      • Instrument
      • Skruvar & smådelar
      • Spegel
      • Strömbrytare
      • Styren & kåpor
    • Bowdenkablar
      Allt från Bowdenkablar
      • Bromsledningar
      • Kabeldrag & set
      • Kontrollelement
      • Spännnipplar & justerskruvar
      • Speedometerkablar
      • Tachodrivning
    • Hjul
      Allt från Hjul
      • Bromsar
      • Däck
      • Fälgar
      • Hjul
      • Slangar
      • Ventiler & smådelar
    • Service
      Allt från Service
      • Filter
      • Kilrem
      • Oljor
      • Rengöringsmedel
      • Uppsättningar
      • Verktyg
    • Olja & kemi
      Allt från Olja & kemi
      • Drivmedel
      • Fetter & smörjmedel
      • Lacker och kulörer
      • Lim och klister
      • Material till verkstaden
      • Oljor
      • Tätningsmedel
      • Vårdprodukter & rengöringsmedel
    • Tillbehör
      Allt från Tillbehör
      • Bagagehållare
      • Drosselsatser & Varvtalsbegränsare
      • Handelsvaror
      • Litteratur
      • Mobiltelefonhållare och Tillbehör
      • Särskilda tillbehör
      • Stöldskydd
      • Sturbbågar
      • TopCase
      • Väskor
      • Verkstadsutrustning
      • Vindskydd
    • Hjälmar & kläder
      Allt från Hjälmar & kläder
      • Glasögon & Visir
      • Handaskar
      • Hjälmar
      • Jackor & Byxor
      • T-shirts & skjortor
      • Tillbehör
    Dagens tips
    Variomatic -POLINI Evolution High-Speed-Kit - 250-310 Quasar/HPE - GTS 250-310, GTV 300-310, Royal Alloy GP 300, TG 300, Italjet Dragster 300
    Polini
    Variomatic -POLINI Evolution High-Speed-Kit - 250-310 Quasar/HPE - GTS 250-310, GTV 300-310, Royal Alloy GP 300, TG 300, Italjet Dragster 300
    275,00 €*
  1. Piaggio 125/150/180 2T AC/LC
  2. TPH 125 XR (2001, ZAPM02000)
Motor
Elektriskt system
Ram och påbyggnadsdelar
Styrstänger & beslag
Bowdenkablar
Hjul
Service
Olja & kemi
Tillbehör
Hjälmar & kläder
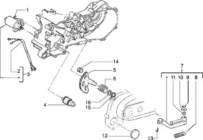
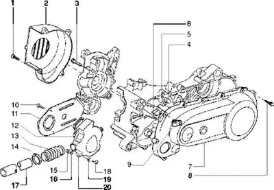
Piaggio TPH 125 XR (2001, ZAPM02000)
  • Exploderade vyer
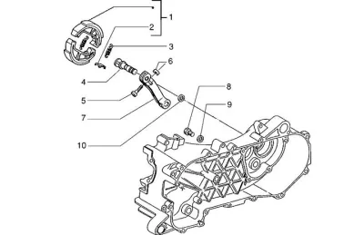
    • Anlassermotor - Startmotor
    • Avgasrör
    • Bakaxel
    • Bakbromsbelägg Bak
    • Bakfjädring
    • Baklykta - Blinkers
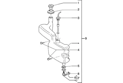
    • Bränslesystem
    • Bränsletank
    • Bromsok Fram - Bromsslang
    • Drivande Remskiva
    • Drivna Remskivor
    • Extrareservoar
    • Fjärrströmbrytare - Batteri
    • Förgasare
    • Förgasarkomponenter
    • Framflygel - Bakflygel
    • Framhjul
    • Frontsköld - Fotutrymmesskydd - Spoiler
    • Gaskabel
    • Gasreglage
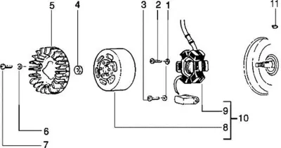
    • Generator
    • Hjälmfack
    • Hölje
    • Instrumentgrupp - Styrkåpa
    • Kabelträd - Regulator - Tändspole
    • Låssats - Tändningslås - Strömbrytare - Tut
    • Luftfilter
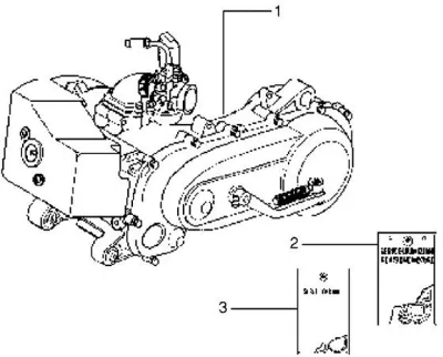
    • Motor - Motordäcksats
    • Oljepump
    • Oljetank
    • Ram - Huvudställ
    • Sidoklädningar - Dekorationer
    • Sitsbank
    • Strålkastare - Blinkers
    • Styr Lager Sats
    • Styren - Koplingshandtag - Backspegel
    • Svingarm
    • Tachometeraxel - Bakre Broms Wire
    • Telegaffel
    • Växellåda
    • Vejhuskapsel
    • Vejvaxel
    • Zylinder - Kolv
    • Zylinderhuvud
Exploderade vyer
Piaggio TPH 125 XR (2001, ZAPM02000)
Anlassermotor - Startmotor
Anlassermotor - Startmotor
Avgasrör
Avgasrör
Bakaxel
Bakaxel
Bakbromsbelägg Bak
Bakbromsbelägg Bak
Bakfjädring
Bakfjädring
Baklykta - Blinkers
Baklykta - Blinkers
Bränslesystem
Bränslesystem
Bränsletank
Bränsletank
Bromsok Fram - Bromsslang
Bromsok Fram - Bromsslang
Drivande Remskiva
Drivande Remskiva
Drivna Remskivor
Drivna Remskivor
Extrareservoar
Extrareservoar
Fjärrströmbrytare - Batteri
Fjärrströmbrytare - Batteri
Förgasare
Förgasare
Förgasarkomponenter
Förgasarkomponenter
Framflygel - Bakflygel
Framflygel - Bakflygel
Framhjul
Framhjul
Frontsköld - Fotutrymmesskydd - Spoiler
Frontsköld - Fotutrymmesskydd - Spoiler
Gaskabel
Gaskabel
Gasreglage
Gasreglage
Generator
Generator
Hjälmfack
Hjälmfack
Hölje
Hölje
Instrumentgrupp - Styrkåpa
Instrumentgrupp - Styrkåpa
Kabelträd - Regulator - Tändspole
Kabelträd - Regulator - Tändspole
Låssats - Tändningslås - Strömbrytare - Tut
Låssats - Tändningslås - Strömbrytare - Tut
Luftfilter
Luftfilter
Motor - Motordäcksats
Motor - Motordäcksats
Oljepump
Oljepump
Oljetank
Oljetank
Ram - Huvudställ
Ram - Huvudställ
Sidoklädningar - Dekorationer
Sidoklädningar - Dekorationer
Sitsbank
Sitsbank
Strålkastare - Blinkers
Strålkastare - Blinkers
Styr Lager Sats
Styr Lager Sats
Styren - Koplingshandtag - Backspegel
Styren - Koplingshandtag - Backspegel
Svingarm
Svingarm
Tachometeraxel - Bakre Broms Wire
Tachometeraxel - Bakre Broms Wire
Telegaffel
Telegaffel
Växellåda
Växellåda
Vejhuskapsel
Vejhuskapsel
Vejvaxel
Vejvaxel
Zylinder - Kolv
Zylinder - Kolv
Zylinderhuvud
Zylinderhuvud
Prenumerera på Scooter Center Nyhetsbrev
Ange din e-postadress
Registrera dig för vårt nyhetsbrev nu och få 5 € rabatt på din nästa beställning på 50 € eller mer!
Håll dig alltid uppdaterad - med nyheter, kampanjer och exklusiva erbjudanden för skotrar och tuning.
Du kan när som helst avsluta din prenumeration. Dina uppgifter kommer inte att vidarebefordras till tredje part.
Scooter Center
mycket bra 4.7 / 5
Scooter Center
Om oss
Kontakta oss
Hur du kontaktar oss
Öppettider
För återförsäljare
Karriärsida
Vårt ansvar/ESG
 
Fraktservice
Fraktkostnader
Betalningsmetoder/priser
Returer/Returneringar
Köp voucher
Direktbeställning
Exploderade vyer
Våra fordon
VANLIGA FRÅGOR
Betalning och frakt
Sie können im Shop mit paypal zahlen Sie können im Shop per Vorkasse zahlen Sie können im Shop mit Kreditkarte zahlen Sie können im Shop mit Google Pay zahlen Sie können im Shop mit Apple Pay zahlen Sie können im Shop per Nachnahme zahlen Sie können im Shop mit Trustly zahlen Sie können im Shop mit iDEAL zahlen Sie können im Shop mit bancontact zahlen Sie können im Shop mit Bancomat Pay zahlen Sie können im Shop mit Amex zahlen Sie können im Shop mit BLIK zahlen
Fri leverans från ett ordervärde på 99 euro för alla slutkunder inom Tyskland.
Wir versenden mit DHL Wir versenden mit ups Wir versenden mit DPD Wir versenden mit Fedex Click & Collect
Ausgezeichnet durch das eKomi Siegel
Artikel utan TÜV och ABE om inte annat anges. Leveranstiderna gäller för leveranser inom Tyskland.
Alla rättigheter förbehållna © 2025 Scooter Center GmbH
Juridiska frågor
Miljömässiga förhållanden Förordning om små elektriska delar Rätt till avbeställning AGB & kundinformation Cookie-inställningar Juridiskt meddelande Integritetspolicy
* inkl. moms. exkl. frakt