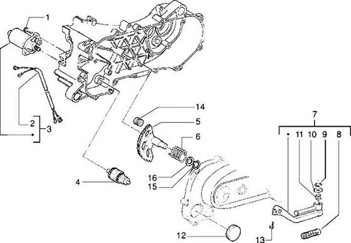
Anlassermotor - Startmotor
Piaggio TPH 125 XR (2001, ZAPM02000)
Sortera