mycket bra
4.7 / 5
Utskick idag med order i 6 h 13 min
Portofritt från 99€ (DE) Hög kundnöjdhet
Kontakt |Sekretess |AGB & Kundinformation |Impressum
Utskick idag med order i 6 h 13 min
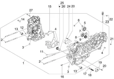
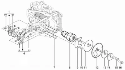
Vespa GTS 125ie Super (2014, ZAPM45300) | Exploderade vyer Vespa GTS 125ie Super (2014, ZAPM45300) | Exploderade vyer
Blog DE  |  €
Mitt fordon
Har du glömt ditt lösenord?
Skapa ett nytt kundkonto
0
  • Alla
    • Motor
      Allt från Motor
      • Avgaser
      • Cylinder
      • Drive
      • Förgasare
      • Inloppsgrenrör & membran
      • Insprutningssystem
      • Koppling
      • Kylning
      • Luftfilter
      • Motor & hölje
      • Motorer
      • Reparationssats
      • Skruvar & smådelar
      • Start
      • Tändning
      • Tätningar
      • Växellåda
      • Vevaxel
    • Elektriskt system
      Allt från Elektriskt system
      • Batterier
      • Belysning
      • Instrument
      • Kablar
      • Ljuskälla
      • Plug
      • Regulator, likriktare
      • Skruvar & smådelar
      • Startmotor
      • Strömbrytare
      • Tändning & generator
      • Tändstift
    • Ram och påbyggnadsdelar
      Allt från Ram och påbyggnadsdelar
      • Bokstäver
      • Bränslesystem
      • Gafflar
      • Huvud- och sidostativ
      • Lager för styrhuvud
      • Panelerande delar
      • Sitsbänkar
      • Skruvar & smådelar
      • Stötdämpare
    • Styrstänger & beslag
      Allt från Styrstänger & beslag
      • Broms och koppling
      • Handtag
      • Handtag för gasväxling
      • Instrument
      • Skruvar & smådelar
      • Spegel
      • Strömbrytare
      • Styren & kåpor
    • Bowdenkablar
      Allt från Bowdenkablar
      • Bromsledningar
      • Kabeldrag & set
      • Kontrollelement
      • Spännnipplar & justerskruvar
      • Speedometerkablar
      • Tachodrivningar
    • Hjul
      Allt från Hjul
      • Bromsar
      • Däck
      • Fälgar
      • Hjul
      • Slangar
      • Ventiler & smådelar
    • Service
      Allt från Service
      • Filter
      • Oljor
      • Uppsättningar
      • V-rem
      • Verktyg
    • Olja & kemi
      Allt från Olja & kemi
      • Driftsmaterial
      • Fetter & smörjmedel
      • Lacker och kulörer
      • Lim
      • Material till verkstaden
      • Oljor
      • Tätningsmedel
      • Vårdprodukter & rengöringsmedel
    • Tillbehör
      Allt från Tillbehör
      • Bagagehållare
      • Drosselsatser & Varvtalsbegränsare
      • Litteratur
      • Merchandise
      • Mobiltelefonhållare och Tillbehör
      • Specialtillbehör
      • Stöldskydd
      • Sturbbågar
      • Topplåda
      • Väskor
      • Verkstadsinredning
      • Vindrutor
    • Hjälmar & kläder
      Allt från Hjälmar & kläder
      • Glasögon & Visir
      • Handaskar
      • Hjälmar
      • Jackor & Byxor
      • T-shirt & skjortor
      • Tillbehör
    • Kuponger
    Dagens tips
    Batteriladdare -H-TRONIC AL 300Pro- 2V, 6V, 12V
    H-Tronic
    Batteriladdare -H-TRONIC AL 300Pro- 2V, 6V, 12V
    16,90 €*
  • Klassisk Vespa
    • Motor
      Allt från Motor
      • Avgaser
      • Cylinder
      • Drive
      • Förgasare
      • Inloppsgrenrör & membran
      • Koppling
      • Kylning
      • Luftfilter
      • Motor & hölje
      • Motorer
      • Revisionsuppsättning
      • Skruvar & smådelar
      • Start
      • Tändning
      • Tätningar
      • Växellåda
      • Vevaxel
    • Elektrisk Anläggning
      Allt från Elektrisk Anläggning
      • Belysning
      • Instrument
      • Kablar
      • Ljuskälla
      • Misshandlare
      • Plug
      • Regulator, likriktare
      • Skruvar & smådelar
      • Startmotor
      • Strömbrytare
      • Tändning & agenerator
      • Tändstift
    • Chassi
      Allt från Chassi
      • Bänkar
      • Bokstäver
      • Bränslesystem
      • Gafflar
      • Huvud- och sidostativ
      • Lager för styrhuvud
      • Panelerande delar
      • Skruvar & smådelar
      • Stötdämpare
    • Styren
      Allt från Styren
      • Broms och koppling
      • Handtag
      • Handtag för gasväxling
      • Instrument
      • Skruvar & smådelar
      • Spegel
      • Strömbrytare
      • Styren & kåpor
    • Bowdenvajrar
      Allt från Bowdenvajrar
      • Bromsledningar
      • Kabeldrag & set
      • Kontrollelement
      • Spännnipplar & justerskruvar
      • Speedometerkablar
      • Tachodrivning
    • Hjul
      Allt från Hjul
      • Bromsar
      • Däck
      • Fälgar
      • Hjul
      • Slangar
      • Ventiler & smådelar
    • Service
      Allt från Service
      • Filter
      • Oljor
      • Uppsättningar
      • Verktyg
    • Olja & Kemikalier
      Allt från Olja & Kemikalier
      • Driftsmaterial
      • Fetter & smörjmedel
      • Lacker och kulörer
      • Lim och klister
      • Material till verkstaden
      • Oljor
      • Tätningsmedel
      • Vårdprodukter & rengöringsmedel
    • Tillbehör
      Allt från Tillbehör
      • Bagagehållare
      • Hållare för mobiltelefoner & tillbehör
      • Handelsvaror
      • Litteratur
      • Särskilda tillbehör
      • Skyddsbåge
      • TopCase
      • Väskor
      • Verkstadsutrustning
      • Vindskydd
    • Hjälmar & Kläder
      Allt från Hjälmar & Kläder
      • Glasögon & visir
      • Handskar
      • Hjälmar
      • Jackor & byxor
      • T-shirts & skjortor
      • Tillbehör
    Dagens tips
    Hjul -BGM Pro Superstrong tubeless 2.10-10 tum aluminium- Vespa V50, 50N, Special, PV, ET3, PK50-125 (S/XL/XL2), PX, T5, Sprint, Rally, GT/GTR, LML Star, Deluxe, Stella - svart matt
    Ny
    Topp
    BGM PRO
    Hjul -BGM Pro Superstrong tubeless 2.10-10 tum aluminium- Vespa V50, 50N, Special, PV, ET3, PK50-125 (S/XL/XL2), PX, T5, Sprint, Rally, GT/GTR, LML Star, Deluxe, Stella - svart matt
    89,00 €*
  • Vespa Modern
    • Motor
      Allt från Motor
      • Avgaser
      • Cylinder
      • Drive
      • Förgasare
      • Inloppsgrenrör & membran
      • Insprutningssystem
      • Koppling
      • Kylning
      • Luftfilter
      • Motor & hölje
      • Motorer
      • Revisionsuppsättning
      • Skruvar & smådelar
      • Start
      • Tändning
      • Tätningar
      • Växellåda
      • Vevaxel
    • Elektriskt system
      Allt från Elektriskt system
      • Batterier
      • Belysning
      • Instrument
      • Kablar
      • Ljuskälla
      • Plug
      • Regulator, likriktare
      • Skruvar & smådelar
      • Startmotor
      • Strömbrytare
      • Tändning & generator
      • Tändstift
    • Chassi
      Allt från Chassi
      • Bänkar
      • Bokstäver
      • Bränslesystem
      • Gafflar
      • Huvud- och sidostativ
      • Lager för styrhuvud
      • Panelerande delar
      • Skruvar & smådelar
      • Stötdämpare
    • Styrstänger & beslag
      Allt från Styrstänger & beslag
      • Broms och koppling
      • Handtag
      • Handtag för gasväxling
      • Instrument
      • Skruvar & smådelar
      • Spegel
      • Strömbrytare
      • Styren & kåpor
    • Bowdenkablar
      Allt från Bowdenkablar
      • Bromsledningar
      • Kabeldrag & set
      • Kontrollelement
      • Spännnipplar & justerskruvar
      • Speedometerkablar
      • Tachodrivning
    • Hjul
      Allt från Hjul
      • Bromsar
      • Däck
      • Fälgar
      • Hjul
      • Slangar
      • Ventiler & smådelar
    • Service
      Allt från Service
      • Filter
      • Oljor
      • Rengöringsmedel
      • Uppsättningar
      • V-rem
      • Verktyg
    • Olja & kemi
      Allt från Olja & kemi
      • Driftsmaterial
      • Fetter & smörjmedel
      • Lacker och kulörer
      • Lim
      • Material till verkstaden
      • Oljor
      • Tätningsmedel
      • Vårdprodukter & rengöringsmedel
    • Tillbehör
      Allt från Tillbehör
      • Bagagehållare
      • Hållare för mobiltelefoner & tillbehör
      • Handelsvaror
      • Litteratur
      • Särskilda tillbehör
      • Skyddsbåge
      • Stöldskydd
      • TopCase
      • Väskor
      • Verkstadsutrustning
      • Vindskydd
    • Hjälmar & kläder
      Allt från Hjälmar & kläder
      • Glasögon & visir
      • Handskar
      • Hjälmar
      • Jackor & byxor
      • T-shirts & skjortor
      • Tillbehör
    Dagens tips
    CDI -POLINI ECM- Piaggio 50 ccm 4-takts (3-ventils) - Vespa Primavera 50 3V iGet (Euro5), Sprint 50 iGet (Euro5), Piaggio Liberty 50 iGet (Euro5)
    Polini
    CDI -POLINI ECM- Piaggio 50 ccm 4-takts (3-ventils) - Vespa Primavera 50 3V iGet (Euro5), Sprint 50 iGet (Euro5), Piaggio Liberty 50 iGet (Euro5)
    265,00 €*
  • Moped klassisk
    • Motor
      Allt från Motor
      • Avgaser
      • Cylinder
      • Drive
      • Förgasare
      • Inloppsgrenrör & membran
      • Koppling
      • Kylning
      • Luftfilter
      • Motor & hölje
      • Revisionsuppsättning
      • Skruvar & smådelar
      • Start
      • Tändning
      • Tätningar
      • Växellåda
      • Vevaxel
    • Elektriskt system
      Allt från Elektriskt system
      • Batterier
      • Belysning
      • Instrument
      • Kablar
      • Ljuskälla
      • Plug
      • Regulator, likriktare
      • Skruvar & smådelar
      • Strömbrytare
      • Tändning & generator
      • Tändstift
    • Ram och påbyggnadsdelar
      Allt från Ram och påbyggnadsdelar
      • Bänkar
      • Bokstäver
      • Bränslesystem
      • Gafflar
      • Huvud- och sidostativ
      • Lager för styrhuvud
      • Panelerande delar
      • Skruvar & smådelar
      • Stötdämpare
    • Styrstänger & beslag
      Allt från Styrstänger & beslag
      • Broms och koppling
      • Handtag
      • Handtag för gasväxling
      • Instrument
      • Skruvar & smådelar
      • Spegel
      • Strömbrytare
      • Styren & kåpor
    • Bowdenkablar
      Allt från Bowdenkablar
      • Kabeldrag & set
      • Kontrollelement
      • Spännnipplar & justerskruvar
      • Speedometerkablar
      • Tachodrivning
    • Hjul
      Allt från Hjul
      • Bromsar
      • Däck
      • Fälgar
      • Hjul
      • Slangar
      • Ventiler & smådelar
    • Service
      Allt från Service
      • Filter
      • Oljor
      • Verktyg
    • Olja & kemi
      Allt från Olja & kemi
      • Driftsmaterial
      • Fetter & smörjmedel
      • Lacker och kulörer
      • Lim och klister
      • Material till verkstaden
      • Oljor
      • Tätningsmedel
      • Vårdprodukter & rengöringsmedel
    • Tillbehör
      Allt från Tillbehör
      • Bagagehållare
      • Handelsvaror
      • Litteratur
      • Särskilda tillbehör
      • Stöldskydd
      • Väskor
      • Verkstadsutrustning
    • Hjälmar & kläder
      Allt från Hjälmar & kläder
      • Handskar
      • Hjälmar
      • T-shirts & skjortor
      • Tillbehör
    Dagens tips
    Kopplingsklocka -BGM PRO- Piaggio Ciao, Bravo, Boxer, Si - i ett stycke med kylflänsar, CNC-tillverkad i Tyskland, modeller med variator
    BGM PRO
    Kopplingsklocka -BGM PRO- Piaggio Ciao, Bravo, Boxer, Si - i ett stycke med kylflänsar, CNC-tillverkad i Tyskland, modeller med variator
    129,00 €*
  • Lambretta
    • Motor
      Allt från Motor
      • Avgaser
      • Cylinder
      • Drive
      • Förgasare
      • Inloppsgrenrör & membran
      • Kickstarter
      • Koppling
      • Kylning
      • Luftfilter
      • Motor & hölje
      • Revisionsuppsättningar
      • Skruvar & Smådelar
      • Tändning
      • Tätningar
      • Växellåda
      • Vevaxel
    • Elektriskt system
      Allt från Elektriskt system
      • Batterier
      • Belysning
      • Instrument
      • Kabelhärvor
      • Ljuskälla
      • Plug
      • Regulator & likriktare
      • Skruvar & smådelar
      • Strömbrytare
      • Tändning & generator
      • Tändstift
    • Ram och påbyggnadsdelar
      Allt från Ram och påbyggnadsdelar
      • Bänkar
      • Bokstäver
      • Bränslesystem
      • Gafflar
      • Huvudstativ
      • Lager för styrhuvud
      • Panelerande delar
      • Skruvar & smådelar
      • Stötdämpare
    • Styrstänger & beslag
      Allt från Styrstänger & beslag
      • Broms och koppling
      • Handtag
      • Handtag för gasväxling
      • Instrument
      • Skruvar & smådelar
      • Spegel
      • Strömbrytare
      • Styren & kåpor
    • Bowdenkablar
      Allt från Bowdenkablar
      • Bromsledningar
      • Kabeldrag & set
      • Kontrollelement
      • Spännnipplar & justerskruvar
      • Speedometerkablar
      • Tachodrivning
    • Hjul
      Allt från Hjul
      • Bromsar
      • Däck
      • Fälgar
      • Hjul
      • Slangar
      • Ventiler & smådelar
    • Service
      Allt från Service
      • Oljor
      • Rengöringsmedel
      • Uppsättningar
      • Verktyg
    • Olja & kemi
      Allt från Olja & kemi
      • Driftsmaterial
      • Fetter & smörjmedel
      • Lacker och kulörer
      • Lim och klister
      • Material till verkstaden
      • Oljor
      • Tätningsmedel
      • Vårdprodukter & rengöringsmedel
    • Tillbehör
      Allt från Tillbehör
      • Bagagehållare
      • Hållare för mobiltelefoner & tillbehör
      • Handelsvaror
      • Litteratur
      • Särskilda tillbehör
      • Skyddsbåge
      • Stöldskydd
      • Väskor
      • Verkstadsutrustning
      • Vindskydd
    • Hjälmar &; kläder
      Allt från Hjälmar &; kläder
      • Handskar
      • Hjälmar
      • Jackor & byxor
      • T-shirts & skjortor
      • Tillbehör
    Dagens tips
    Avgasrör -BGM PRO MZ30 Franspeed by Andy Francis Scooters- Lambretta Series 3 - utan ljuddämpare - svart - LI 125, LI 150, LiS 125, LiS 150, TV 175, SX, TV, GT, GP 125, 150, 200
    BGM PRO
    Avgasrör -BGM PRO MZ30 Franspeed by Andy Francis Scooters- Lambretta Series 3 - utan ljuddämpare - svart - LI 125, LI 150, LiS 125, LiS 150, TV 175, SX, TV, GT, GP 125, 150, 200
    439,00 €*
  • Skoter 50-850cc
    • Motor
      Allt från Motor
      • Ansugsrör & Membran
      • Avgasrör
      • Bränsleinsprutningssystem
      • Cylinder
      • Drive
      • Förgasare
      • Koppling
      • Kylning
      • Luftfilter
      • Motorer
      • Motorhus
      • Reparationssats
      • Skruvar & Smådelar
      • Startmotor Kickstarter
      • Tändning
      • Tätningsmedel
      • Växellåda
      • Veaxell
    • Elektriskt system
      Allt från Elektriskt system
      • Batterier
      • Belysning
      • Brytare
      • Instrument
      • Kabel
      • Kontaktdon
      • Ljuskälla
      • Regulator, Likriktare
      • Skruvar & Smådelar
      • Startmotor
      • Tändning & Generator
      • Tändstift
    • Ram och påbyggnadsdelar
      Allt från Ram och påbyggnadsdelar
      • Bänkar
      • Bokstäver
      • Bränslesystem
      • Gafflar
      • Huvud- och sidostativ
      • Lager för styrhuvud
      • Panelerande delar
      • Skruvar & smådelar
      • Stötdämpare
    • Styrstänger & beslag
      Allt från Styrstänger & beslag
      • Broms och koppling
      • Handtag
      • Handtag för gasväxling
      • Instrument
      • Skruvar & smådelar
      • Spegel
      • Strömbrytare
      • Styren & kåpor
    • Bowdenkablar
      Allt från Bowdenkablar
      • Bromsledningar
      • Kabeldrag & set
      • Kontrollelement
      • Spännnipplar & justerskruvar
      • Speedometerkablar
      • Tachodrivning
    • Hjul
      Allt från Hjul
      • Bromsar
      • Däck
      • Fälgar
      • Hjul
      • Slangar
      • Ventiler & smådelar
    • Service
      Allt från Service
      • Filter
      • Kilrem
      • Oljor
      • Rengöringsmedel
      • Uppsättningar
      • Verktyg
    • Olja & kemi
      Allt från Olja & kemi
      • Drivmedel
      • Fetter & smörjmedel
      • Lacker och kulörer
      • Lim och klister
      • Material till verkstaden
      • Oljor
      • Tätningsmedel
      • Vårdprodukter & rengöringsmedel
    • Tillbehör
      Allt från Tillbehör
      • Bagagehållare
      • Drosselsatser & Varvtalsbegränsare
      • Handelsvaror
      • Litteratur
      • Mobiltelefonhållare och Tillbehör
      • Särskilda tillbehör
      • Stöldskydd
      • Sturbbågar
      • TopCase
      • Väskor
      • Verkstadsutrustning
      • Vindskydd
    • Hjälmar & kläder
      Allt från Hjälmar & kläder
      • Glasögon & Visir
      • Handaskar
      • Hjälmar
      • Jackor & Byxor
      • T-shirts & skjortor
      • Tillbehör
    Dagens tips
    Bromshandtagssats -PRO BRAKE- justerbar - Royal Alloy GP 125-300, TG 125-300 - glänsande svart
    Pro Brake
    Bromshandtagssats -PRO BRAKE- justerbar - Royal Alloy GP 125-300, TG 125-300 - glänsande svart
    99,00 €*
  1. Exploderade vyer
  2. Vespa GTL/GTS/GTV 125/150/200
  3. Vespa GTS 125ie Super (2014, ZAPM45300)
Motor
Elektriskt system
Chassi
Styrstänger & beslag
Bowdenkablar
Hjul
Service
Olja & kemi
Tillbehör
Hjälmar & kläder
Vespa GTS 125ie Super (2014, ZAPM45300)
  • Exploderade vyer
    • Avgasrör
    • Bagagehållare Bak
    • Bagageutrymme
    • Bakåtspegel
    • Bakaxel
    • Bakfjädring
    • Baklykta
    • Batteri
    • Bränsletank
    • Bromssystem Abs
    • Brytare
    • Chassi
    • Cylinder
    • Dekorationer
    • Drivande Remskiva
    • Drivna Remskivor
    • Drosselklappshus
    • Fotrymmslock
    • Framgaffel
    • Framhjul
    • Framskylt
    • Generator
    • Hjälmfack
    • Hölje
    • Huvudställ
    • Kabelstam
    • Kylare
    • Låssats
    • Luftfilter
    • Motor
    • Oljefilter
    • Oljepump
    • Registreringsskylthållare
    • Regulator
    • Sidokåpor
    • Sitsbank
    • Skärm
    • Startmotor
    • Strålkastare
    • Styren
    • Styrslålock
    • Svängarmsfäste
    • Svingarm
    • Varvräknare
    • Vattenpump
    • Växellåda
    • Vejhuskapsel
    • Vejvaxel
    • Zylinderhuvud
    • Zylinderhuvuden
Exploderade vyer
Vespa GTS 125ie Super (2014, ZAPM45300)
Avgasrör
Avgasrör
Bagagehållare Bak
Bagagehållare Bak
Bagageutrymme
Bagageutrymme
Bakåtspegel
Bakåtspegel
Bakaxel
Bakaxel
Bakfjädring
Bakfjädring
Baklykta
Baklykta
Batteri
Batteri
Bränsletank
Bränsletank
Bromssystem Abs
Bromssystem Abs
Brytare
Brytare
Chassi
Chassi
Cylinder
Cylinder
Dekorationer
Dekorationer
Drivande Remskiva
Drivande Remskiva
Drivna Remskivor
Drivna Remskivor
Drosselklappshus
Drosselklappshus
Fotrymmslock
Fotrymmslock
Framgaffel
Framgaffel
Framhjul
Framhjul
Framskylt
Framskylt
Generator
Generator
Hjälmfack
Hjälmfack
Hölje
Hölje
Huvudställ
Huvudställ
Kabelstam
Kabelstam
Kylare
Kylare
Låssats
Låssats
Luftfilter
Luftfilter
Motor
Motor
Oljefilter
Oljefilter
Oljepump
Oljepump
Registreringsskylthållare
Registreringsskylthållare
Regulator
Regulator
Sidokåpor
Sidokåpor
Sitsbank
Sitsbank
Skärm
Skärm
Startmotor
Startmotor
Strålkastare
Strålkastare
Styren
Styren
Styrslålock
Styrslålock
Svängarmsfäste
Svängarmsfäste
Svingarm
Svingarm
Varvräknare
Varvräknare
Vattenpump
Vattenpump
Växellåda
Växellåda
Vejhuskapsel
Vejhuskapsel
Vejvaxel
Vejvaxel
Zylinderhuvud
Zylinderhuvud
Zylinderhuvuden
Zylinderhuvuden
Prenumerera på Scooter Center Nyhetsbrev
Ange din e-postadress
Registrera dig för vårt nyhetsbrev nu och få 5 € rabatt på din nästa beställning på 50 € eller mer!
Håll dig alltid uppdaterad - med nyheter, kampanjer och exklusiva erbjudanden för skotrar och tuning.
Du kan när som helst avsluta din prenumeration. Dina uppgifter kommer inte att vidarebefordras till tredje part.
Scooter Center
mycket bra 4.7 / 5
Scooter Center
Om oss
Kontakta oss
Hur du kontaktar oss
Öppettider
För återförsäljare
Karriärsida
Vårt ansvar/ESG
 
Fraktservice
Fraktkostnader
Betalningsmetoder/priser
Returer/Returneringar
Köp voucher
Direktbeställning
Sprängskisser
FRÅGOR OCH SVAR
Betalning och frakt
Sie können im Shop mit paypal zahlen Sie können im Shop per Vorkasse zahlen Sie können im Shop mit Kreditkarte zahlen Sie können im Shop mit Google Pay zahlen Sie können im Shop mit Apple Pay zahlen Sie können im Shop per Nachnahme zahlen Sie können im Shop mit Trustly zahlen Sie können im Shop mit iDEAL zahlen Sie können im Shop mit bancontact zahlen Sie können im Shop mit Bancomat Pay zahlen Sie können im Shop mit Amex zahlen Sie können im Shop mit BLIK zahlen
Fri leverans från ett ordervärde på 99 euro för alla slutkunder inom Tyskland.
Wir versenden mit DHL Wir versenden mit ups Wir versenden mit DPD Wir versenden mit Fedex Click & Collect
Ausgezeichnet durch das eKomi Siegel
Artikel utan TÜV och ABE om inte annat anges. Leveranstiderna gäller för leveranser inom Tyskland.
Alla rättigheter förbehållna © 2025 Scooter Center GmbH
Juridiska frågor
Miljömässiga förhållanden Förordning om små elektriska delar Rätt till avbeställning AGB & kundinformation Cookie-inställningar Juridiskt meddelande Integritetspolicy
* inkl. moms. exkl. frakt