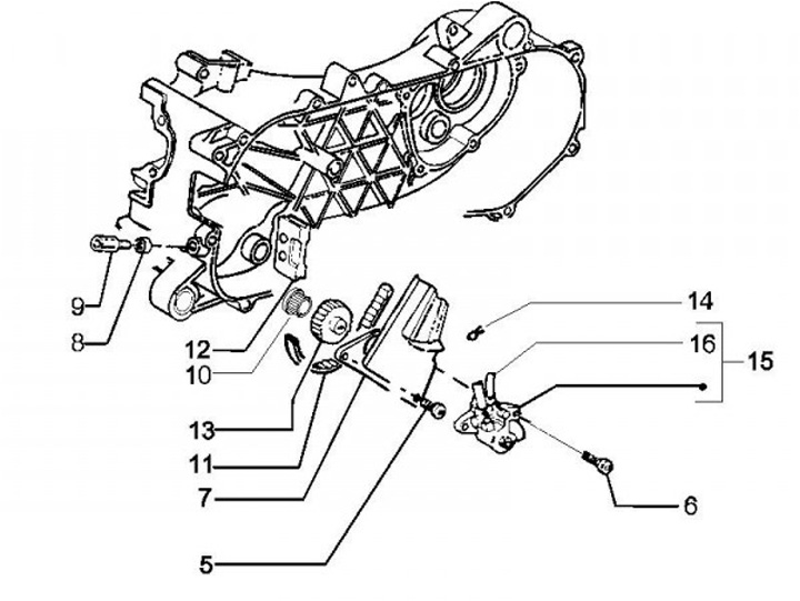
Oljepump
Gilera Runner 50 RST Purejet SC (2006, ZAPC46200)
Sortera