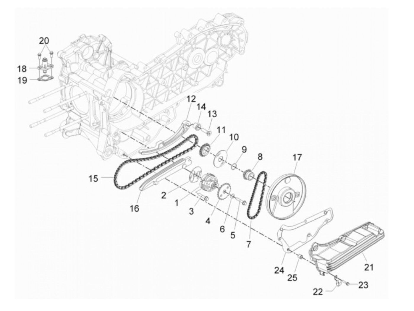
Oljepump
Vespa GTS 300ie Sei Giorni II HPE ABS (2021, ZAPMD3102)
Sortera