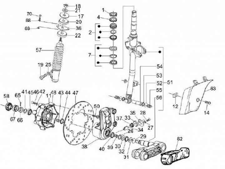
Styrlager
Vespa LX 50 (4-Takt, 2009, ZAPC38700)
Sortera