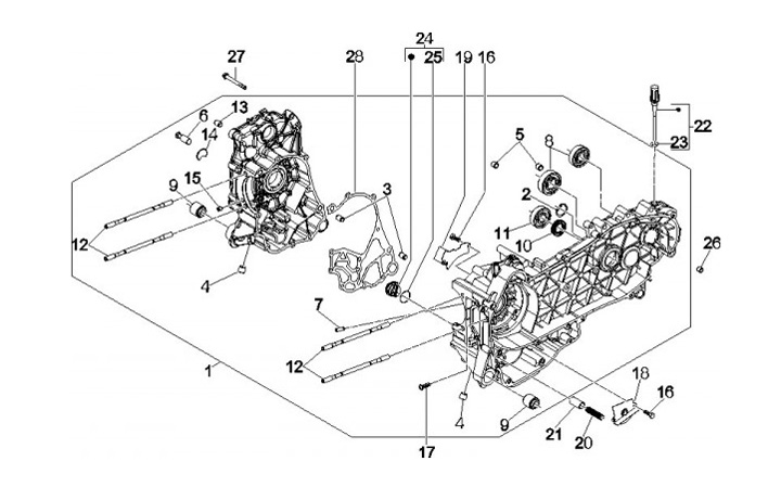
Vejhuskapsel
Vespa GTS 250 (2006, ZAPM45100)
Sortera