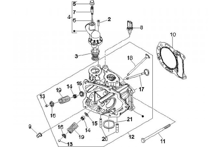
Zylinderhuvud - Ventiler
Vespa GTS 250 Touring (2010, ZAPM45100)
Sortera