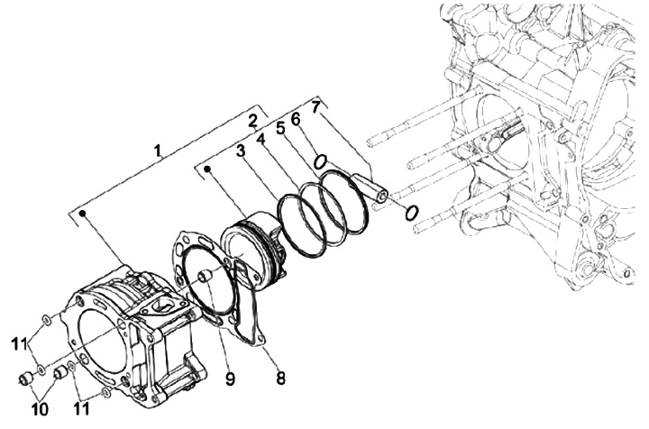
Gruppo termico
Piaggio MP3 Yourban 300 ERL LT (2014, ZAPM75100)
Ordinamento