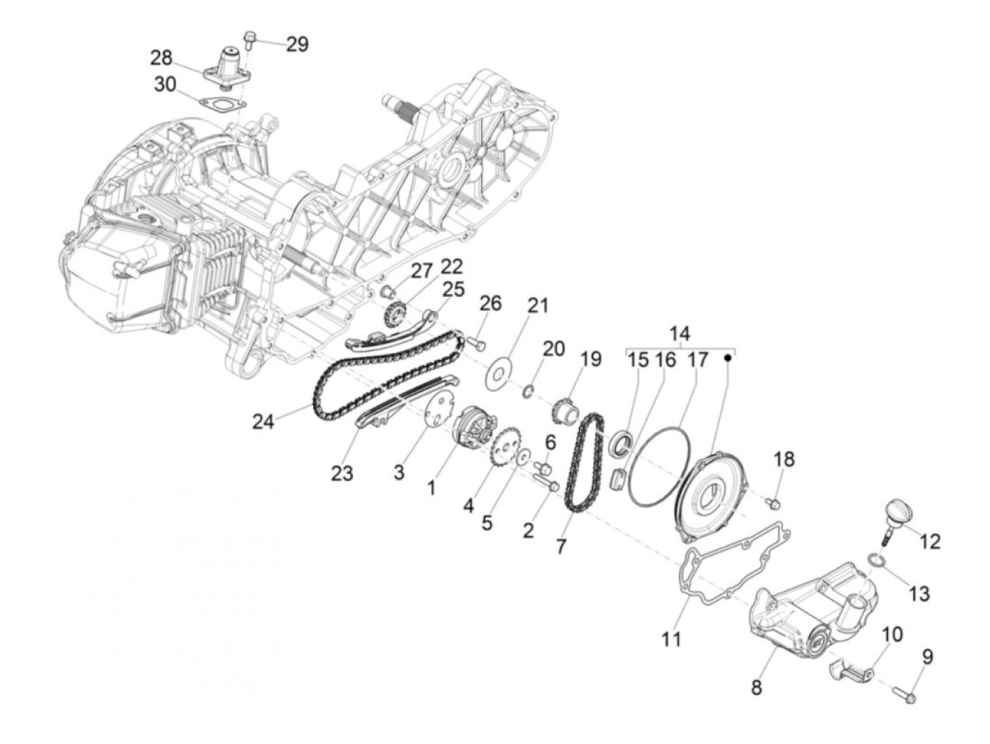
Pompa olio
Vespa Primavera 50 Touring IGET (4-tempi, 2019-2020, ZAPCA0102)
Ordinamento