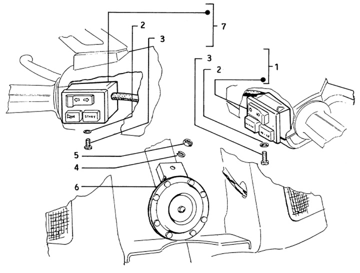
Strömbrytare - Tutا
Vespa Cosa 125 CLX (VNR1T301)
Sortera