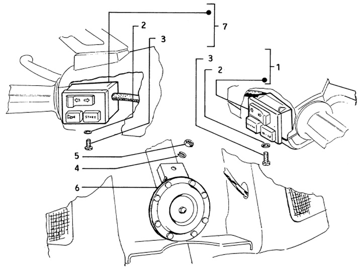
Strömbrytare - Tutا
Vespa Cosa 150 FL (VLR2T)
Sortera