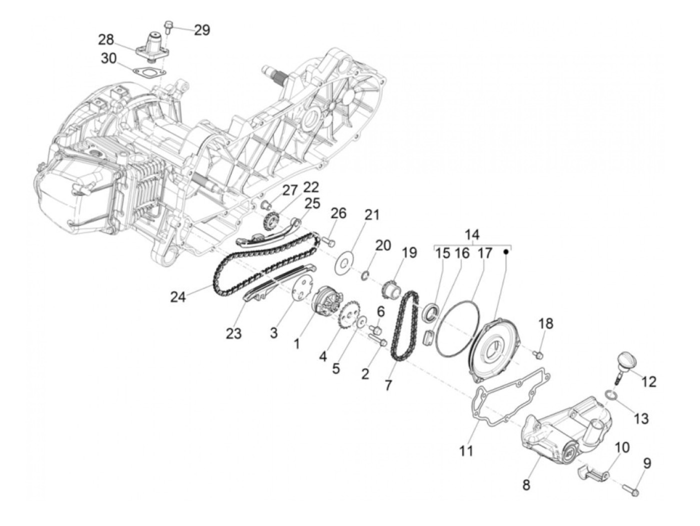
Oli Pompa
Vespa Primavera 50 Sport IGET (4-tak, 2019-2020, ZAPCA0202)
Urutkan