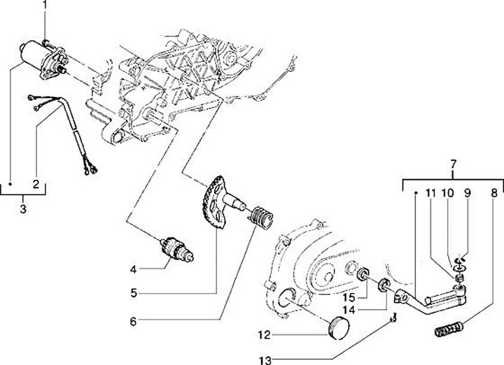
Starter Motor
Piaggio NRG 50 DT (1998, ZAPC18000)
Urutkan