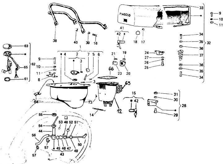
Tangki + Jok
Vespa PK 50 (V5X1T)
Urutkan