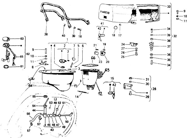
Tangki + Jok
Vespa PK 50 S (V5X2T)
Urutkan