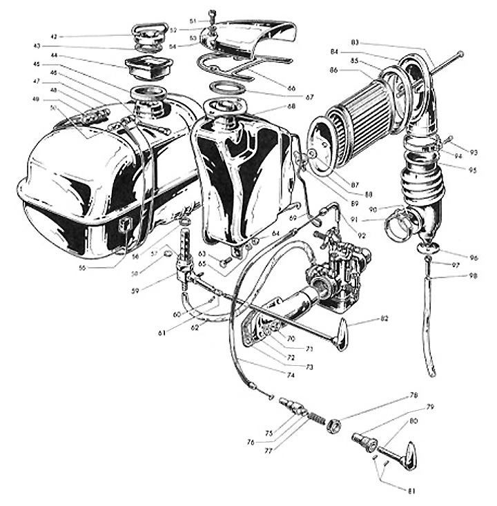
Tangki
DL 150 (GP 150)
Urutkan