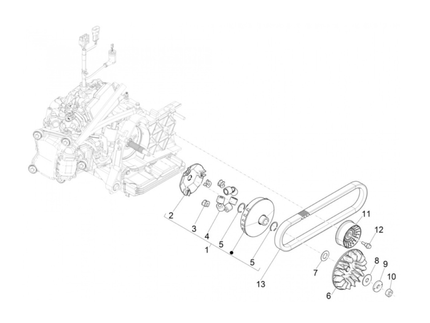
Variabel Riemenpulley
Vespa GTS 300ie Super HPE ABS ASR (2021, ZAPMD3100)
Urutkan