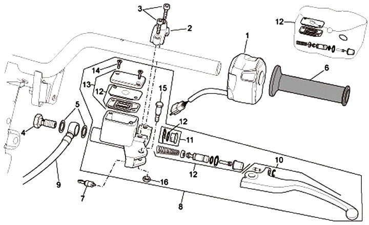
Commutatori sx (Grimeca)
Aprilia SR 50 R-Factory (2007, ZD4VFB00)
Ordinamento