molto buono
4.7 / 5
Spedizione oggi con ordine in 10 h 47 min
Spedizione gratuita a partire da 99€ (DE)
Alta soddisfazione del cliente
Contatto
|
Privacy
|
AGB & Info clienti
|
Impronta
Spedizione oggi con ordine in 10 h 47 min
Blog
DE | €
Il mio garage
Dimenticato la password?
accesso
Creare un nuovo account cliente
0
Tutti
Motore
Tutti fuori Motore
Accensione
Albero a gomiti
Avviamento
Cambio
Carburatore
Cilindro
Collettore di aspirazione e diaframma
Filtro dell'aria
Frizione
Guarnizioni
Guida
Motore Carter
Motori
Raffreddamento
Revisionsset
Scarico
Sistema di iniezione
Viti e minuteria
Sistema elettrico
Tutti fuori Sistema elettrico
Accensione e alternatore
Batterie
Candele di accensione
Cavi
Illuminazione
Interruttori
Motore di avviamento
Regolatore, raddrizzatore
Sorgente luminosa
Spina
Strumenti
Viti e minuteria
Telaio e parti aggiuntive
Tutti fuori Telaio e parti aggiuntive
Ammortizzatore
Cavalletto principale e laterale
Cuscinetto della testa dello sterzo
Forchette
Lettering
Parti di rivestimento
Selle
Sistema di alimentazione
Viti e minuteria
Manubri e accessori
Tutti fuori Manubri e accessori
Freno e frizione
Interruttori
Maniglie
Maniglie del cambio a gas
Manubri e parti di carenatura
Specchio
Strumenti
Viti e minuteria
Cavi bowden
Tutti fuori Cavi bowden
Cavi del tachimetro
Elementi di controllo
Nippli di serraggio e viti di regolazione
Tachimetro
Trazioni e set di cavi
Tubi dei freni
Ruote
Tutti fuori Ruote
Cerchi
Freni
Pneumatici
Ruote
Tubi flessibili
Valvole e minuteria
Servizio
Tutti fuori Servizio
Cinghia trapezoidale
Filtri
Oli
Set
Strumento
Olio e chimica
Tutti fuori Olio e chimica
Adesivi
Forniture per il laboratorio
Grassi e lubrificanti
Lacche e colori
Materiali operativi
Oli
Prodotti per la cura e la pulizia
Sigillante
Accessori
Tutti fuori Accessori
Acceleratori e limitatori di giri
Accessori speciali
Attrezzatura per officina
Bauletti
Borse
Manuali & co
Merceologia
Parabrezza
Perimetrali
Portapacchi
Protezione contro i furti
Supporti e accessori per telefoni cellulari
Caschi e abbigliamento
Tutti fuori Caschi e abbigliamento
Accessori
Caschi
Giacche e pantaloni
Guanti
Magliette e camicie
Occhiali e visiere
Buoni
Suggerimento del giorno
BGM PRO
Pinza per crimpare con funzione di cricchetto -BGM PRO- per terminali guaina esterna cavo Ø=4mm, Ø=5mm, Ø=6mm
54,00 €*
Vespa classica
Motore
Tutti fuori Motore
Accensione
Albero a gomiti
Avviamento
Cambio
Carburatore
Cilindro
Collettore di aspirazione e diaframma
Filtro dell'aria
Frizione
Guarnizioni
Guida
Motore e alloggiamento
Motori
Raffreddamento
Scarico
Set di revisione
Viti e minuteria
Sistema elettrico
Tutti fuori Sistema elettrico
Accensione e alternatore
Batterie
Candele di accensione
Cavi
Illuminazione
Interruttori
Motore di avviamento
Regolatore, raddrizzatore
Sorgente luminosa
Spina
Strumenti
Viti e minuteria
Telaio
Tutti fuori Telaio
Ammortizzatore
Cavalletto principale e laterale
Cuscinetto della testa dello sterzo
Forchette
Lettering
Panchine
Parti di rivestimento
Sistema di alimentazione
Viti e minuteria
Manubrio
Tutti fuori Manubrio
Freno e frizione
Interruttori
Maniglie
Maniglie del cambio a gas
Manubri e parti di carenatura
Specchio
Strumenti
Viti e minuteria
Cavi bowden
Tutti fuori Cavi bowden
Cavi del tachimetro
Elementi di controllo
Nippli di serraggio e viti di regolazione
Tachimetro
Trazioni e set di cavi
Tubi dei freni
Ruote
Tutti fuori Ruote
Cerchi
Freni
Pneumatici
Ruote
Tubi flessibili
Valvole e minuteria
Servizio
Tutti fuori Servizio
Filtri
Oli
Set
Strumento
Olio e chimica
Tutti fuori Olio e chimica
Adesivi
Forniture per il laboratorio
Grassi e lubrificanti
Lacche e colori
Materiali operativi
Oli
Prodotti per la cura e la pulizia
Sigillante
Accessori
Tutti fuori Accessori
Accessori speciali
Attrezzatura da officina
Barra d'urto
Borse
Letteratura
Merce
Portabagagli
Portacellulari e accessori
Schermi antivento
TopCase
Caschi e abbigliamento
Tutti fuori Caschi e abbigliamento
Accessori
Caschi
Giacche e pantaloni
Guanti
Occhiali e visiere
T-shirt e camicie
Suggerimento del giorno
Top
BGM PRO
Ruota completa - BGM Pro Superstrong - BGM Sport, tubeless, Vespa Largeframe PX, Sprint, Rally, GT, GTR, TS, T4, LML Star/Stella- 3.50 - 10 pollici TL 59S (rinforzato) - cerchio 2.10-10 nero opaco
159,00 €*
Vespa moderna
Motore
Tutti fuori Motore
Accensione
Albero a gomiti
Avviamento
Cambio
Carburatore
Cilindro
Collettore di aspirazione e diaframma
Filtro dell'aria
Frizione
Guarnizioni
Guida
Motore e alloggiamento
Motori
Raffreddamento
Scarico
Set di revisione
Sistema di iniezione
Viti e minuteria
Sistema elettrico
Tutti fuori Sistema elettrico
Accensione e alternatore
Batterie
Candele di accensione
Cavi
Illuminazione
Interruttori
Motore di avviamento
Regolatore, raddrizzatore
Sorgente luminosa
Spina
Strumenti
Viti e minuteria
Telaio e parti aggiuntive
Tutti fuori Telaio e parti aggiuntive
Ammortizzatore
Cavalletto principale e laterale
Cuscinetto della testa dello sterzo
Forchette
Lettering
Panchine
Parti di rivestimento
Sistema di alimentazione
Viti e minuteria
Manubri e accessori
Tutti fuori Manubri e accessori
Freno e frizione
Interruttori
Maniglie
Maniglie del cambio a gas
Manubri e parti di carenatura
Specchio
Strumenti
Viti e minuteria
Cavi bowden
Tutti fuori Cavi bowden
Cavi del tachimetro
Elementi di controllo
Nippli di serraggio e viti di regolazione
Tachimetro
Trazioni e set di cavi
Tubi dei freni
Ruote
Tutti fuori Ruote
Cerchi
Freni
Pneumatici
Ruote
Tubi flessibili
Valvole e minuteria
Servizio
Tutti fuori Servizio
Attrezzi
Cinghia trapezoidale
Filtri
Oli
Pulitore
Set
Olio e chimica
Tutti fuori Olio e chimica
Adesivi
Fluidi operativi
Forniture per il laboratorio
Grassi e lubrificanti
Lacche e colori
Oli
Prodotti per la cura e la pulizia
Sigillante
Accessori
Tutti fuori Accessori
Accessori speciali
Attrezzatura da officina
Barra d'urto
Borse
Letteratura
Merce
Portabagagli
Portacellulari e accessori
Protezione contro i furti
Schermi antivento
TopCase
Caschi e abbigliamento
Tutti fuori Caschi e abbigliamento
Accessori
Caschi
Giacche e pantaloni
Guanti
Occhiali e visiere
T-shirt e camicie
Suggerimento del giorno
Polini
Collettore di aspirazione -POLINI- Piaggio 125-150 4T 2V AC- (1a generazione / pre Leader) - Piaggio Sfera, Liberty, Aprilia Habana, Mojito, Vespa ET4, Italjet Torpedo, Benelli Adiva - 1 raccordo di aspirazione
17,19 €*
Ciclomotore classico
Motori
Tutti fuori Motori
Accensione
Albero a gomiti
Avviamento
Cambio
Carburatore
Collettore di aspirazione e diaframma
Filtro dell'aria
Frizione
Gruppi termici
Guarnizioni
Guida
Motore e alloggiamento
Raffreddamento
Scarico
Set di revisione
Viti e minuteria
Sistema elettrico
Tutti fuori Sistema elettrico
Accensione e alternatore
Batterie
Candele di accensione
Cavi
illuminazione
Interruttori
Regolatore, raddrizzatore
Sorgente luminosa
Spina
Strumenti
Viti e minuteria
Telaio e parti aggiuntive
Tutti fuori Telaio e parti aggiuntive
Ammortizzatore
Cavalletto principale e laterale
Cuscinetto della testa dello sterzo
Forchette
Lettering
Panchine
Parti di rivestimento
Sistema di alimentazione
Viti e minuteria
Manubri e accessori
Tutti fuori Manubri e accessori
Freno e frizione
Interruttori
Maniglie
Maniglie del cambio a gas
Manubri e parti di carenatura
Specchio
Strumenti
Viti e minuteria
Cavi bowden
Tutti fuori Cavi bowden
Cavi del tachimetro
Elementi di controllo
Nippli di serraggio e viti di regolazione
Tachimetro
Trazioni e set di cavi
Ruote
Tutti fuori Ruote
Cerchi
Freni
Pneumatici
Ruote
Tubi flessibili
Valvole e minuteria
Servizio
Tutti fuori Servizio
Filtri
Oli
Strumento
Olio e chimica
Tutti fuori Olio e chimica
Adesivi
Forniture per il laboratorio
Grassi e lubrificanti
Lacche e colori
Materiali operativi
Oli
Prodotti per la cura e la pulizia
Sigillante
Accessori
Tutti fuori Accessori
Accessori speciali
Attrezzatura da officina
Borse
Letteratura
Merceologia
Portabagagli
Protezione contro i furti
Caschi e abbigliamento
Tutti fuori Caschi e abbigliamento
Accessori
Caschi
Guanti
T-shirt e camicie
Suggerimento del giorno
Top
Moto Nostra
Borsa porta attrezzi - Borsa da sella -MOTO NOSTRA- Piaggio, Vespa Ciao, SI, Bravo, Boxer, Grillo - nero
9,90 €*
Lambretta
Motori
Tutti fuori Motori
Accensione
Albero a gomiti
Cambio
Carburatore
Cilindro
Collettore di aspirazione e diaframma
Filtro dell'aria
Frizione
Guarnizioni
Guida
Kickstarter
Motore e alloggiamento
Raffreddamento
Scarico
Set di revisione
Viti e minuteria
Sistema elettrico
Tutti fuori Sistema elettrico
Accensione e alternatore
Batterie
Cablaggi
Candele di accensione
Illuminazione
Interruttori
Regolatore e raddrizzatore
Sorgente luminosa
Spina
Strumenti
Viti e minuteria
Telaio e parti aggiuntive
Tutti fuori Telaio e parti aggiuntive
Ammortizzatore
Cavalletto principale
Cuscinetto della testa dello sterzo
Forchette
Lettering
Panchine
Parti di rivestimento
Sistema di alimentazione
Viti e minuteria
Manubri e accessori
Tutti fuori Manubri e accessori
Freno e frizione
Interruttori
Maniglie
Maniglie del cambio a gas
Manubri e parti di carenatura
Specchio
Strumenti
Viti e minuteria
Cavi bowden
Tutti fuori Cavi bowden
Cavi del tachimetro
Elementi di controllo
Nippli di serraggio e viti di regolazione
Tachimetro
Trazioni e set di cavi
Tubi dei freni
Ruote
Tutti fuori Ruote
Cerchi
Freni
Pneumatici
Ruote
Tubi flessibili
Valvole e minuteria
Servizio
Tutti fuori Servizio
Oli
Pulitore
Set
Strumento
Olio e chimica
Tutti fuori Olio e chimica
Adesivi
Forniture per il laboratorio
Grassi e lubrificanti
Lacche e colori
Materiali operativi
Oli
Prodotti per la cura e la pulizia
Sigillante
Accessori
Tutti fuori Accessori
Accessori speciali
Attrezzatura da officina
Barra d'urto
Borse
Letteratura
Merce
Portabagagli
Portacellulari e accessori
Protezione contro i furti
Schermi antivento
Caschi e abbigliamento
Tutti fuori Caschi e abbigliamento
Accessori
Caschi
Giacche e pantaloni
Guanti
T-shirt e camicie
Suggerimento del giorno
BGM PRO
Olio cambio (Made in Germany) -BGM PRO STREET- Lambretta SAE80, GL3 - 600ml
8,90 €*
Scooter 50-850cc
Motore
Tutti fuori Motore
Accensione
Albero motore
Avviamento
Carburatori
Carter motore
Collettore d'aspirazione e valvola lamellare
Filtro aria
Frizione
Gruppi termici
Guarnizioni
Ingranaggi
Marmitta
Motori
Raffreddamento
Revisionsset
Sistema di iniezione
Trasmissione
Viti e piccole parti
Sistema elettrico
Tutti fuori Sistema elettrico
Accensione e alternatore
avviamento
Batterie
Candele accensione
Cavi elettrici
illuminazione
Interruttori
Lampadine
prese e spine
Regolatore, raddrizzatore
Strumenti di visualizzazione
Viti e piccole parti
Telaio e parti aggiuntive
Tutti fuori Telaio e parti aggiuntive
Ammortizzatore
Cavalletto principale e laterale
Cuscinetto della testa dello sterzo
Forchette
Lettering
Panchine
Parti di rivestimento
Sistema di alimentazione
Viti e minuteria
Manubri e accessori
Tutti fuori Manubri e accessori
Freno e frizione
Interruttori
Maniglie
Maniglie del cambio a gas
Manubri e parti di carenatura
Specchio
Strumenti
Viti e minuteria
Cavi bowden
Tutti fuori Cavi bowden
Cavi del tachimetro
Elementi di controllo
Nippli di serraggio e viti di regolazione
Tachimetro
Trazioni e set di cavi
Tubi dei freni
Ruote
Tutti fuori Ruote
Cerchi
Freni
Pneumatici
Ruote
Tubi flessibili
Valvole e minuteria
Servizio
Tutti fuori Servizio
Cinghie trasmissione
Filtri
Oli
Pulitore
Set
Strumento
Olio e chimica
Tutti fuori Olio e chimica
Adesivi
Fluidi operativi
Forniture per il laboratorio
Grassi e lubrificanti
Lacche e colori
Oli
Prodotti per la cura e la pulizia
Sigillante
Accessori
Tutti fuori Accessori
Acceleratori e limitatori di giri
Accessori speciali
Attrezzatura da officina
Borse
Letteratura
Merce
Perimetrali
Portabagagli
Protezione contro i furti
Schermi antivento
Supporti e accessori per telefoni cellulari
TopCase
Caschi e abbigliamento
Tutti fuori Caschi e abbigliamento
Accessori
Caschi
Giacche e pantaloni
Guanti
Occhiali e visiere
T-shirt e camicie
Suggerimento del giorno
Royal Alloy
Decorazione coperchio laterale -ROYAL ALLOY- Royal Alloy GP 125-300 - Set stile SX
59,99 €*
Piaggio Mofa/Moped
Super Bravo 2 50 (1986-1989, EMC1T)
Kupplung
Motori
Sistema elettrico
Telaio e parti aggiuntive
Manubri e accessori
Cavi bowden
Ruote
Servizio
Olio e chimica
Accessori
Caschi e abbigliamento
Piaggio Super Bravo 2 50 (1986-1989, EMC1T)
Viste esplose
Albero motore
Albero primario
Ammortizzatore posteriore
Asse ruota anteriore
Attrezzi
Bloccasterzo
Bobina accensione
Bobine
Cablaggio impianto elettrico completo
Carburatore
Carena faro anteriore
Carene
Carter motore
Catena
Cavalletto centrale
Cavi trasmissione
Comando gas
Componenti carburatore I
Componenti carburatore II
Contachilometri - cavo cambio
Coperchio ingranaggi
Fanale posteriore
Faro anteriore
Forcella
Freno a contropedale
Freno anteriore
Freno posteriore
Frizione
Gambe forcella
Gruppo termico
Ingranaggi
Manopola comando cambio
Manubrio
Motore
Parafango
Pedale
Ponte forcella
Portapacchi posteriore
Ruota anteriore
Ruota posteriore
Sella
Serbatoio benzina
Serie calotte sterzo e gabbie a sfere
Telaio
Testa cilindro
Volano
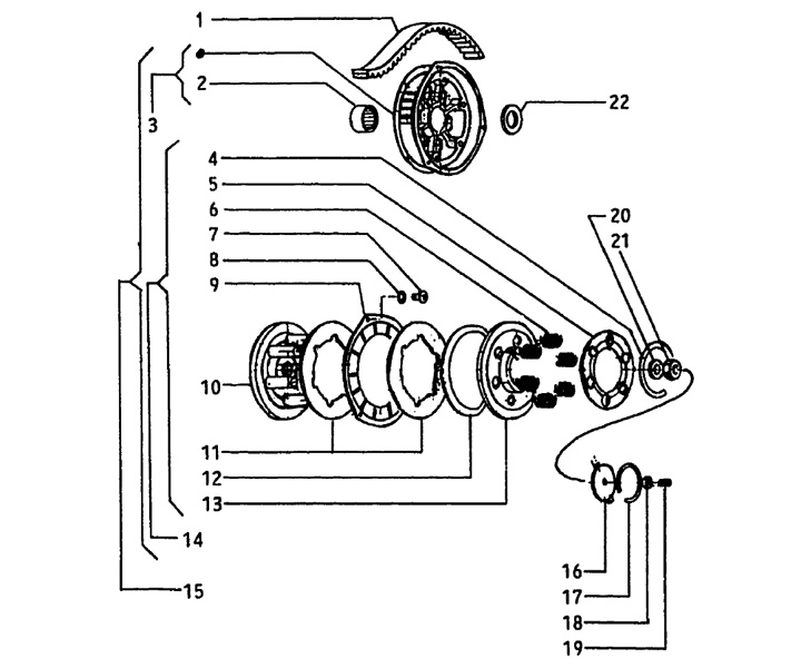
Frizione
Piaggio Super Bravo 2 50 (1986-1989, EMC1T)
Nome del componente
Rondella piana
(1)
Produttore
OEM-Qualität
(1)
Ordinamento
Rilevanza
Prezzi in salita
Prezzi in discesa
Marchio A-Z
Marchio Z-A
Novità
OEM-Qualität
3333840
Spessori cambio -QUALITÀ OEM 15x28x1,2mm- Piaggio Ciao, SI FL2, Bravo, Boss
×
×