molto buono
4.7 / 5
Spedizione oggi con ordine in 9 h 33 min
Spedizione gratuita a partire da 99€ (DE)
Alta soddisfazione del cliente
Contatto
|
Privacy
|
AGB & Info clienti
|
Impronta
Spedizione oggi con ordine in 9 h 33 min
Blog
DE | €
Il mio garage
Dimenticato la password?
accesso
Creare un nuovo account cliente
0
Tutti
Motore
Tutti fuori Motore
Accensione
Albero a gomiti
Avviamento
Cambio
Carburatore
Cilindro
Collettore di aspirazione e diaframma
Filtro dell'aria
Frizione
Guarnizioni
Guida
Motore Carter
Motori
Raffreddamento
Revisionsset
Scarico
Sistema di iniezione
Viti e minuteria
Sistema elettrico
Tutti fuori Sistema elettrico
Accensione e alternatore
Batterie
Candele di accensione
Cavi
Illuminazione
Interruttori
Motore di avviamento
Regolatore, raddrizzatore
Sorgente luminosa
Spina
Strumenti
Viti e minuteria
Telaio e parti aggiuntive
Tutti fuori Telaio e parti aggiuntive
Ammortizzatore
Cavalletto principale e laterale
Cuscinetto della testa dello sterzo
Forchette
Lettering
Parti di rivestimento
Selle
Sistema di alimentazione
Viti e minuteria
Manubri e accessori
Tutti fuori Manubri e accessori
Freno e frizione
Interruttori
Maniglie
Maniglie del cambio a gas
Manubri e parti di carenatura
Specchio
Strumenti
Viti e minuteria
Cavi bowden
Tutti fuori Cavi bowden
Cavi del tachimetro
Elementi di controllo
Nippli di serraggio e viti di regolazione
Tachimetro
Trazioni e set di cavi
Tubi dei freni
Ruote
Tutti fuori Ruote
Cerchi
Freni
Pneumatici
Ruote
Tubi flessibili
Valvole e minuteria
Servizio
Tutti fuori Servizio
Cinghia trapezoidale
Filtri
Oli
Set
Strumento
Olio e chimica
Tutti fuori Olio e chimica
Adesivi
Forniture per il laboratorio
Grassi e lubrificanti
Lacche e colori
Materiali operativi
Oli
Prodotti per la cura e la pulizia
Sigillante
Accessori
Tutti fuori Accessori
Acceleratori e limitatori di giri
Accessori speciali
Attrezzatura per officina
Bauletti
Borse
Manuali & co
Merceologia
Parabrezza
Perimetrali
Portapacchi
Protezione contro i furti
Supporti e accessori per telefoni cellulari
Caschi e abbigliamento
Tutti fuori Caschi e abbigliamento
Accessori
Caschi
Giacche e pantaloni
Guanti
Magliette e camicie
Occhiali e visiere
Buoni
Suggerimento del giorno
BGM PRO
Pinza per crimpare con funzione di cricchetto -BGM PRO- per terminali guaina esterna cavo Ø=4mm, Ø=5mm, Ø=6mm
54,00 €*
Vespa classica
Motore
Tutti fuori Motore
Accensione
Albero a gomiti
Avviamento
Cambio
Carburatore
Cilindro
Collettore di aspirazione e diaframma
Filtro dell'aria
Frizione
Guarnizioni
Guida
Motore e alloggiamento
Motori
Raffreddamento
Scarico
Set di revisione
Viti e minuteria
Sistema elettrico
Tutti fuori Sistema elettrico
Accensione e alternatore
Batterie
Candele di accensione
Cavi
Illuminazione
Interruttori
Motore di avviamento
Regolatore, raddrizzatore
Sorgente luminosa
Spina
Strumenti
Viti e minuteria
Telaio
Tutti fuori Telaio
Ammortizzatore
Cavalletto principale e laterale
Cuscinetto della testa dello sterzo
Forchette
Lettering
Panchine
Parti di rivestimento
Sistema di alimentazione
Viti e minuteria
Manubrio
Tutti fuori Manubrio
Freno e frizione
Interruttori
Maniglie
Maniglie del cambio a gas
Manubri e parti di carenatura
Specchio
Strumenti
Viti e minuteria
Cavi bowden
Tutti fuori Cavi bowden
Cavi del tachimetro
Elementi di controllo
Nippli di serraggio e viti di regolazione
Tachimetro
Trazioni e set di cavi
Tubi dei freni
Ruote
Tutti fuori Ruote
Cerchi
Freni
Pneumatici
Ruote
Tubi flessibili
Valvole e minuteria
Servizio
Tutti fuori Servizio
Filtri
Oli
Set
Strumento
Olio e chimica
Tutti fuori Olio e chimica
Adesivi
Forniture per il laboratorio
Grassi e lubrificanti
Lacche e colori
Materiali operativi
Oli
Prodotti per la cura e la pulizia
Sigillante
Accessori
Tutti fuori Accessori
Accessori speciali
Attrezzatura da officina
Barra d'urto
Borse
Letteratura
Merce
Portabagagli
Portacellulari e accessori
Schermi antivento
TopCase
Caschi e abbigliamento
Tutti fuori Caschi e abbigliamento
Accessori
Caschi
Giacche e pantaloni
Guanti
Occhiali e visiere
T-shirt e camicie
Suggerimento del giorno
Top
BGM PRO
Ruota completa - BGM Pro Superstrong - BGM Sport, tubeless, Vespa Largeframe PX, Sprint, Rally, GT, GTR, TS, T4, LML Star/Stella- 3.50 - 10 pollici TL 59S (rinforzato) - cerchio 2.10-10 nero opaco
159,00 €*
Vespa moderna
Motore
Tutti fuori Motore
Accensione
Albero a gomiti
Avviamento
Cambio
Carburatore
Cilindro
Collettore di aspirazione e diaframma
Filtro dell'aria
Frizione
Guarnizioni
Guida
Motore e alloggiamento
Motori
Raffreddamento
Scarico
Set di revisione
Sistema di iniezione
Viti e minuteria
Sistema elettrico
Tutti fuori Sistema elettrico
Accensione e alternatore
Batterie
Candele di accensione
Cavi
Illuminazione
Interruttori
Motore di avviamento
Regolatore, raddrizzatore
Sorgente luminosa
Spina
Strumenti
Viti e minuteria
Telaio e parti aggiuntive
Tutti fuori Telaio e parti aggiuntive
Ammortizzatore
Cavalletto principale e laterale
Cuscinetto della testa dello sterzo
Forchette
Lettering
Panchine
Parti di rivestimento
Sistema di alimentazione
Viti e minuteria
Manubri e accessori
Tutti fuori Manubri e accessori
Freno e frizione
Interruttori
Maniglie
Maniglie del cambio a gas
Manubri e parti di carenatura
Specchio
Strumenti
Viti e minuteria
Cavi bowden
Tutti fuori Cavi bowden
Cavi del tachimetro
Elementi di controllo
Nippli di serraggio e viti di regolazione
Tachimetro
Trazioni e set di cavi
Tubi dei freni
Ruote
Tutti fuori Ruote
Cerchi
Freni
Pneumatici
Ruote
Tubi flessibili
Valvole e minuteria
Servizio
Tutti fuori Servizio
Attrezzi
Cinghia trapezoidale
Filtri
Oli
Pulitore
Set
Olio e chimica
Tutti fuori Olio e chimica
Adesivi
Fluidi operativi
Forniture per il laboratorio
Grassi e lubrificanti
Lacche e colori
Oli
Prodotti per la cura e la pulizia
Sigillante
Accessori
Tutti fuori Accessori
Accessori speciali
Attrezzatura da officina
Barra d'urto
Borse
Letteratura
Merce
Portabagagli
Portacellulari e accessori
Protezione contro i furti
Schermi antivento
TopCase
Caschi e abbigliamento
Tutti fuori Caschi e abbigliamento
Accessori
Caschi
Giacche e pantaloni
Guanti
Occhiali e visiere
T-shirt e camicie
Suggerimento del giorno
Polini
Collettore di aspirazione -POLINI- Piaggio 125-150 4T 2V AC- (1a generazione / pre Leader) - Piaggio Sfera, Liberty, Aprilia Habana, Mojito, Vespa ET4, Italjet Torpedo, Benelli Adiva - 1 raccordo di aspirazione
17,19 €*
Ciclomotore classico
Motori
Tutti fuori Motori
Accensione
Albero a gomiti
Avviamento
Cambio
Carburatore
Collettore di aspirazione e diaframma
Filtro dell'aria
Frizione
Gruppi termici
Guarnizioni
Guida
Motore e alloggiamento
Raffreddamento
Scarico
Set di revisione
Viti e minuteria
Sistema elettrico
Tutti fuori Sistema elettrico
Accensione e alternatore
Batterie
Candele di accensione
Cavi
illuminazione
Interruttori
Regolatore, raddrizzatore
Sorgente luminosa
Spina
Strumenti
Viti e minuteria
Telaio e parti aggiuntive
Tutti fuori Telaio e parti aggiuntive
Ammortizzatore
Cavalletto principale e laterale
Cuscinetto della testa dello sterzo
Forchette
Lettering
Panchine
Parti di rivestimento
Sistema di alimentazione
Viti e minuteria
Manubri e accessori
Tutti fuori Manubri e accessori
Freno e frizione
Interruttori
Maniglie
Maniglie del cambio a gas
Manubri e parti di carenatura
Specchio
Strumenti
Viti e minuteria
Cavi bowden
Tutti fuori Cavi bowden
Cavi del tachimetro
Elementi di controllo
Nippli di serraggio e viti di regolazione
Tachimetro
Trazioni e set di cavi
Ruote
Tutti fuori Ruote
Cerchi
Freni
Pneumatici
Ruote
Tubi flessibili
Valvole e minuteria
Servizio
Tutti fuori Servizio
Filtri
Oli
Strumento
Olio e chimica
Tutti fuori Olio e chimica
Adesivi
Forniture per il laboratorio
Grassi e lubrificanti
Lacche e colori
Materiali operativi
Oli
Prodotti per la cura e la pulizia
Sigillante
Accessori
Tutti fuori Accessori
Accessori speciali
Attrezzatura da officina
Borse
Letteratura
Merceologia
Portabagagli
Protezione contro i furti
Caschi e abbigliamento
Tutti fuori Caschi e abbigliamento
Accessori
Caschi
Guanti
T-shirt e camicie
Suggerimento del giorno
Top
Moto Nostra
Borsa porta attrezzi - Borsa da sella -MOTO NOSTRA- Piaggio, Vespa Ciao, SI, Bravo, Boxer, Grillo - nero
9,90 €*
Lambretta
Motori
Tutti fuori Motori
Accensione
Albero a gomiti
Cambio
Carburatore
Cilindro
Collettore di aspirazione e diaframma
Filtro dell'aria
Frizione
Guarnizioni
Guida
Kickstarter
Motore e alloggiamento
Raffreddamento
Scarico
Set di revisione
Viti e minuteria
Sistema elettrico
Tutti fuori Sistema elettrico
Accensione e alternatore
Batterie
Cablaggi
Candele di accensione
Illuminazione
Interruttori
Regolatore e raddrizzatore
Sorgente luminosa
Spina
Strumenti
Viti e minuteria
Telaio e parti aggiuntive
Tutti fuori Telaio e parti aggiuntive
Ammortizzatore
Cavalletto principale
Cuscinetto della testa dello sterzo
Forchette
Lettering
Panchine
Parti di rivestimento
Sistema di alimentazione
Viti e minuteria
Manubri e accessori
Tutti fuori Manubri e accessori
Freno e frizione
Interruttori
Maniglie
Maniglie del cambio a gas
Manubri e parti di carenatura
Specchio
Strumenti
Viti e minuteria
Cavi bowden
Tutti fuori Cavi bowden
Cavi del tachimetro
Elementi di controllo
Nippli di serraggio e viti di regolazione
Tachimetro
Trazioni e set di cavi
Tubi dei freni
Ruote
Tutti fuori Ruote
Cerchi
Freni
Pneumatici
Ruote
Tubi flessibili
Valvole e minuteria
Servizio
Tutti fuori Servizio
Oli
Pulitore
Set
Strumento
Olio e chimica
Tutti fuori Olio e chimica
Adesivi
Forniture per il laboratorio
Grassi e lubrificanti
Lacche e colori
Materiali operativi
Oli
Prodotti per la cura e la pulizia
Sigillante
Accessori
Tutti fuori Accessori
Accessori speciali
Attrezzatura da officina
Barra d'urto
Borse
Letteratura
Merce
Portabagagli
Portacellulari e accessori
Protezione contro i furti
Schermi antivento
Caschi e abbigliamento
Tutti fuori Caschi e abbigliamento
Accessori
Caschi
Giacche e pantaloni
Guanti
T-shirt e camicie
Suggerimento del giorno
BGM PRO
Olio cambio (Made in Germany) -BGM PRO STREET- Lambretta SAE80, GL3 - 600ml
8,90 €*
Scooter 50-850cc
Motore
Tutti fuori Motore
Accensione
Albero motore
Avviamento
Carburatori
Carter motore
Collettore d'aspirazione e valvola lamellare
Filtro aria
Frizione
Gruppi termici
Guarnizioni
Ingranaggi
Marmitta
Motori
Raffreddamento
Revisionsset
Sistema di iniezione
Trasmissione
Viti e piccole parti
Sistema elettrico
Tutti fuori Sistema elettrico
Accensione e alternatore
avviamento
Batterie
Candele accensione
Cavi elettrici
illuminazione
Interruttori
Lampadine
prese e spine
Regolatore, raddrizzatore
Strumenti di visualizzazione
Viti e piccole parti
Telaio e parti aggiuntive
Tutti fuori Telaio e parti aggiuntive
Ammortizzatore
Cavalletto principale e laterale
Cuscinetto della testa dello sterzo
Forchette
Lettering
Panchine
Parti di rivestimento
Sistema di alimentazione
Viti e minuteria
Manubri e accessori
Tutti fuori Manubri e accessori
Freno e frizione
Interruttori
Maniglie
Maniglie del cambio a gas
Manubri e parti di carenatura
Specchio
Strumenti
Viti e minuteria
Cavi bowden
Tutti fuori Cavi bowden
Cavi del tachimetro
Elementi di controllo
Nippli di serraggio e viti di regolazione
Tachimetro
Trazioni e set di cavi
Tubi dei freni
Ruote
Tutti fuori Ruote
Cerchi
Freni
Pneumatici
Ruote
Tubi flessibili
Valvole e minuteria
Servizio
Tutti fuori Servizio
Cinghie trasmissione
Filtri
Oli
Pulitore
Set
Strumento
Olio e chimica
Tutti fuori Olio e chimica
Adesivi
Fluidi operativi
Forniture per il laboratorio
Grassi e lubrificanti
Lacche e colori
Oli
Prodotti per la cura e la pulizia
Sigillante
Accessori
Tutti fuori Accessori
Acceleratori e limitatori di giri
Accessori speciali
Attrezzatura da officina
Borse
Letteratura
Merce
Perimetrali
Portabagagli
Protezione contro i furti
Schermi antivento
Supporti e accessori per telefoni cellulari
TopCase
Caschi e abbigliamento
Tutti fuori Caschi e abbigliamento
Accessori
Caschi
Giacche e pantaloni
Guanti
Occhiali e visiere
T-shirt e camicie
Suggerimento del giorno
Royal Alloy
Decorazione coperchio laterale -ROYAL ALLOY- Royal Alloy GP 125-300 - Set stile SX
59,99 €*
Piaggio 50 4T
Liberty 50 (4-Takt, 2009, ZAPC49200)
Getriebe
Motore
Sistema elettrico
Telaio e parti aggiuntive
Manubri e accessori
Cavi bowden
Ruote
Servizio
Olio e chimica
Accessori
Caschi e abbigliamento
Piaggio Liberty 50 (4-tempi, 2009, ZAPC49200)
Viste esplose
Adesivi
Albero motore
Ammortizzatore posteriore
Batteria - claxon
Bauletto anteriore
Braccio oscillante
Cablaggio impianto elettrico completo
Carburatore
Carter motore
Cavalletto centrale
Cavi trasmissione
Componenti carburatore
Componenti forcella
Contachilometri
Coperchio carter motore
Coperchio manubrio
Cuffia cilindro
Fanale posteriore
Faro anteriore
Fianchetto
Filtro aria
Filtro aria secondario
Filtro olio
Forcella
Ganasce freno posteriore
Gruppo termico
Ingranaggi
Interruttore
Kit serratura
Leva bilanciere - albero a camme
Manubrio
Marmitta
Motorino di avviamento
Parafango
Pedana
Pinza freno anteriore - cavo freno idraulico
Pompa olio
Portapacchi posteriore
Puleggia motrice
Puleggia posteriore - frizione
Regolatore - bobina accensione
Ruota anteriore
Ruota posteriore
Scudo
Sella
Serbatoio benzina
Specchietto
Spoiler
Statore
Telaio
Testa cilindro
Vano portacasco
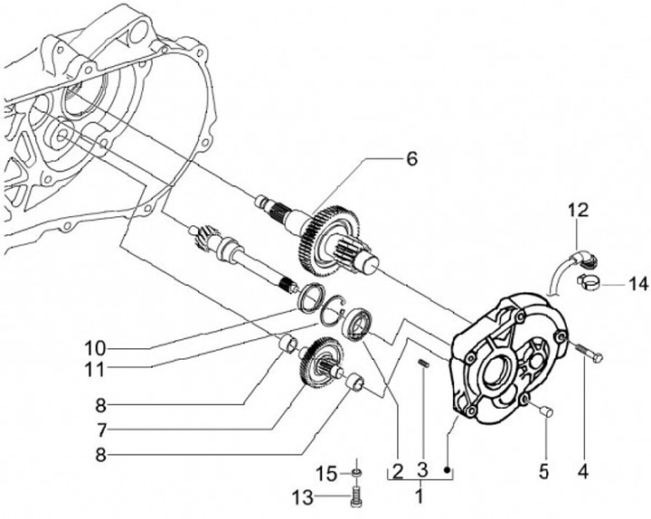
Ingranaggi
Piaggio Liberty 50 (4-tempi, 2009, ZAPC49200)
Nome del componente
Guarnizione
(1)
Coperchio del cambio
(1)
Manicotto
(1)
Cuscinetto a sfera
(1)
Collare di serraggio
(1)
Tubo flessibile
(1)
Vite
(2)
Anello di sicurezza
(1)
Rondella piana
(1)
Paraolio
(1)
Tenone
(1)
Produttore
Malossi
(2)
Normfest
(1)
OEM-Qualität
(1)
Piaggio
(8)
Ordinamento
Rilevanza
Prezzi in salita
Prezzi in discesa
Marchio A-Z
Marchio Z-A
Novità
Piaggio
GPB0146385
Coperchio cambio -PIAGGIO- Vespa Primavera 50 (ZAPC53100, ZAPC53300, ZAPC53302, ZAPCA0100, ZAPCA0200, ZAPCA0102, ZAPCA0202), Vespa Sprint 50 (ZAPC53101, ZAPC53301, ZAPC53303, ZAPCA0101, ZAPCA0201, ZAPCA0103, ZAPCA0203, ZAPC536B), Piaggio Fly 100 (LBMM5310
Piaggio
GP272921
Bullone -PIAGGIO- Vespa LX
Piaggio
GPCM162202
Tubo di ventilazione per cambio -PIAGGIO- Vespa GT 250 (ZAPM45102), Vespa GT L 125 (ZAPM31101), Vespa GTS 125 (ZAPM31300), Vespa GTS 250 (ZAPM45100, ZAPM45101), Vespa GTS 300 (ZAPM45200, ZAPM45202, ZAPMA3300), Vespa GTS HPE 300 (ZAPMA3600, ZAPMD310), Vesp
Malossi
M6616102B
Cuscinetto a sfere -Malossi (incapsulato su entrambi i lati)- (20x47x14mm) - Albero ruota posteriore PIAGGIO/VESPA (6204 2RS C3)
Malossi
7675886
Paraolio 30x47x6mm -MALOSSI PTFE/FKM- (usato per ruota posteriore / tamburo freno posteriore Vespa PX (1984-1991), Piaggio 50-180 ccm 2 tempi - Aprilia SR125, Gilera Runner FX/FXR 125-180, Italjet Dragster 125-180, Piaggio SKR125, SKR150, TPH125, Skipp
Piaggio
1478197
Manicotto di serraggio albero di trasmissione/copertura cuscinetto vario -PIAGGIO- Piaggio 50 ccm 2 tempi (dal 1998), Piaggio 50-100 ccm 4 tempi (dal 1998)
Piaggio
GP269755
Vite ad esagono incassato -DIN 912- M8 x 12 (resistenza 8,8) - utilizzata come tappo di scarico dell'olio
Piaggio
GP483638
Morsetto -PIAGGIO- Gilera DNA
Piaggio
1288639
Disco distanziatore 16x26x1mm albero secondario cambio -PIAGGIO- Piaggio 50 ccm (dal 1998)
Piaggio
GP487211
Vite M 8 x 45 -PIAGGIO- Vespa LX
OEM-Qualität
9011011
Anello Seeger -BORING DIN472- Ø=47mm - per cuscinetto a sfere Smallframe, Largeframe albero principale 6204 lato ruota, cuscinetto a sfere 16005 Smallframe primario V50, PV, ET3, PK
Normfest
9000051
Guarnizione tappo olio -QUALITÀ OEM 8x14x1mm- Vespa V50, 50N, SS50, SR50, V90, SS90, V100, PV125, ET3, PK, PX, T5 125cc, Cosa, Rally, Sprint, TS125, GT125, GTR125, GL150, Super, Touren, SS180, GS160 / GS4, VNA, VNB, VBA, VBB, LX, LXV, S, Ciao
×
×