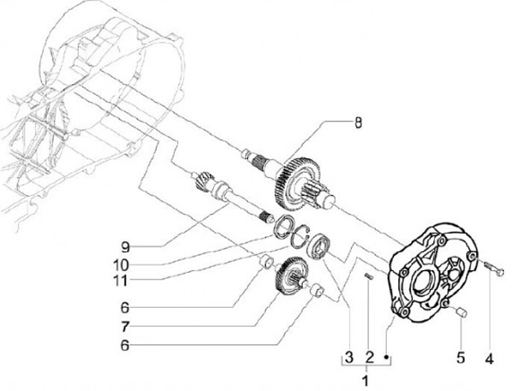
Ingranaggi
Vespa LX 50 Touring (4-tempi, 2013, ZAPC38700)
Ordinamento