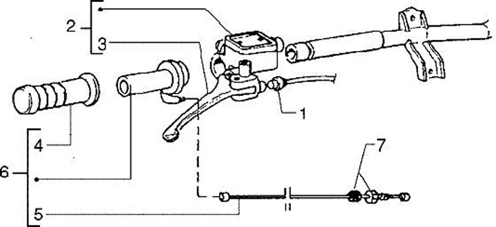
Pompa freno dx
Piaggio Zip 50 Fast Rider (1996, ZAPC07000)
Ordinamento