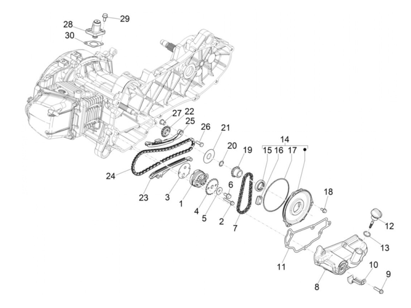
Pompa olio -PIAGGIO- Vespa LX 50 (ZAPC38700, ZAPC38300, ZAPC38900), Vespa LXV 50 (ZAPC38902), Vespa Primavera 50 (ZAPC53100, ZAPC53300, ZAPC53302, ZAPCA0100, ZAPCA0200, ZAPCA0102, ZAPCA0202, ZAPCD020, ZAPCD010), Vespa S 50 (ZAPC38600, ZAPC38901), Vespa Sp