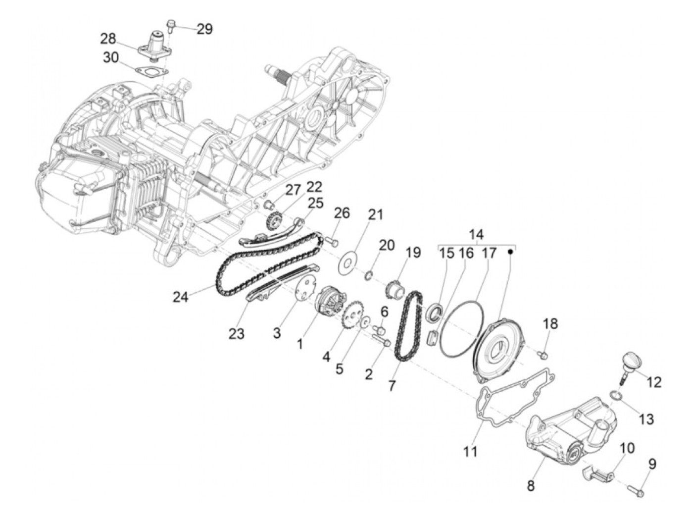
Pompa olio
Vespa Primavera 50 IGET (4-tempi, 2021, ZAPCD020) 25km/h
Ordinamento