zeer goed
4.7 / 5
Vandaag verzonden met bestelling in 2 h 37 min
Gratis verzending vanaf 99€ (DE) Hoge klanttevredenheid
Contact |Privacy |AGB & Klanteninformatie |Afdruk
Vandaag verzonden met bestelling in 2 h 37 min
Piaggio Diesis 50 (2001, ZAPC34100) | Exploded views Piaggio Diesis 50 (2001, ZAPC34100) | Exploded views
Blog DE DE  |  €
Mijn garage
Paswoord vergeten?
Nieuwe klantenrekening aanmaken
0
  • Alle
    • Motor
      Allemaal uit Motor
      • Aandrijving
      • Afdichtingen
      • Carburateur
      • Cilinder
      • Injectiesysteem
      • Inlaatspruitstuk & membraan
      • Koeling
      • Koppeling
      • Krukas
      • Luchtfilter
      • Motor & behuizing
      • Motoren
      • Ontsteking
      • Revisieset
      • Schroeven & kleine onderdelen
      • Starter
      • Uitlaat
      • Versnellingsbak
    • Elektrisch systeem
      Allemaal uit Elektrisch systeem
      • Batterijen
      • Bougies
      • Instrumenten
      • Kabels
      • Lichtbron
      • Ontsteking & dynamo
      • Regelaar, gelijkrichter
      • Schakelaars
      • Schroeven & kleine onderdelen
      • Startmotor
      • Stekker
      • Verlichting
    • Frame & aanbouwdelen
      Allemaal uit Frame & aanbouwdelen
      • Belettering
      • Brandstofsysteem
      • Hoofd- en zijstandaard
      • Lager stuurkop
      • Onderdelen voor panelen
      • Schokdemper
      • Schroeven & kleine onderdelen
      • Vorken
      • Zitbanken
    • Stuur & fittings
      Allemaal uit Stuur & fittings
      • Gas schakelhendels
      • Handgrepen
      • Instrumenten
      • Rem & koppeling
      • Schakelaars
      • Schroeven & kleine onderdelen
      • Spiegel
      • Stuur & kuipdelen
    • Bowdenkabels
      Allemaal uit Bowdenkabels
      • Besturingselementen
      • Kabeltrekken & sets
      • Klemnippels & stelschroeven
      • Remleidingen
      • Snelheidsmeterkabels
      • Tacho-aandrijvingen
    • Wielen
      Allemaal uit Wielen
      • Banden
      • Kleppen & kleine onderdelen
      • Remmen
      • Slangen
      • Velgen
      • Wielen
    • Service
      Allemaal uit Service
      • Filters
      • Gereedschap
      • Oliën
      • Stelt in
      • V-snaar
    • Olie & chemie
      Allemaal uit Olie & chemie
      • Afdichtmiddel
      • Bedrijfsmaterialen
      • Benodigdheden voor de workshop
      • Lakken en kleuren
      • Lijmen
      • Oliën
      • Onderhoudsproducten & reinigingsmiddelen
      • Vetten en smeermiddelen
    • Accessoires
      Allemaal uit Accessoires
      • Bagagedrager
      • Bescherming tegen diefstal
      • Drosselkleppen & Toerentalbegrenzer
      • Literatuur
      • Merchandise
      • Smartphonehouders & Accessoires
      • Speciaalaccessoires
      • Topkoffer
      • Valbeugel
      • Werkplaatsuitrusting
      • Windscherm
      • Zakken
    • Helmen & Kleding
      Allemaal uit Helmen & Kleding
      • Accessoires
      • Brillen & Vizieren
      • Handschoenen
      • Helmen
      • Jassen & Broeken
      • T-Shirts & Overhemden
    • Bonnen
    Tip van de dag
    Demontagegereedschap wielas voorwiel -BGM PRO- Vespa 125 V1-V15, V30-33, VM1-2, VN1, VN2, VNA, VNB , 150 VL, VB, VBA, VBB, VLA1, VGL1, VGLA1, VGLB1, Super, GL, T4, Sprint, GT, GTR, Rally, TS, Motovespa (1959-1964) 125N, 125S, 150S
    %
    BGM PRO
    Demontagegereedschap wielas voorwiel -BGM PRO- Vespa 125 V1-V15, V30-33, VM1-2, VN1, VN2, VNA, VNB , 150 VL, VB, VBA, VBB, VLA1, VGL1, VGLA1, VGLB1, Super, GL, T4, Sprint, GT, GTR, Rally, TS, Motovespa (1959-1964) 125N, 125S, 150S
    22,28 €* 25,32 €*
  • Klassieke Vespa
    • Motor
      Allemaal uit Motor
      • Aandrijving
      • Afdichtingen
      • Carburateur
      • Cilinder
      • Inlaatspruitstuk & membraan
      • Koeling
      • Koppeling
      • Krukas
      • Luchtfilter
      • Motor & behuizing
      • Motoren
      • Ontsteking
      • Revisieset
      • Schroeven & kleine onderdelen
      • Starter
      • Uitlaat
      • Versnellingsbak
    • Elektrische Installatie
      Allemaal uit Elektrische Installatie
      • Batterijen
      • Bougies
      • Instrumenten
      • Kabels
      • Lichtbron
      • Ontsteking & dynamo
      • Regelaar, gelijkrichter
      • Schakelaars
      • Schroeven & kleine onderdelen
      • Startmotor
      • Stekker
      • Verlichting
    • Chassis
      Allemaal uit Chassis
      • Banken
      • Belettering
      • Brandstofsysteem
      • Hoofd- en zijstandaard
      • Lager stuurkop
      • Onderdelen voor panelen
      • Schokdemper
      • Schroeven & kleine onderdelen
      • Vorken
    • Stuur
      Allemaal uit Stuur
      • Gas schakelhendels
      • Handgrepen
      • Instrumenten
      • Rem & koppeling
      • Schakelaars
      • Schroeven & kleine onderdelen
      • Spiegel
      • Stuur & kuipdelen
    • Bowdenkabels
      Allemaal uit Bowdenkabels
      • Besturingselementen
      • Kabeltrekken & sets
      • Klemnippels & stelschroeven
      • Remleidingen
      • Snelheidsmeterkabels
      • Tacho-aandrijvingen
    • Wielen
      Allemaal uit Wielen
      • Banden
      • Kleppen & kleine onderdelen
      • Remmen
      • Slangen
      • Velgen
      • Wielen
    • Onderhoud
      Allemaal uit Onderhoud
      • Filters
      • Gereedschap
      • Oliën
      • Stelt in
    • Olie & Chemie
      Allemaal uit Olie & Chemie
      • Afdichtmiddel
      • Bedrijfsmaterialen
      • Benodigdheden voor de workshop
      • Lakken en kleuren
      • Lijmen
      • Oliën
      • Onderhoudsproducten & reinigingsmiddelen
      • Vetten en smeermiddelen
    • Accessoires
      Allemaal uit Accessoires
      • Bagagedrager
      • Crashbar
      • Houders & accessoires voor mobiele telefoons
      • Koopwaar
      • Literatuur
      • Speciale accessoires
      • Tassen
      • TopCase
      • Werkplaatsuitrusting
      • Windschermen
    • Helmen & Kleding
      Allemaal uit Helmen & Kleding
      • Accessoires
      • Brillen & vizieren
      • Handschoenen
      • Helmen
      • Jassen & broeken
      • T-shirts
    Tip van de dag
    Wiel -BGM PRO 2.10-10 inch- Vespa (type PX) - Vespa Smallframe V50, 50N, Special, PV, ET3, PK50-125 (S/XL/XL2), Largeframe PX, T5, Sprint, Rally, GT/GTR, LML Star, Deluxe - roestvrij staal
    BGM PRO
    Wiel -BGM PRO 2.10-10 inch- Vespa (type PX) - Vespa Smallframe V50, 50N, Special, PV, ET3, PK50-125 (S/XL/XL2), Largeframe PX, T5, Sprint, Rally, GT/GTR, LML Star, Deluxe - roestvrij staal
    131,17 €*
  • Vespa Modern
    • Motor
      Allemaal uit Motor
      • Aandrijving
      • Afdichtingen
      • Carburateur
      • Cilinder
      • Injectiesysteem
      • Inlaatspruitstuk & membraan
      • Koeling
      • Koppeling
      • Krukas
      • Luchtfilter
      • Motor & behuizing
      • Motoren
      • Ontsteking
      • Revisieset
      • Schroeven & kleine onderdelen
      • Starter
      • Uitlaat
      • Versnellingsbak
    • Elektrisch systeem
      Allemaal uit Elektrisch systeem
      • Batterijen
      • Bougies
      • Instrumenten
      • Kabels
      • Lichtbron
      • Ontsteking & dynamo
      • Regelaar, gelijkrichter
      • Schakelaars
      • Schroeven & kleine onderdelen
      • Startmotor
      • Stekker
      • Verlichting
    • Frame & aanbouwdelen
      Allemaal uit Frame & aanbouwdelen
      • Banken
      • Belettering
      • Brandstofsysteem
      • Hoofd- en zijstandaard
      • Lager stuurkop
      • Onderdelen voor panelen
      • Schokdemper
      • Schroeven & kleine onderdelen
      • Vorken
    • Stuur & fittings
      Allemaal uit Stuur & fittings
      • Gas schakelhendels
      • Handgrepen
      • Instrumenten
      • Rem & koppeling
      • Schakelaars
      • Schroeven & kleine onderdelen
      • Spiegel
      • Stuur & kuipdelen
    • Bowdenkabels
      Allemaal uit Bowdenkabels
      • Besturingselementen
      • Kabeltrekken & sets
      • Klemnippels & stelschroeven
      • Remleidingen
      • Tacho-aandrijvingen
      • Toerentellerassen
    • Wielen
      Allemaal uit Wielen
      • Banden
      • Kleppen & kleine onderdelen
      • Remmen
      • Slangen
      • Velgen
      • Wielen
    • Service
      Allemaal uit Service
      • Filters
      • Gereedschap
      • Oliën
      • Schoner
      • Stelt in
      • V-snaar
    • Olie & chemie
      Allemaal uit Olie & chemie
      • Afdichtmiddel
      • Benodigdheden voor de workshop
      • Brandbare stoffen
      • Lakken & Verven
      • Lijmen
      • Oliën
      • Onderhoudsmiddelen & Reinigers
      • Vetten en smeermiddelen
    • Accessoires
      Allemaal uit Accessoires
      • Bagagedrager
      • Bescherming tegen diefstal
      • Crashbar
      • Houders & accessoires voor mobiele telefoons
      • Koopwaar
      • Literatuur
      • Speciale accessoires
      • Tassen
      • TopCase
      • Werkplaatsuitrusting
      • Windschermen
    • Helmen & Kleding
      Allemaal uit Helmen & Kleding
      • Accessoires
      • Brillen & vizieren
      • Handschoenen
      • Helmen
      • Jassen & broeken
      • T-shirts
    Tip van de dag
    CDI -POLINI ECM- Piaggio 50 ccm 4-takt (3-kleppen) - Vespa Primavera 50 3V iGet (Euro5), Sprint 50 iGet (Euro5), Piaggio Liberty 50 iGet (Euro5)
    Polini
    CDI -POLINI ECM- Piaggio 50 ccm 4-takt (3-kleppen) - Vespa Primavera 50 3V iGet (Euro5), Sprint 50 iGet (Euro5), Piaggio Liberty 50 iGet (Euro5)
    269,45 €*
  • Bromfiets Klassiek
    • Motor
      Allemaal uit Motor
      • Aandrijving
      • Afdichtingen
      • Carburateur
      • Cilinder
      • Inlaatspruitstuk & membraan
      • Koeling
      • Koppeling
      • Krukas
      • Luchtfilter
      • Motor & behuizing
      • Ontsteking
      • Revisieset
      • Schroeven & kleine onderdelen
      • Starter
      • Uitlaat
      • Versnellingsbak
    • Elektrisch systeem
      Allemaal uit Elektrisch systeem
      • Batterijen
      • Bougies
      • Instrumenten
      • Kabels
      • Lichtbron
      • Ontsteking & dynamo
      • Regelaar, gelijkrichter
      • Schakelaars
      • Schroeven & kleine onderdelen
      • Stekker
      • Verlichting
    • Frame & aanbouwdelen
      Allemaal uit Frame & aanbouwdelen
      • Banken
      • Belettering
      • Brandstofsysteem
      • Hoofd- en zijstandaard
      • Lager stuurkop
      • Onderdelen voor panelen
      • Schokdemper
      • Schroeven & kleine onderdelen
      • Vorken
    • Stuur & fittings
      Allemaal uit Stuur & fittings
      • Gas schakelhendels
      • Handgrepen
      • Instrumenten
      • Rem & koppeling
      • Schakelaars
      • Schroeven & kleine onderdelen
      • Spiegel
      • Stuur & kuipdelen
    • Bowdenkabels
      Allemaal uit Bowdenkabels
      • Besturingselementen
      • Kabeltrekken & sets
      • Klemnippels & stelschroeven
      • Snelheidsmeterkabels
      • Tacho-aandrijvingen
    • Wielen
      Allemaal uit Wielen
      • Banden
      • Kleppen & kleine onderdelen
      • Remmen
      • Slangen
      • Velgen
      • Wielen
    • Service
      Allemaal uit Service
      • Filters
      • Gereedschap
      • Oliën
    • Olie & chemie
      Allemaal uit Olie & chemie
      • Afdichtmiddel
      • Bedrijfsmaterialen
      • Benodigdheden voor de workshop
      • Lakken en kleuren
      • Lijmen
      • Oliën
      • Onderhoudsproducten & reinigingsmiddelen
      • Vetten en smeermiddelen
    • Accessoires
      Allemaal uit Accessoires
      • Bagagedrager
      • Bescherming tegen diefstal
      • Koopwaar
      • Literatuur
      • Speciale accessoires
      • Tassen
      • Werkplaatsuitrusting
    • Helmen & Kleding
      Allemaal uit Helmen & Kleding
      • Accessoires
      • Handschoenen
      • Helmen
      • T-shirts
    Tip van de dag
    Saddle cover -MOTO NOSTRA- Piaggio Ciao - black
    Moto Nostra
    Saddle cover -MOTO NOSTRA- Piaggio Ciao - black
    30,40 €*
  • Lambretta
    • Motor
      Allemaal uit Motor
      • Aandrijving
      • Afdichtingen
      • Carburateur
      • Cilinder
      • Inlaatspruitstuk & membraan
      • Kickstarter
      • Koeling
      • Koppeling
      • Krukas
      • Luchtfilter
      • Motor & behuizing
      • Ontsteking
      • Revisiesets
      • Schroeven & kleine onderdelen
      • Uitlaat
      • Versnellingsbak
    • Elektrisch systeem
      Allemaal uit Elektrisch systeem
      • Batterijen
      • Bougies
      • Instrumenten
      • Kabelbomen
      • Lichtbron
      • Ontsteking & dynamo
      • Regelaar & gelijkrichter
      • Schakelaars
      • Schroeven & kleine onderdelen
      • Stekker
      • Verlichting
    • Frame & aanbouwdelen
      Allemaal uit Frame & aanbouwdelen
      • Banken
      • Belettering
      • Brandstofsysteem
      • Hoofstandaard
      • Lager stuurkop
      • Onderdelen voor panelen
      • Schokdemper
      • Schroeven & kleine onderdelen
      • Vorken
    • Stuur & fittings
      Allemaal uit Stuur & fittings
      • Gas schakelhendels
      • Handgrepen
      • Instrumenten
      • Rem & koppeling
      • Schakelaars
      • Schroeven & kleine onderdelen
      • Spiegel
      • Stuur & kuipdelen
    • Bowdenkabels
      Allemaal uit Bowdenkabels
      • Besturingselementen
      • Kabeltrekken & sets
      • Klemnippels & stelschroeven
      • Remleidingen
      • Snelheidsmeterkabels
      • Tacho-aandrijvingen
    • Wielen
      Allemaal uit Wielen
      • Banden
      • Kleppen & kleine onderdelen
      • Remmen
      • Slangen
      • Velgen
      • Wielen
    • Service
      Allemaal uit Service
      • Gereedschap
      • Oliën
      • Schoner
      • Stelt in
    • Olie & chemie
      Allemaal uit Olie & chemie
      • Afdichtmiddel
      • Bedrijfsmaterialen
      • Benodigdheden voor de workshop
      • Lakken en kleuren
      • Lijmen
      • Oliën
      • Onderhoudsproducten & reinigingsmiddelen
      • Vetten en smeermiddelen
    • Accessoires
      Allemaal uit Accessoires
      • Bagagedrager
      • Bescherming tegen diefstal
      • Crashbar
      • Houders & accessoires voor mobiele telefoons
      • Koopwaar
      • Literatuur
      • Speciale accessoires
      • Tassen
      • Werkplaatsuitrusting
      • Windschermen
    • Helmen & Kleding
      Allemaal uit Helmen & Kleding
      • Accessoires
      • Handschoenen
      • Helmen
      • Jassen & broeken
      • T-shirts
    Tip van de dag
    Koppelingscompressor -BGM PRO- Lambretta LI, LIS, SX, TV (serie 2-3), DL, GP, J, Lui
    BGM PRO
    Koppelingscompressor -BGM PRO- Lambretta LI, LIS, SX, TV (serie 2-3), DL, GP, J, Lui
    47,69 €*
  • Scooter 50-850cc
    • Motor
      Allemaal uit Motor
      • Aandrijving
      • Afdichtingen
      • Cilinder
      • Injectiesysteem
      • Inlaatpijp & Membraan
      • Koeling
      • Koppeling
      • Krukas
      • Luchtfilter
      • Motorbehuizing
      • Motoren
      • Ontsteking
      • Revisieset
      • Schroeven & Kleine Onderdelen
      • Startmotor Kickstarter
      • Uitlaat
      • Vergasser
      • Versnellingbak
    • Elektrisch systeem
      Allemaal uit Elektrisch systeem
      • Batterijen
      • Bougies
      • Instrumenten
      • Kabel
      • Ontsteking & Dynamo
      • Regelaar, Gelijkerichtaar
      • Schakelaar
      • Schroeven & Kleine Onderdelen
      • Starter
      • Stekker
      • Verlichting
      • Verlichting
    • Frame & aanbouwdelen
      Allemaal uit Frame & aanbouwdelen
      • Banken
      • Belettering
      • Brandstofsysteem
      • Hoofd- en zijstandaard
      • Lager stuurkop
      • Onderdelen voor panelen
      • Schokdemper
      • Schroeven & kleine onderdelen
      • Vorken
    • Stuur & fittings
      Allemaal uit Stuur & fittings
      • Gas schakelhendels
      • Handgrepen
      • Instrumenten
      • Rem & koppeling
      • Schakelaars
      • Schroeven & kleine onderdelen
      • Spiegel
      • Stuur & kuipdelen
    • Bowdenkabels
      Allemaal uit Bowdenkabels
      • Besturingselementen
      • Kabeltrekken & sets
      • Klemnippels & stelschroeven
      • Remleidingen
      • Snelheidsmeterkabels
      • Tacho-aandrijvingen
    • Wielen
      Allemaal uit Wielen
      • Banden
      • Kleppen & kleine onderdelen
      • Remmen
      • Slangen
      • Velgen
      • Wielen
    • Service
      Allemaal uit Service
      • Filters
      • Gereedschap
      • Keilriem
      • Oliën
      • Reiniger
      • Stelt in
    • Olie & chemie
      Allemaal uit Olie & chemie
      • Afdichtmiddel
      • Benodigdheden voor de workshop
      • Brandstoffen
      • Lakken en kleuren
      • Lijmen
      • Oliën
      • Onderhoudsproducten & reinigingsmiddelen
      • Vetten en smeermiddelen
    • Accessoires
      Allemaal uit Accessoires
      • Bagagedrager
      • Bescherming tegen diefstal
      • Drosselkleppen & Toerentalbegrenzer
      • Koopwaar
      • Literatuur
      • Smartphonehouders & Accessoires
      • Speciale accessoires
      • Tassen
      • TopCase
      • Valbeugel
      • Werkplaatsuitrusting
      • Windschermen
    • Helmen & Kleding
      Allemaal uit Helmen & Kleding
      • Accessoires
      • Brillen & Vizieren
      • Handschoenen
      • Helmen
      • Jassen & Broeken
      • T-shirts
    Tip van de dag
    Remhendelset -PRO BRAKE- verstelbaar - Royal Alloy GP 125-300, TG 125-300 - glanzend zwart
    Pro Brake
    Remhendelset -PRO BRAKE- verstelbaar - Royal Alloy GP 125-300, TG 125-300 - glanzend zwart
    100,66 €*
  1. Piaggio 50 2T
  2. Diesis 50 (2001, ZAPC34100)
Motor
Elektrisch systeem
Frame & aanbouwdelen
Stuur & fittings
Bowdenkabels
Wielen
Service
Olie & chemie
Accessoires
Helmen & Kleding
Piaggio Diesis 50 (2001, ZAPC34100)
  • Exploded views
    • Aandrijvende Poelie
    • Aangedreven Poelies
    • Achter Schokdemper - Hoofdstandaard
    • Behuizingsdeksel
    • Benzinetank - Olietank
    • Carburateur
    • Carburateurcomponenten
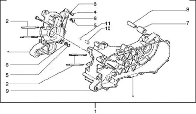
    • Carter
    • Cilinder - Zuiger
    • Cilinderkop
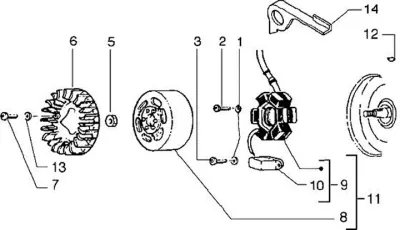
    • Dynamo
    • Frame - Slotenset - Balhoofdset
    • Instrumentengroep - Stuurkap
    • Koplamp - Achterlicht
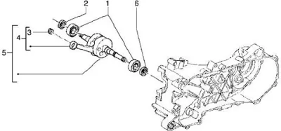
    • Krukas
    • Luchtfilter
    • Luchtfilterhuis
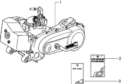
    • Motor - Motordichtset
    • Oliepomp
    • Regelaar - Bobine
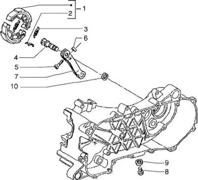
    • Remschoenen Achter
    • Spiegel - Boordgereedschap
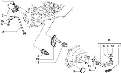
    • Startmotor - Kickstartpedaal
    • Stuur - Bowdenkabels
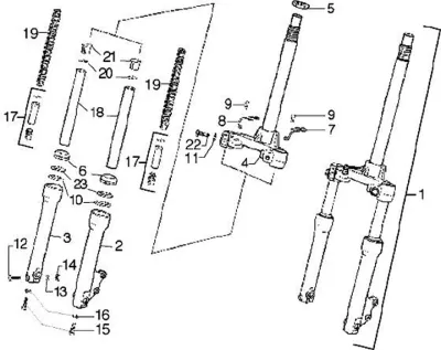
    • Telescoopvork
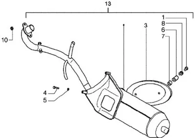
    • Uitlaatdemper
    • Versnellingsbak
    • Voorschild - Spatbord
    • Voorwiel - Achterwiel
    • Zadel - Helmbak
    • Zijkappen
Exploded views
Piaggio Diesis 50 (2001, ZAPC34100)
Aandrijvende Poelie
Aandrijvende Poelie
Aangedreven Poelies
Aangedreven Poelies
Achter Schokdemper - Hoofdstandaard
Achter Schokdemper - Hoofdstandaard
Behuizingsdeksel
Behuizingsdeksel
Benzinetank - Olietank
Benzinetank - Olietank
Carburateur
Carburateur
Carburateurcomponenten
Carburateurcomponenten
Carter
Carter
Cilinder - Zuiger
Cilinder - Zuiger
Cilinderkop
Cilinderkop
Dynamo
Dynamo
Frame - Slotenset - Balhoofdset
Frame - Slotenset - Balhoofdset
Instrumentengroep - Stuurkap
Instrumentengroep - Stuurkap
Koplamp - Achterlicht
Koplamp - Achterlicht
Krukas
Krukas
Luchtfilter
Luchtfilter
Luchtfilterhuis
Luchtfilterhuis
Motor - Motordichtset
Motor - Motordichtset
Oliepomp
Oliepomp
Regelaar - Bobine
Regelaar - Bobine
Remschoenen Achter
Remschoenen Achter
Spiegel - Boordgereedschap
Spiegel - Boordgereedschap
Startmotor - Kickstartpedaal
Startmotor - Kickstartpedaal
Stuur - Bowdenkabels
Stuur - Bowdenkabels
Telescoopvork
Telescoopvork
Uitlaatdemper
Uitlaatdemper
Versnellingsbak
Versnellingsbak
Voorschild - Spatbord
Voorschild - Spatbord
Voorwiel - Achterwiel
Voorwiel - Achterwiel
Zadel - Helmbak
Zadel - Helmbak
Zijkappen
Zijkappen
Meld u aan voor de Scooter Center Nieuwsbrief
Voer uw e-mailadres in
Meld je nu aan voor onze nieuwsbrief en ontvang €5 korting op je volgende bestelling van €50 of meer!
Blijf altijd up-to-date - met nieuws, promoties en exclusieve aanbiedingen voor scooters & tuning.
U kunt zich op elk gewenst moment weer afmelden. Uw gegevens worden niet doorgegeven aan derden.
Scooter Center
zeer goed 4.7 / 5
Scooter Center
Over ons
Contact met ons opnemen
Contact met ons opnemen
Openingstijden
Voor dealers
Carrière pagina
Onze verantwoordelijkheid/ESG
 
Verzendservice
Verzendkosten
Betaalmethoden/prijzen
Retourneren
Koop voucher
Directe bestelling
Afbeeldingen
Onze voertuigen
FAQ
Betaling en verzending
Sie können im Shop mit paypal zahlen Sie können im Shop per Vorkasse zahlen Sie können im Shop mit Kreditkarte zahlen Sie können im Shop mit Google Pay zahlen Sie können im Shop mit Apple Pay zahlen Sie können im Shop per Nachnahme zahlen Sie können im Shop mit Trustly zahlen Sie können im Shop mit iDEAL zahlen Sie können im Shop mit bancontact zahlen Sie können im Shop mit Bancomat Pay zahlen Sie können im Shop mit Amex zahlen Sie können im Shop mit BLIK zahlen
Gratis verzending vanaf een bestelwaarde van 99 euro voor alle eindklanten binnen Duitsland.
Wir versenden mit DHL Wir versenden mit ups Wir versenden mit DPD Wir versenden mit Fedex Click & Collect
Ausgezeichnet durch das eKomi Siegel
Artikel zonder TÜV en ABE tenzij anders aangegeven. Levertijden hebben betrekking op leveringen binnen Duitsland.
Alle rechten voorbehouden © 2025 Scooter Center GmbH
Juridische zaken
Milieu Verordening betreffende kleine elektrische onderdelen Recht op annulering AGB & klanteninformatie Cookie-instellingen Wettelijke kennisgeving Privacybeleid
* incl. BTW plus verzendkosten