zeer goed
4.7 / 5
Vandaag verzonden met bestelling in 4 h 57 min
Gratis verzending vanaf 99€ (DE) Hoge klanttevredenheid
Contact |Privacy |AGB & Klanteninformatie |Afdruk
Vandaag verzonden met bestelling in 4 h 57 min
Vespa Primavera 125 IGET Touring (2019-2020, ZAPMA1101) | Exploded views Vespa Primavera 125 IGET Touring (2019-2020, ZAPMA1101) | Exploded views
Blog DE  |  €
Mijn voertuig
Paswoord vergeten?
Nieuwe klantenrekening aanmaken
0
  • Alle
    • Motor
      Allemaal uit Motor
      • Aandrijving
      • Afdichtingen
      • Carburateur
      • Cilinder
      • Injectiesysteem
      • Inlaatspruitstuk & membraan
      • Koeling
      • Koppeling
      • Krukas
      • Luchtfilter
      • Motor & behuizing
      • Motoren
      • Ontsteking
      • Revisieset
      • Schroeven & kleine onderdelen
      • Starter
      • Uitlaat
      • Versnellingsbak
    • Elektrisch systeem
      Allemaal uit Elektrisch systeem
      • Batterijen
      • Bougies
      • Instrumenten
      • Kabels
      • Lichtbron
      • Ontsteking & dynamo
      • Regelaar, gelijkrichter
      • Schakelaars
      • Schroeven & kleine onderdelen
      • Startmotor
      • Stekker
      • Verlichting
    • Frame & aanbouwdelen
      Allemaal uit Frame & aanbouwdelen
      • Belettering
      • Brandstofsysteem
      • Hoofd- en zijstandaard
      • Lager stuurkop
      • Onderdelen voor panelen
      • Schokdemper
      • Schroeven & kleine onderdelen
      • Vorken
      • Zitbanken
    • Stuur & fittings
      Allemaal uit Stuur & fittings
      • Gas schakelhendels
      • Handgrepen
      • Instrumenten
      • Rem & koppeling
      • Schakelaars
      • Schroeven & kleine onderdelen
      • Spiegel
      • Stuur & kuipdelen
    • Bowdenkabels
      Allemaal uit Bowdenkabels
      • Besturingselementen
      • Kabeltrekken & sets
      • Klemnippels & stelschroeven
      • Remleidingen
      • Snelheidsmeterkabels
      • Tacho-aandrijvingen
    • Wielen
      Allemaal uit Wielen
      • Banden
      • Kleppen & kleine onderdelen
      • Remmen
      • Slangen
      • Velgen
      • Wielen
    • Service
      Allemaal uit Service
      • Filters
      • Gereedschap
      • Oliën
      • Stelt in
      • V-snaar
    • Olie & chemie
      Allemaal uit Olie & chemie
      • Afdichtmiddel
      • Bedrijfsmaterialen
      • Benodigdheden voor de workshop
      • Lakken en kleuren
      • Lijmen
      • Oliën
      • Onderhoudsproducten & reinigingsmiddelen
      • Vetten en smeermiddelen
    • Accessoires
      Allemaal uit Accessoires
      • Bagagedrager
      • Bescherming tegen diefstal
      • Drosselkleppen & Toerentalbegrenzer
      • Literatuur
      • Merchandise
      • Smartphonehouders & Accessoires
      • Speciaalaccessoires
      • Topkoffer
      • Valbeugel
      • Werkplaatsuitrusting
      • Windscherm
      • Zakken
    • Helmen & Kleding
      Allemaal uit Helmen & Kleding
      • Accessoires
      • Brillen & Vizieren
      • Handschoenen
      • Helmen
      • Jassen & Broeken
      • T-Shirts & Overhemden
    • Bonnen
    Tip van de dag
    Demontagegereedschap wielas voorwiel -BGM PRO- Vespa 125 V1-V15, V30-33, VM1-2, VN1, VN2, VNA, VNB , 150 VL, VB, VBA, VBB, VLA1, VGL1, VGLA1, VGLB1, Super, GL, T4, Sprint, GT, GTR, Rally, TS, Motovespa (1959-1964) 125N, 125S, 150S
    BGM PRO
    Demontagegereedschap wielas voorwiel -BGM PRO- Vespa 125 V1-V15, V30-33, VM1-2, VN1, VN2, VNA, VNB , 150 VL, VB, VBA, VBB, VLA1, VGL1, VGLA1, VGLB1, Super, GL, T4, Sprint, GT, GTR, Rally, TS, Motovespa (1959-1964) 125N, 125S, 150S
    24,90 €*
  • Klassieke Vespa
    • Motor
      Allemaal uit Motor
      • Aandrijving
      • Afdichtingen
      • Carburateur
      • Cilinder
      • Inlaatspruitstuk & membraan
      • Koeling
      • Koppeling
      • Krukas
      • Luchtfilter
      • Motor & behuizing
      • Motoren
      • Ontsteking
      • Revisieset
      • Schroeven & kleine onderdelen
      • Starter
      • Uitlaat
      • Versnellingsbak
    • Elektrische Installatie
      Allemaal uit Elektrische Installatie
      • Batterijen
      • Bougies
      • Instrumenten
      • Kabels
      • Lichtbron
      • Ontsteking & dynamo
      • Regelaar, gelijkrichter
      • Schakelaars
      • Schroeven & kleine onderdelen
      • Startmotor
      • Stekker
      • Verlichting
    • Chassis
      Allemaal uit Chassis
      • Banken
      • Belettering
      • Brandstofsysteem
      • Hoofd- en zijstandaard
      • Lager stuurkop
      • Onderdelen voor panelen
      • Schokdemper
      • Schroeven & kleine onderdelen
      • Vorken
    • Stuur
      Allemaal uit Stuur
      • Gas schakelhendels
      • Handgrepen
      • Instrumenten
      • Rem & koppeling
      • Schakelaars
      • Schroeven & kleine onderdelen
      • Spiegel
      • Stuur & kuipdelen
    • Bowdenkabels
      Allemaal uit Bowdenkabels
      • Besturingselementen
      • Kabeltrekken & sets
      • Klemnippels & stelschroeven
      • Remleidingen
      • Snelheidsmeterkabels
      • Tacho-aandrijvingen
    • Wielen
      Allemaal uit Wielen
      • Banden
      • Kleppen & kleine onderdelen
      • Remmen
      • Slangen
      • Velgen
      • Wielen
    • Onderhoud
      Allemaal uit Onderhoud
      • Filters
      • Gereedschap
      • Oliën
      • Stelt in
    • Olie & Chemie
      Allemaal uit Olie & Chemie
      • Afdichtmiddel
      • Bedrijfsmaterialen
      • Benodigdheden voor de workshop
      • Lakken en kleuren
      • Lijmen
      • Oliën
      • Onderhoudsproducten & reinigingsmiddelen
      • Vetten en smeermiddelen
    • Accessoires
      Allemaal uit Accessoires
      • Bagagedrager
      • Crashbar
      • Houders & accessoires voor mobiele telefoons
      • Koopwaar
      • Literatuur
      • Speciale accessoires
      • Tassen
      • TopCase
      • Werkplaatsuitrusting
      • Windschermen
    • Helmen & Kleding
      Allemaal uit Helmen & Kleding
      • Accessoires
      • Brillen & vizieren
      • Handschoenen
      • Helmen
      • Jassen & broeken
      • T-shirts
    Tip van de dag
    Koppelingsdeksel compleet -BGM Pro Superstrong CNC Vespa Largeframe (1962-2016)- Vespa PX, T5 125cc, Cosa, Rally, Sprint, VNB4T-VNB6T, VBB2T, VNC1T, VLA1T, VBC1T, VNL2T, VNL3T, zilver
    Bovenkant
    BGM PRO
    Koppelingsdeksel compleet -BGM Pro Superstrong CNC Vespa Largeframe (1962-2016)- Vespa PX, T5 125cc, Cosa, Rally, Sprint, VNB4T-VNB6T, VBB2T, VNC1T, VLA1T, VBC1T, VNL2T, VNL3T, zilver
    169,00 €*
  • Vespa Modern
    • Motor
      Allemaal uit Motor
      • Aandrijving
      • Afdichtingen
      • Carburateur
      • Cilinder
      • Injectiesysteem
      • Inlaatspruitstuk & membraan
      • Koeling
      • Koppeling
      • Krukas
      • Luchtfilter
      • Motor & behuizing
      • Motoren
      • Ontsteking
      • Revisieset
      • Schroeven & kleine onderdelen
      • Starter
      • Uitlaat
      • Versnellingsbak
    • Elektrisch systeem
      Allemaal uit Elektrisch systeem
      • Batterijen
      • Bougies
      • Instrumenten
      • Kabels
      • Lichtbron
      • Ontsteking & dynamo
      • Regelaar, gelijkrichter
      • Schakelaars
      • Schroeven & kleine onderdelen
      • Startmotor
      • Stekker
      • Verlichting
    • Frame & aanbouwdelen
      Allemaal uit Frame & aanbouwdelen
      • Banken
      • Belettering
      • Brandstofsysteem
      • Hoofd- en zijstandaard
      • Lager stuurkop
      • Onderdelen voor panelen
      • Schokdemper
      • Schroeven & kleine onderdelen
      • Vorken
    • Stuur & fittings
      Allemaal uit Stuur & fittings
      • Gas schakelhendels
      • Handgrepen
      • Instrumenten
      • Rem & koppeling
      • Schakelaars
      • Schroeven & kleine onderdelen
      • Spiegel
      • Stuur & kuipdelen
    • Bowdenkabels
      Allemaal uit Bowdenkabels
      • Besturingselementen
      • Kabeltrekken & sets
      • Klemnippels & stelschroeven
      • Remleidingen
      • Tacho-aandrijvingen
      • Toerentellerassen
    • Wielen
      Allemaal uit Wielen
      • Banden
      • Kleppen & kleine onderdelen
      • Remmen
      • Slangen
      • Velgen
      • Wielen
    • Service
      Allemaal uit Service
      • Filters
      • Gereedschap
      • Oliën
      • Schoner
      • Stelt in
      • V-snaar
    • Olie & chemie
      Allemaal uit Olie & chemie
      • Afdichtmiddel
      • Benodigdheden voor de workshop
      • Brandbare stoffen
      • Lakken & Verven
      • Lijmen
      • Oliën
      • Onderhoudsmiddelen & Reinigers
      • Vetten en smeermiddelen
    • Accessoires
      Allemaal uit Accessoires
      • Bagagedrager
      • Bescherming tegen diefstal
      • Crashbar
      • Houders & accessoires voor mobiele telefoons
      • Koopwaar
      • Literatuur
      • Speciale accessoires
      • Tassen
      • TopCase
      • Werkplaatsuitrusting
      • Windschermen
    • Helmen & Kleding
      Allemaal uit Helmen & Kleding
      • Accessoires
      • Brillen & vizieren
      • Handschoenen
      • Helmen
      • Jassen & broeken
      • T-shirts
    Tip van de dag
    Carter -MOTO NOSTRA- glanzend zwart - Vespa GTS 310 (2024-) - Vespa GTS MP3 HPE 310 (2024-)
    Bovenkant
    Moto Nostra
    Carter -MOTO NOSTRA- glanzend zwart - Vespa GTS 310 (2024-) - Vespa GTS MP3 HPE 310 (2024-)
    189,00 €*
  • Bromfiets Klassiek
    • Motor
      Allemaal uit Motor
      • Aandrijving
      • Afdichtingen
      • Carburateur
      • Cilinder
      • Inlaatspruitstuk & membraan
      • Koeling
      • Koppeling
      • Krukas
      • Luchtfilter
      • Motor & behuizing
      • Ontsteking
      • Revisieset
      • Schroeven & kleine onderdelen
      • Starter
      • Uitlaat
      • Versnellingsbak
    • Elektrisch systeem
      Allemaal uit Elektrisch systeem
      • Batterijen
      • Bougies
      • Instrumenten
      • Kabels
      • Lichtbron
      • Ontsteking & dynamo
      • Regelaar, gelijkrichter
      • Schakelaars
      • Schroeven & kleine onderdelen
      • Stekker
      • Verlichting
    • Frame & aanbouwdelen
      Allemaal uit Frame & aanbouwdelen
      • Banken
      • Belettering
      • Brandstofsysteem
      • Hoofd- en zijstandaard
      • Lager stuurkop
      • Onderdelen voor panelen
      • Schokdemper
      • Schroeven & kleine onderdelen
      • Vorken
    • Stuur & fittings
      Allemaal uit Stuur & fittings
      • Gas schakelhendels
      • Handgrepen
      • Instrumenten
      • Rem & koppeling
      • Schakelaars
      • Schroeven & kleine onderdelen
      • Spiegel
      • Stuur & kuipdelen
    • Bowdenkabels
      Allemaal uit Bowdenkabels
      • Besturingselementen
      • Kabeltrekken & sets
      • Klemnippels & stelschroeven
      • Snelheidsmeterkabels
      • Tacho-aandrijvingen
    • Wielen
      Allemaal uit Wielen
      • Banden
      • Kleppen & kleine onderdelen
      • Remmen
      • Slangen
      • Velgen
      • Wielen
    • Service
      Allemaal uit Service
      • Filters
      • Gereedschap
      • Oliën
    • Olie & chemie
      Allemaal uit Olie & chemie
      • Afdichtmiddel
      • Bedrijfsmaterialen
      • Benodigdheden voor de workshop
      • Lakken en kleuren
      • Lijmen
      • Oliën
      • Onderhoudsproducten & reinigingsmiddelen
      • Vetten en smeermiddelen
    • Accessoires
      Allemaal uit Accessoires
      • Bagagedrager
      • Bescherming tegen diefstal
      • Koopwaar
      • Literatuur
      • Speciale accessoires
      • Tassen
      • Werkplaatsuitrusting
    • Helmen & Kleding
      Allemaal uit Helmen & Kleding
      • Accessoires
      • Handschoenen
      • Helmen
      • T-shirts
    Tip van de dag
    Bussen-set -MC Vorkbussen- Ciao vorkpootarmen, voor revisie en stabilisatie van het voorwiel
    MC Proparts
    Bussen-set -MC Vorkbussen- Ciao vorkpootarmen, voor revisie en stabilisatie van het voorwiel
    17,90 €*
  • Lambretta
    • Motor
      Allemaal uit Motor
      • Aandrijving
      • Afdichtingen
      • Carburateur
      • Cilinder
      • Inlaatspruitstuk & membraan
      • Kickstarter
      • Koeling
      • Koppeling
      • Krukas
      • Luchtfilter
      • Motor & behuizing
      • Ontsteking
      • Revisiesets
      • Schroeven & kleine onderdelen
      • Uitlaat
      • Versnellingsbak
    • Elektrisch systeem
      Allemaal uit Elektrisch systeem
      • Batterijen
      • Bougies
      • Instrumenten
      • Kabelbomen
      • Lichtbron
      • Ontsteking & dynamo
      • Regelaar & gelijkrichter
      • Schakelaars
      • Schroeven & kleine onderdelen
      • Stekker
      • Verlichting
    • Frame & aanbouwdelen
      Allemaal uit Frame & aanbouwdelen
      • Banken
      • Belettering
      • Brandstofsysteem
      • Hoofstandaard
      • Lager stuurkop
      • Onderdelen voor panelen
      • Schokdemper
      • Schroeven & kleine onderdelen
      • Vorken
    • Stuur & fittings
      Allemaal uit Stuur & fittings
      • Gas schakelhendels
      • Handgrepen
      • Instrumenten
      • Rem & koppeling
      • Schakelaars
      • Schroeven & kleine onderdelen
      • Spiegel
      • Stuur & kuipdelen
    • Bowdenkabels
      Allemaal uit Bowdenkabels
      • Besturingselementen
      • Kabeltrekken & sets
      • Klemnippels & stelschroeven
      • Remleidingen
      • Snelheidsmeterkabels
      • Tacho-aandrijvingen
    • Wielen
      Allemaal uit Wielen
      • Banden
      • Kleppen & kleine onderdelen
      • Remmen
      • Slangen
      • Velgen
      • Wielen
    • Service
      Allemaal uit Service
      • Gereedschap
      • Oliën
      • Schoner
      • Stelt in
    • Olie & chemie
      Allemaal uit Olie & chemie
      • Afdichtmiddel
      • Bedrijfsmaterialen
      • Benodigdheden voor de workshop
      • Lakken en kleuren
      • Lijmen
      • Oliën
      • Onderhoudsproducten & reinigingsmiddelen
      • Vetten en smeermiddelen
    • Accessoires
      Allemaal uit Accessoires
      • Bagagedrager
      • Bescherming tegen diefstal
      • Crashbar
      • Houders & accessoires voor mobiele telefoons
      • Koopwaar
      • Literatuur
      • Speciale accessoires
      • Tassen
      • Werkplaatsuitrusting
      • Windschermen
    • Helmen & Kleding
      Allemaal uit Helmen & Kleding
      • Accessoires
      • Handschoenen
      • Helmen
      • Jassen & broeken
      • T-shirts
    Tip van de dag
    Cilinder -BGM PRO MRB-Racetour 225 ccm- Lambretta TV 200, SX 200, DL 200, GP 200
    BGM PRO
    Cilinder -BGM PRO MRB-Racetour 225 ccm- Lambretta TV 200, SX 200, DL 200, GP 200
    525,00 €*
  • Scooter 50-850cc
    • Motor
      Allemaal uit Motor
      • Aandrijving
      • Afdichtingen
      • Cilinder
      • Injectiesysteem
      • Inlaatpijp & Membraan
      • Koeling
      • Koppeling
      • Krukas
      • Luchtfilter
      • Motorbehuizing
      • Motoren
      • Ontsteking
      • Revisieset
      • Schroeven & Kleine Onderdelen
      • Startmotor Kickstarter
      • Uitlaat
      • Vergasser
      • Versnellingbak
    • Elektrisch systeem
      Allemaal uit Elektrisch systeem
      • Batterijen
      • Bougies
      • Instrumenten
      • Kabel
      • Ontsteking & Dynamo
      • Regelaar, Gelijkerichtaar
      • Schakelaar
      • Schroeven & Kleine Onderdelen
      • Starter
      • Stekker
      • Verlichting
      • Verlichting
    • Frame & aanbouwdelen
      Allemaal uit Frame & aanbouwdelen
      • Banken
      • Belettering
      • Brandstofsysteem
      • Hoofd- en zijstandaard
      • Lager stuurkop
      • Onderdelen voor panelen
      • Schokdemper
      • Schroeven & kleine onderdelen
      • Vorken
    • Stuur & fittings
      Allemaal uit Stuur & fittings
      • Gas schakelhendels
      • Handgrepen
      • Instrumenten
      • Rem & koppeling
      • Schakelaars
      • Schroeven & kleine onderdelen
      • Spiegel
      • Stuur & kuipdelen
    • Bowdenkabels
      Allemaal uit Bowdenkabels
      • Besturingselementen
      • Kabeltrekken & sets
      • Klemnippels & stelschroeven
      • Remleidingen
      • Snelheidsmeterkabels
      • Tacho-aandrijvingen
    • Wielen
      Allemaal uit Wielen
      • Banden
      • Kleppen & kleine onderdelen
      • Remmen
      • Slangen
      • Velgen
      • Wielen
    • Service
      Allemaal uit Service
      • Filters
      • Gereedschap
      • Keilriem
      • Oliën
      • Reiniger
      • Stelt in
    • Olie & chemie
      Allemaal uit Olie & chemie
      • Afdichtmiddel
      • Benodigdheden voor de workshop
      • Brandstoffen
      • Lakken en kleuren
      • Lijmen
      • Oliën
      • Onderhoudsproducten & reinigingsmiddelen
      • Vetten en smeermiddelen
    • Accessoires
      Allemaal uit Accessoires
      • Bagagedrager
      • Bescherming tegen diefstal
      • Drosselkleppen & Toerentalbegrenzer
      • Koopwaar
      • Literatuur
      • Smartphonehouders & Accessoires
      • Speciale accessoires
      • Tassen
      • TopCase
      • Valbeugel
      • Werkplaatsuitrusting
      • Windschermen
    • Helmen & Kleding
      Allemaal uit Helmen & Kleding
      • Accessoires
      • Brillen & Vizieren
      • Handschoenen
      • Helmen
      • Jassen & Broeken
      • T-shirts
    Tip van de dag
    Membraanblok -POLINI Original- Minarelli 50-100 ccm (horizontaal), Suzuki/Aprilia 50 ccm, CPI, Keeway, Sachs
    Polini
    Membraanblok -POLINI Original- Minarelli 50-100 ccm (horizontaal), Suzuki/Aprilia 50 ccm, CPI, Keeway, Sachs
    18,90 €*
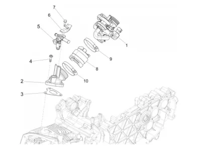
  1. Exploded views
  2. Vespa Primavera/Sprint/946 125/150
  3. Vespa Primavera 125 IGET Touring (2019-2020, ZAPMA1101)
Motor
Elektrisch systeem
Frame & aanbouwdelen
Stuur & fittings
Bowdenkabels
Wielen
Service
Olie & chemie
Accessoires
Helmen & Kleding
Vespa Primavera 125 IGET Touring (2019-2020, ZAPMA1101)
  • Exploded views
    • Aandrijvende Poelie
    • Aangedreven Poelies
    • Accu
    • Achterdemper
    • Achterdrager
    • Achterlicht
    • Achteruitkijkspiegel
    • Achterwiel
    • Bagagedrager Vooraan
    • Bagageruimte
    • Behuizingsdeksel
    • Benzinetank
    • Bowdenkabels
    • Carter
    • Cilinder
    • Cilinderkop
    • Cilinderkopdeksels
    • Cockpitinstrumenten
    • Decals
    • Dynamo
    • Frame
    • Gasklephuis
    • Helmruimte
    • Inspectiekit Compleet
    • Kabelboom
    • Kentekenhouder
    • Koplamp
    • Krukas
    • Luchtfilter
    • Middenbok
    • Motor
    • Oliefilter
    • Oliepomp
    • Regelaar
    • Remsysteem Achter
    • Remsysteem Vooraan
    • Schakelaar
    • Schommelarmhouder
    • Slotenset
    • Spatbord
    • Startmotor
    • Stuur
    • Stuurkap
    • Uitlaat
    • V-Snaar Smart Kit
    • Versnellingsbak
    • Voetruimteafdekkingen
    • Voorscherm
    • Voorvork
    • Voorwiel
    • Windscherm
    • Zadel
    • Zijkappen
    • Zwenkarm
Exploded views
Vespa Primavera 125 IGET Touring (2019-2020, ZAPMA1101)
Aandrijvende Poelie
Aandrijvende Poelie
Aangedreven Poelies
Aangedreven Poelies
Accu
Accu
Achterdemper
Achterdemper
Achterdrager
Achterdrager
Achterlicht
Achterlicht
Achteruitkijkspiegel
Achteruitkijkspiegel
Achterwiel
Achterwiel
Bagagedrager Vooraan
Bagagedrager Vooraan
Bagageruimte
Bagageruimte
Behuizingsdeksel
Behuizingsdeksel
Benzinetank
Benzinetank
Bowdenkabels
Bowdenkabels
Carter
Carter
Cilinder
Cilinder
Cilinderkop
Cilinderkop
Cilinderkopdeksels
Cilinderkopdeksels
Cockpitinstrumenten
Cockpitinstrumenten
Decals
Decals
Dynamo
Dynamo
Frame
Frame
Gasklephuis
Gasklephuis
Helmruimte
Helmruimte
Inspectiekit Compleet
Inspectiekit Compleet
Kabelboom
Kabelboom
Kentekenhouder
Kentekenhouder
Koplamp
Koplamp
Krukas
Krukas
Luchtfilter
Luchtfilter
Middenbok
Middenbok
Motor
Motor
Oliefilter
Oliefilter
Oliepomp
Oliepomp
Regelaar
Regelaar
Remsysteem Achter
Remsysteem Achter
Remsysteem Vooraan
Remsysteem Vooraan
Schakelaar
Schakelaar
Schommelarmhouder
Schommelarmhouder
Slotenset
Slotenset
Spatbord
Spatbord
Startmotor
Startmotor
Stuur
Stuur
Stuurkap
Stuurkap
Uitlaat
Uitlaat
V-Snaar Smart Kit
V-Snaar Smart Kit
Versnellingsbak
Versnellingsbak
Voetruimteafdekkingen
Voetruimteafdekkingen
Voorscherm
Voorscherm
Voorvork
Voorvork
Voorwiel
Voorwiel
Windscherm
Windscherm
Zadel
Zadel
Zijkappen
Zijkappen
Zwenkarm
Zwenkarm
Meld u aan voor de Scooter Center Nieuwsbrief
Voer uw e-mailadres in
Meld je nu aan voor onze nieuwsbrief en ontvang €5 korting op je volgende bestelling van €50 of meer!
Blijf altijd up-to-date - met nieuws, promoties en exclusieve aanbiedingen voor scooters & tuning.
U kunt zich op elk gewenst moment weer afmelden. Uw gegevens worden niet doorgegeven aan derden.
Scooter Center
zeer goed 4.7 / 5
Scooter Center
Over ons
Contact met ons opnemen
Contact met ons opnemen
Openingstijden
Voor dealers
Carrière pagina
Onze verantwoordelijkheid/ESG
 
Service
Verzendkosten
Betaalmethoden/prijzen
Retourneren
Koop voucher
Directe bestelling
Geëxplodeerde weergaven
FAQ
Betaling en verzending
Sie können im Shop mit paypal zahlen Sie können im Shop per Vorkasse zahlen Sie können im Shop mit Kreditkarte zahlen Sie können im Shop mit Google Pay zahlen Sie können im Shop mit Apple Pay zahlen Sie können im Shop per Nachnahme zahlen Sie können im Shop mit Trustly zahlen Sie können im Shop mit iDEAL zahlen Sie können im Shop mit bancontact zahlen Sie können im Shop mit Bancomat Pay zahlen Sie können im Shop mit Amex zahlen Sie können im Shop mit BLIK zahlen
Gratis verzending vanaf een bestelwaarde van 99 euro voor alle eindklanten binnen Duitsland.
Wir versenden mit DHL Wir versenden mit ups Wir versenden mit DPD Wir versenden mit Fedex Click & Collect
Artikel zonder TÜV en ABE tenzij anders aangegeven. Levertijden hebben betrekking op leveringen binnen Duitsland.
Alle rechten voorbehouden © 2025 Scooter Center GmbH
Juridische zaken
Milieu Verordening betreffende kleine elektrische onderdelen Recht op annulering AGB & klanteninformatie Cookie-instellingen Wettelijke kennisgeving Privacybeleid
* incl. BTW plus verzendkosten