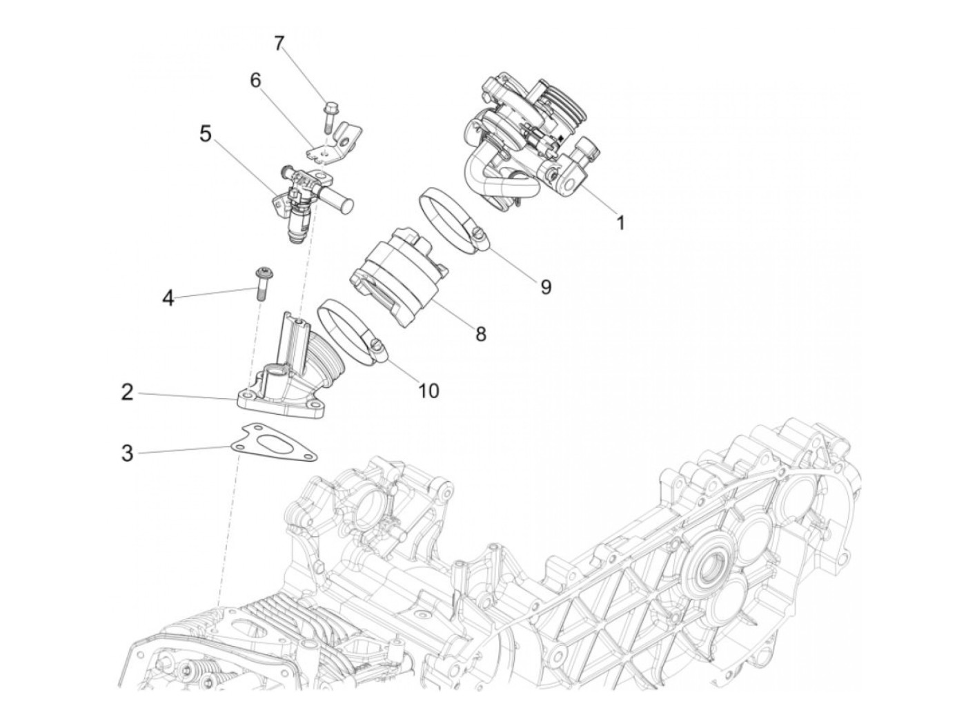
Gasklephuis
Vespa Sprint 150 IGET Sport (2018, ZAPMA1401)
Sorteer