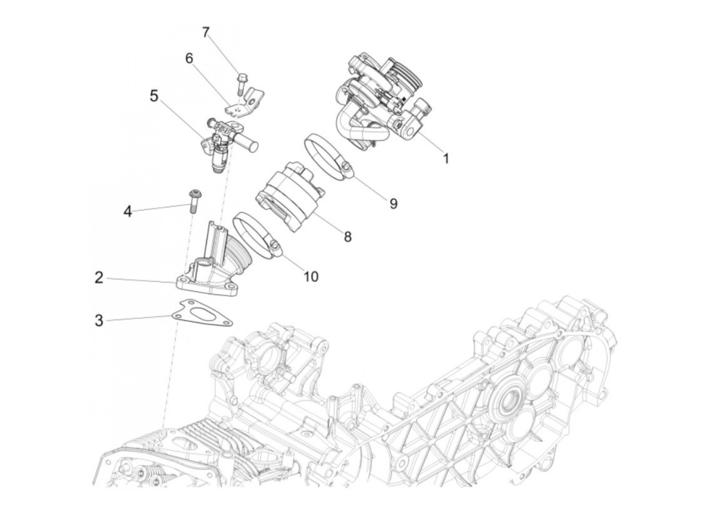
Gasklephuis
Vespa Sprint 125 IGET ABS (2019-2020, ZAPMA1300) Notte
Sorteer