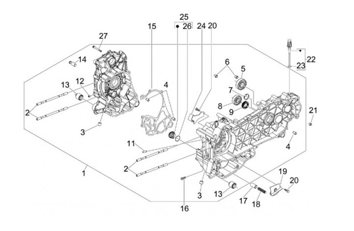
Engine casing
Vespa GTS 125ie Super ABS (2015, ZAPM45301)
Sort