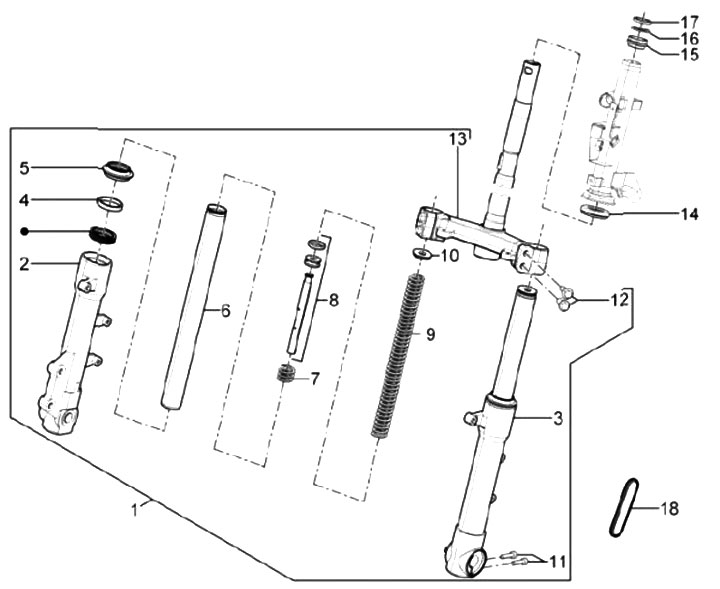
Fork front wheel
Aprilia SR Motard 125 (2012-2014, LBMM703)
Sort