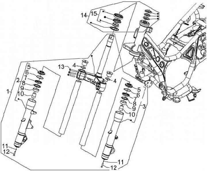
Fork
Gilera GP 800 Centenario (2010, ZAPM55100)
Sort